43 CFR Part 3170

43 CFR Part 3170.docx

Onshore Oil and Gas Operations and Production (43 CFR Parts 3160 and 3170)

43 CFR Part 3170

OMB: 1004-0137

Document [docx]
Download: docx | pdf

PART 3170—ONSHORE OIL AND GAS PRODUCTION

Shape1

Contents

Subpart 3170—Onshore Oil and Gas Production: General

§3170.1   Authority.
§3170.2   Scope.
§3170.3   Definitions and acronyms.
§3170.4   Prohibitions against by-pass and tampering.
§3170.5   [Reserved]
§3170.6   Variances.
§3170.7   Required recordkeeping, records retention, and records submission.
§3170.8   Appeal procedures.
§3170.9   Enforcement.

Subparts 3171-3172 [Reserved]

Subpart 3173—Requirements for Site Security and Production Handling

§3173.1   Definitions and acronyms.
§3173.2   Storage and sales facilities—seals.
§3173.3   Oil measurement system components—seals.
§3173.4   Federal seals.
§3173.5   Removing production from tanks for sale and transportation by truck.
§3173.6   Water-draining operations.
§3173.7   Hot oiling, clean-up, and completion operations.
§3173.8   Report of theft or mishandling of production.
§3173.9   Required recordkeeping for inventory and seal records.
§3173.10   Form 3160-5, Sundry Notices and Reports on Wells.
§3173.11   Site facility diagram.
§3173.12   Applying for a facility measurement point.
§3173.13   Requirements for approved facility measurement points.
§3173.14   Conditions for commingling and allocation approval (surface and downhole).
§3173.15   Applying for a commingling and allocation approval.
§3173.16   Existing commingling and allocation approvals.
§3173.17   Relationship of a commingling and allocation approval to royalty-free use of production.
§3173.18   Modification of a commingling and allocation approval.
§3173.19   Effective date of a commingling and allocation approval.
§3173.20   Terminating a commingling and allocation approval.
§3173.21   Combining production downhole in certain circumstances.
§3173.22   Requirements for off-lease measurement.
§3173.23   Applying for off-lease measurement.
§3173.24   Effective date of an off-lease measurement approval.
§3173.25   Existing approved off-lease measurement.
§3173.26   Relationship of off-lease measurement approval to royalty-free use of production.
§3173.27   Termination of off-lease measurement approval.
§3173.28   Instances not constituting off-lease measurement, for which no approval is required.
§3173.29   Immediate assessments for certain violations.
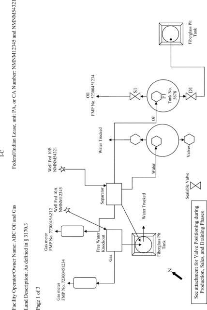
Appendix A to Subpart 3173—Examples of Site Facility Diagrams

Subpart 3174—Measurement of Oil

§3174.1   Definitions and acronyms.
§3174.2   General requirements.
§3174.3   Incorporation by reference (IBR).
§3174.4   Specific measurement performance requirements.
§3174.5   Oil measurement by tank gauging—general requirements.
§3174.6   Oil measurement by tank gauging—procedures.
§3174.7   LACT system—general requirements.
§3174.8   LACT system—components and operating requirements.
§3174.9   Coriolis measurement systems (CMS)—general requirements and components.
§3174.10   Coriolis meter for LACT and CMS measurement applications—operating requirements.
§3174.11   Meter-proving requirements.
§3174.12   Measurement tickets.
§3174.13   Oil measurement by other methods.
§3174.14   Determination of oil volumes by methods other than measurement.
§3174.15   Immediate assessments.

Subpart 3175—Measurement of Gas

§3175.10   Definitions and acronyms.
§3175.20   General requirements.
§3175.30   Incorporation by reference.
§3175.31   Specific performance requirements.
§3175.40   Measurement equipment approved by standard or make and model.
§3175.41   Flange-tapped orifice plates.
§3175.42   Chart recorders.
§3175.43   Transducers.
§3175.44   Flow-computer software.
§3175.45   Gas chromatographs.
§3175.46   Isolating flow conditioners.
§3175.47   Differential primary devices other than flange-tapped orifice plates.
§3175.48   Linear measurement devices.
§3175.49   Accounting systems.
§3175.60   Timeframes for compliance.
§3175.61   Grandfathering.
§3175.70   Measurement location.
§3175.80   Flange-tapped orifice plates (primary devices).
§3175.90   Mechanical recorder (secondary device).
§3175.91   Installation and operation of mechanical recorders.
§3175.92   Verification and calibration of mechanical recorders.
§3175.93   Integration statements.
§3175.94   Volume determination.
§3175.100   Electronic gas measurement (secondary and tertiary device).
§3175.101   Installation and operation of electronic gas measurement systems.
§3175.102   Verification and calibration of electronic gas measurement systems.
§3175.103   Flow rate, volume, and average value calculation.
§3175.104   Logs and records.
§3175.110   Gas sampling and analysis.
§3175.111   General sampling requirements.
§3175.112   Sampling probe and tubing.
§3175.113   Spot samples—general requirements.
§3175.114   Spot samples—allowable methods.
§3175.115   Spot samples—frequency.
§3175.116   Composite sampling methods.
§3175.117   On-line gas chromatographs.
§3175.118   Gas chromatograph requirements.
§3175.119   Components to analyze.
§3175.120   Gas analysis report requirements.
§3175.121   Effective date of a spot or composite gas sample.
§3175.125   Calculation of heating value and volume
§3175.126   Reporting of heating value and volume.
§3175.130   Transducer testing protocol.
§3175.131   General requirements for transducer testing.
§3175.132   Testing of reference accuracy.
§3175.133   Testing of influence effects.
§3175.134   Transducer test reporting.
§3175.135   Uncertainty determination.
§3175.140   Flow-computer software testing.
§3175.141   General requirements for flow-computer software testing.
§3175.142   Required static tests.
§3175.143   Required dynamic tests.
§3175.144   Flow-computer software test reporting.
§3175.150   Immediate assessments.
Appendix A to Subpart 3175—Table of Atmospheric Pressures

Subpart 3178—Royalty-Free Use of Lease Production

§3178.1   Purpose.
§3178.2   Scope.
§3178.3   Production on which royalty is not due.
§3178.4   Uses of oil or gas on a lease, unit, or communitized area that do not require prior written BLM approval for royalty-free treatment of volumes used.
§3178.5   Uses of oil or gas on a lease, unit, or communitized area that require prior written BLM approval for royalty-free treatment of volumes used.
§3178.6   Uses of oil or gas moved off the lease, unit, or communitized area that do not require prior written approval for royalty-free treatment of volumes used.
§3178.7   Uses of oil or gas moved off the lease, unit, or communitized area that require prior written approval for royalty-free treatment of volumes used.
§3178.8   Measurement or estimation of volumes of oil or gas that are used royalty-free.
§3178.9   Requesting approval of royalty-free treatment when approval is required.
§3178.10   Facility and equipment ownership.

Subpart 3179—Waste Prevention and Resource Conservation

§3179.1   Purpose.
§3179.2   Scope.
§3179.3   Definitions and acronyms.
§3179.4   Determining when the loss of oil or gas is avoidable or unavoidable.
§3179.5   When lost production is subject to royalty.
§3179.6   Venting prohibition.
§3179.7   Gas capture requirement.
§3179.8   Alternative capture requirement.
§3179.9   Measuring and reporting volumes of gas vented and flared.
§3179.10   Determinations regarding royalty-free flaring.
§3179.11   Other waste prevention measures.
§3179.12   Coordination with State regulatory authority.

Flaring and Venting Gas During Drilling and Production Operations

§3179.101   Well drilling.
§3179.102   Well completion and related operations.
§3179.103   Initial production testing.
§3179.104   Subsequent well tests.
§3179.105   Emergencies.

Gas Flared or Vented From Equipment and During Well Maintenance Operations

§3179.201   Equipment requirements for pneumatic controllers.
§3179.202   Requirements for pneumatic diaphragm pumps.
§3179.203   Storage vessels.
§3179.204   Downhole well maintenance and liquids unloading.

Leak Detection and Repair (LDAR)

§3179.301   Operator responsibility.
§3179.302   Approved instruments and methods.
§3179.303   Leak detection inspection requirements for natural gas wellhead equipment and other equipment.
§3179.304   Repairing leaks.
§3179.305   Leak detection inspection recordkeeping and reporting.

State or Tribal Variances

§3179.401   State or tribal requests for variances from the requirements of this subpart.

Shape2

Authority: 25 U.S.C. 396d and 2107; 30 U.S.C. 189, 306, 359, and 1751; and 43 U.S.C. 1732(b), 1733, and 1740.

Source: 81 FR 81421, Nov. 17, 2016, unless otherwise noted.

 Back to Top

Subpart 3170—Onshore Oil and Gas Production: General

 Back to Top

§3170.1   Authority.

The authorities for promulgating the regulations in this part are the Mineral Leasing Act, 30 U.S.C. 181 et seq.; the Mineral Leasing Act for Acquired Lands, 30 U.S.C. 351 et seq.; the Federal Oil and Gas Royalty Management Act, 30 U.S.C. 1701 et seq.; the Indian Mineral Leasing Act, 25 U.S.C. 396a et seq.; the Act of March 3, 1909, 25 U.S.C. 396; the Indian Mineral Development Act, 25 U.S.C. 2101 et seq.; and the Federal Land Policy and Management Act, 43 U.S.C. 1701 et seq. Each of these statutes gives the Secretary the authority to promulgate necessary and appropriate rules and regulations governing Federal and Indian (except Osage Tribe) oil and gas leases. See 30 U.S.C. 189; 30 U.S.C. 359; 25 U.S.C. 396d; 25 U.S.C. 396; 25 U.S.C. 2107; and 43 U.S.C. 1740. Under Secretarial Order Number 3087, dated December 3, 1982, as amended on February 7, 1983 (48 FR 8983), and the Departmental Manual (235 DM 1.1), the Secretary has delegated regulatory authority over onshore oil and gas development on Federal and Indian (except Osage Tribe) lands to the BLM. For Indian leases, the delegation of authority to the BLM is reflected in 25 CFR parts 211, 212, 213, 225, and 227. In addition, as authorized by 43 U.S.C. 1731(a), the Secretary has delegated to the BLM regulatory responsibility for oil and gas operations on Indian lands. 235 DM 1.1.K.

 Back to Top

§3170.2   Scope.

The regulations in this part apply to:

(a) All Federal onshore and Indian oil and gas leases (other than those of the Osage Tribe);

(b) Indian Mineral Development Act (IMDA) agreements for oil and gas, unless specifically excluded in the agreement or unless the relevant provisions of the rule are inconsistent with the agreement;

(c) Leases and other business agreements for the development of tribal energy resources under a Tribal Energy Resource Agreement entered into with the Secretary, unless specifically excluded in the lease, other business agreement, or Tribal Energy Resource Agreement;

(d) State or private tracts committed to a federally approved unit or communitization agreement (CA) as defined by or established under 43 CFR subpart 3105 or 43 CFR part 3180; and

(e) All onshore facility measurement points where oil or gas produced from the leases or agreements identified earlier in this section is measured.

 Back to Top

§3170.3   Definitions and acronyms.

(a) As used in this part, the term:

Allocated or allocation means a method or process by which production is measured at a central point and apportioned to the individual lease, or unit Participating Area (PA), or CA from which the production originated.

API (followed by a number) means the American Petroleum Institute Manual of Petroleum Measurement Standards, with the number referring to the Chapter and Section in that manual.

Audit trail means all source records necessary to verify and recalculate the volume and quality of oil or gas production measured at a facility measurement point (FMP) and reported to the Office of Natural Resources Revenue (ONRR).

Authorized officer (AO) has the same meaning as defined in 43 CFR 3000.0-5.

Averaging period means the previous 12 months or the life of the meter, whichever is shorter. For FMPs that measure production from a newly drilled well, the averaging period excludes production from that well that occurred in or before the first full month of production. (For example, if an oil FMP and a gas FMP were installed to measure only the production from a new well that first produced on April 10, the averaging period for this FMP would not include the production that occurred in April (partial month) and May (full month) of that year.)

Bias means a shift in the mean value of a set of measurements away from the true value of what is being measured.

By-pass means any piping or other arrangement around or avoiding a meter or other measuring device or method (or component thereof) at an FMP that allows oil or gas to flow without measurement. Equipment that permits the changing of the orifice plate of a gas meter without bleeding the pressure off the gas meter run (e.g., senior fitting) is not considered to be a by-pass.

Commingling, for production accounting and reporting purposes, means combining, before the point of royalty measurement, production from more than one lease, unit PA, or CA, or production from one or more leases, unit PAs, or CAs with production from State, local governmental, or private properties that are outside the boundaries of those leases, unit PAs, or CAs. Combining production from multiple wells within a single lease, unit PA, or CA, or combining production downhole from different geologic formations within the same lease, unit PA, or CA, is not considered commingling for production accounting purposes.

Communitized area means the area committed to a BLM approved communitization agreement.

Communitization agreement (CA) means an agreement to combine a lease or a portion of a lease that cannot otherwise be independently developed and operated in conformity with an established well spacing or well development program, with other tracts for purposes of cooperative development and operations.

Condition of Approval (COA) means a site-specific requirement included in the approval of an application that may limit or modify the specific actions covered by the application. Conditions of approval may minimize, mitigate, or prevent impacts to public lands or resources.

Days means consecutive calendar days, unless otherwise indicated.

Facility means:

(i) A site and associated equipment used to process, treat, store, or measure production from or allocated to a Federal or Indian lease, unit PA, or CA that is located upstream of or at (and including) the approved point of royalty measurement; and

(ii) A site and associated equipment used to store, measure, or dispose of produced water that is located on a lease, unit, or communitized area.

Facility measurement point (FMP) means a BLM-approved point where oil or gas produced from a Federal or Indian lease, unit PA, or CA is measured and the measurement affects the calculation of the volume or quality of production on which royalty is owed. FMP includes, but is not limited to, the approved point of royalty measurement and measurement points relevant to determining the allocation of production to Federal or Indian leases, unit PAs, or CAs. However, allocation facilities that are part of a commingling and allocation approval under §3173.15 or that are part of a commingling and allocation approval approved after July 9, 2013, are not FMPs. An FMP also includes a meter or measurement facility used in the determination of the volume or quality of royalty-bearing oil or gas produced before BLM approval of an FMP under §3173.12. An FMP must be located on the lease, unit, or communitized area unless the BLM approves measurement off the lease, unit, or CA. The BLM will not approve a gas processing plant tailgate meter located off the lease, unit, or CA, as an FMP.

Gas means any fluid, either combustible or noncombustible, hydrocarbon or non-hydrocarbon, that has neither independent shape nor volume, but tends to expand indefinitely and exists in a gaseous state under metered temperature and pressure conditions.

Incident of Noncompliance (INC) means documentation that the BLM issues that identifies violations and notifies the recipient of the notice of required corrective actions.

Lease has the same meaning as defined in 43 CFR 3160.0-5.

Lessee has the same meaning as defined in 43 CFR 3160.0-5.

NIST traceable means an unbroken and documented chain of comparisons relating measurements from field or laboratory instruments to a known standard maintained by the National Institute of Standards and Technology (NIST).

Notice to lessees and operators (NTL) has the same meaning as defined in 43 CFR 3160.0-5.

Off-lease measurement means measurement at an FMP that is not located on the lease, unit, or communitized area from which the production came.

Oil means a mixture of hydrocarbons that exists in the liquid phase at the temperature and pressure at which it is measured. Condensate is considered to be oil for purposes of this part. Gas liquids extracted from a gas stream upstream of the approved point of royalty measurement are considered to be oil for purposes of this part.

(i) Clean oil or Pipeline oil means oil that is of such quality that it is acceptable to normal purchasers.

(ii) Slop oil means oil that is of such quality that it is not acceptable to normal purchasers and is usually sold to oil reclaimers. Oil that can be made acceptable to normal purchasers through special treatment that can be economically provided at existing or modified facilities or using portable equipment at or upstream of the FMP is not slop oil.

(iii) Waste oil means oil that has been determined by the AO or authorized representative to be of such quality that it cannot be treated economically and put in a marketable condition with existing or modified lease facilities or portable equipment, cannot be sold to reclaimers, and has been determined by the AO to have no economic value.

Operator has the same meaning as defined in 43 CFR 3160.0-5.

Participating area (PA) has the same meaning as defined in 43 CFR 3180.0-5.

Point of royalty measurement means a BLM-approved FMP at which the volume and quality of oil or gas which is subject to royalty is measured. The point of royalty measurement is to be distinguished from meters that determine only the allocation of production to particular leases, unit PAs, CAs, or non-Federal and non-Indian properties. The point of royalty measurement is also known as the point of royalty settlement.

Production means oil or gas removed from a well bore and any products derived therefrom.

Production Measurement Team (PMT) means a panel of members from the BLM (which may include BLM-contracted experts) that reviews changes in industry measurement technology, methods, and standards to determine whether regulations should be updated, and provides guidance on measurement technologies and methods not addressed in current regulation. The purpose of the PMT is to act as a central advisory body to ensure that oil and gas produced from Federal and Indian leases is accurately measured and properly reported.

Purchaser means any person or entity who legally takes ownership of oil or gas in exchange for financial or other consideration.

Source record means any unedited and original record, document, or data that is used to determine volume and quality of production, regardless of format or how it was created or stored (e.g., paper or electronic). It includes, but is not limited to, raw and unprocessed data (e.g., instantaneous and continuous information used by flow computers to calculate volumes); gas charts; measurement tickets; calibration, verification, prover, and configuration reports; pumper and gauger field logs; volume statements; event logs; seal records; and gas analyses.

Statistically significant describes a difference between two data sets that exceeds the threshold of significance.

Tampering means any deliberate adjustment or alteration to a meter or measurement device, appropriate valve, or measurement process that could introduce bias into the measurement or affect the BLM's ability to independently verify volumes or qualities reported.

Threshold of significance means the maximum difference between two data sets (a and b) that can be attributed to uncertainty effects. The threshold of significance is determined as follows:

View or download PDF

Where:

Ts = Threshold of significance, in percent

Ua = Uncertainty (95 percent confidence) of data set a, in percent

Ub = Uncertainty (95 percent confidence) of data set b, in percent

Total observed volume (TOV) means the total measured volume of all oil, sludges, sediment and water, and free water at the measured or observed temperature and pressure.

Transporter means any person or entity who legally moves or transports oil or gas from an FMP.

Uncertainty means the statistical range of error that can be expected between a measured value and the true value of what is being measured. Uncertainty is determined at a 95 percent confidence level for the purposes of this part.

Unit means the land within a unit area as defined in 43 CFR 3180.0-5.

Unit PA means the unit participating area, if one is in effect, the exploratory unit if there is no associated participating area, or an enhanced recovery unit.

Variance means an approved alternative to a provision or standard of a regulation, Onshore Oil and Gas Order, or NTL.

(b) As used in this part, the following additional acronyms apply:

API means American Petroleum Institute.

BLM means the Bureau of Land Management.

Btu means British thermal unit.

CMS means Coriolis Measurement System.

LACT means lease automatic custody transfer.

OGOR means Oil and Gas Operations Report (Form ONRR-4054 or any successor report).

ONRR means the Office of Natural Resources Revenue, U.S. Department of the Interior, and includes any successor agency.

S&W means sediment and water.

WIS means Well Information System or any successor electronic filing system.

 Back to Top

§3170.4   Prohibitions against by-pass and tampering.

(a) All by-passes are prohibited.

(b) Tampering with any measurement device, component of a measurement device, or measurement process is prohibited.

(c) Any by-pass or tampering with a measurement device, component of a measurement device, or measurement process may, together with any other remedies provided by law, result in an assessment of civil penalties for knowingly or willfully:

(1) Taking, removing, transporting, using, or diverting oil or gas from a lease site without valid legal authority under 30 U.S.C. 1719(d)(2) and 43 CFR 3163.2(f)(2); or

(2) Preparing, maintaining, or submitting false, inaccurate, or misleading reports, records, or information under 30 U.S.C. 1719(d)(1) and 43 CFR 3163.2(f)(1).

 Back to Top

§3170.5   [Reserved]

 Back to Top

§3170.6   Variances.

(a) Any party subject to a requirement of a regulation in this part may request a variance from that requirement.

(1) A request for a variance must include the following:

(i) Identification of the specific requirement from which the variance is requested;

(ii) Identification of the length of time for which the variance is requested, if applicable;

(iii) An explanation of the need for the variance;

(iv) A detailed description of the proposed alternative means of compliance;

(v) A showing that the proposed alternative means of compliance will produce a result that meets or exceeds the objectives of the applicable requirement for which the variance is requested; and

(vi) The FMP number(s) for which the variance is requested, if applicable.

(2) A request for a variance must be submitted as a separate document from any plans or applications. A request for a variance that is submitted as part of a master development plan, application for permit to drill, right-of-way application, or application for approval of other types of operations, rather than submitted separately, will not be considered. Approval of a plan or application that contains a request for a variance does not constitute approval of the variance. A separate request for a variance may be submitted simultaneously with a plan or application. For plans or applications that are contingent upon the approval of the variance request, the BLM encourages the simultaneous submission of the variance request and the plan or application.

(3) The party requesting the variance must file the request and any supporting documents using WIS. If electronic filing is not possible or practical, the operator may submit a request for variance on the Form 3160-5, Sundry Notices and Reports on Wells (Sundry Notice) to the BLM Field Office having jurisdiction over the lands described in the application.

(4) The AO, after considering all relevant factors, may approve the variance, or approve it with COAs, only if the AO determines that:

(i) The proposed alternative means of compliance meets or exceeds the objectives of the applicable requirement(s) of the regulation;

(ii) Approving the variance will not adversely affect royalty income and production accountability; and

(iii) Issuing the variance is consistent with maximum ultimate economic recovery, as defined in 43 CFR 3160.0-5.

(5) The decision whether to grant or deny the variance request is entirely within the BLM's discretion.

(6) A variance from the requirements of a regulation in this part does not constitute a variance from provisions of other regulations, including Onshore Oil and Gas Orders.

(b) The BLM reserves the right to rescind a variance or modify any COA of a variance due to changes in Federal law, technology, regulation, BLM policy, field operations, noncompliance, or other reasons. The BLM will provide a written justification if it rescinds a variance or modifies a COA.

 Back to Top

§3170.7   Required recordkeeping, records retention, and records submission.

(a) Lessees, operators, purchasers, transporters, and any other person directly involved in producing, transporting, purchasing, selling, or measuring oil or gas through the point of royalty measurement or the point of first sale, whichever is later, must retain all records, including source records, that are relevant to determining the quality, quantity, disposition, and verification of production attributable to Federal or Indian leases for the periods prescribed in paragraphs (c) through (e) of this section.

(b) This retention requirement applies to records generated during or for the period for which the lessee or operator has an interest in or conducted operations on the lease, or in which a person is involved in transporting, purchasing, or selling production from the lease.

(c) For Federal leases, and units or CAs that include Federal leases, but do not include Indian leases, the record holder must maintain records for:

(1) Seven years after the records are generated; unless,

(2) A judicial proceeding or demand involving such records is timely commenced, in which case the record holder must maintain such records until the final nonappealable decision in such judicial proceeding is made, or with respect to that demand is rendered, unless the Secretary or his/her designee or the applicable delegated State authorizes in writing an earlier release of the requirement to maintain such records.

(d) For Indian leases, and units or CAs that include Indian leases, but do not include Federal leases, the record holder must maintain records for:

(1) Six years after the records are generated; unless,

(2) The Secretary or his/her designee notifies the record holder that the Department of the Interior has initiated or is participating in an audit or investigation involving such records, in which case the record holder must maintain such records until the Secretary or his/her designee releases the record holder from the obligation to maintain the records.

(e) For units and communitized areas that include both Federal and Indian leases, 6 years after the records are generated. If the Secretary or his/her designee has notified the record holder within those 6 years that an audit or investigation involving such records has been initiated, then:

(1) If a judicial proceeding or demand is commenced within 7 years after the records are generated, the record holder must retain all records regarding production from the lease, unit PA, or CA until the final nonappealable decision in such judicial proceeding is made, or with respect to that demand is rendered, unless the Secretary or his/her designee authorizes in writing a release of the requirement to maintain such records before a final nonappealable decision is made or rendered.

(2) If a judicial proceeding or demand is not commenced within 7 years after the records are generated, the record holder must retain all records regarding production from the unit or communitized area until the Secretary or his/her designee releases the record holder from the obligation to maintain the records;

(f) The lessee, operator, purchaser, or transporter must maintain an audit trail.

(g) All records, including source records, that are used to determine quality, quantity, disposition, and verification of production attributable to a Federal or Indian lease, unit PA, or CA, must include the FMP number or the lease, unit PA, or CA number, along with a unique equipment identifier (e.g., a unique tank identification number and meter station number), and the name of the company that created the record. For all facilities existing prior to the assignment of an FMP number, all records must include the following information:

(1) The name of the operator;

(2) The lease, unit PA, or CA number; and

(3) The well or facility name and number.

(h) Upon request of the AO, the operator, purchaser, or transporter must provide such records to the AO as may be required by regulation, written order, Onshore Order, NTL, or COA.

(i) All records must be legible.

(j) All records requiring a signature must also have the signer's printed name.

 Back to Top

§3170.8   Appeal procedures.

(a) BLM decisions, orders, assessments, or other actions under the regulations in this part are administratively appealable under the procedures prescribed in 43 CFR 3165.3(b), 3165.4, and part 4.

(b) For any recommendation made by the PMT, and approved by the BLM, a party affected by such recommendation may file a request for discretionary review by the Assistant Secretary for Land and Minerals Management. The Assistant Secretary may delegate this review function as he or she deems appropriate, in which case the affected party's application for discretionary review must be made to the person or persons to whom the Assistant Secretary's review function has been delegated.

 Back to Top

§3170.9   Enforcement.

Noncompliance with any of the requirements of this part or any order issued under this part may result in enforcement actions under 43 CFR subpart 3163 or any other remedy available under applicable law or regulation.

 Back to Top

Subparts 3171-3172 [Reserved]

 Back to Top

Subpart 3173—Requirements for Site Security and Production Handling

 Back to Top

§3173.1   Definitions and acronyms.

(a) As used in this subpart, the term:

Access means the ability to:

(i) Add liquids to or remove liquids from any tank or piping system, through a valve or combination of valves or by moving liquids from one tank to another tank; or

(ii) Enter any component in a measuring system affecting the accuracy of the measurement of the quality or quantity of the liquid being measured.

Appropriate valves means those valves that must be sealed during the production or sales phase (e.g., fill lines, equalizer, overflow lines, sales lines, circulating lines, or drain lines).

Authorized representative (AR) has the same meaning as defined in 43 CFR 3160.0-5.

Business day means any day Monday through Friday, excluding Federal holidays.

Commingling and allocation approval (CAA) means a formal allocation agreement to combine production from two or more sources (leases, unit PAs, CAs, or non-Federal or non-Indian properties) before that product reaches an FMP.

Economically marginal property means a lease, unit PA, or CA that does not generate sufficient revenue above operating costs, such that a prudent operator would opt to plug a well or shut-in the lease, unit PA, or CA instead of making the investments needed to achieve non-commingled measurement of production from that lease, unit PA, or CA. A lease, unit PA, or CA may be regarded as economically marginal if the operator demonstrates that the expected revenue (net any associated operating costs) generated from crude oil or natural gas production volumes on that property is not sufficient to cover the nominal cost of the capital expenditures required to achieve measurement of non-commingled production of oil or gas from that property over a payout period of 18 months. A lease, unit PA, or CA can also be considered economically marginal if the operator demonstrates that its royalty net present value (RNPV), or the discounted value of the Federal or Indian royalties collected on revenue earned from crude oil or natural gas production on the lease, unit PA, or CA, over the expected life of the equipment that would need to be installed to achieve non-commingled measurement volumes, is less than the capital cost of purchasing and installing this equipment. Both the payout period and the RNPV are determined separately for each lease, unit PA, or CA oil or gas FMP. Additionally, oil FMPs are evaluated using estimated revenue (net of taxes and operating costs) from crude oil production, as defined in this section, while gas FMPs are evaluated using estimated revenue (net of taxes and operating costs) from natural gas production, as defined in this section.

Effectively sealed means the placement of a seal in such a manner that the sealed component cannot be accessed, moved, or altered without breaking the seal.

Free water means the measured volume of water that is present in a container and that is not in suspension in the contained liquid at observed temperature.

Land description means a location surveyed in accordance with the U.S. Department of the Interior's Manual of Surveying Instructions (2009), that includes the quarter-quarter section, section, township, range, and principal meridian, or other authorized survey designation acceptable to the AO, such as metes-and-bounds, or latitude and longitude.

Maximum ultimate economic recovery has the same meaning as defined in 43 CFR 3160.0-5.

Mishandling means failing to measure or account for removal of production from a facility.

Payout period means the time required, in months, for the cost of an investment in an oil or gas FMP for a specific lease, unit PA, or CA to be covered by the nominal revenue earned from crude oil production, for an oil FMP, or natural gas production, for a gas FMP, minus taxes, royalties, and any operating and variable costs. The payout period is determined separately for each oil or gas FMP for a given lease, unit PA, or CA.

Permanent measurement facility means all equipment constructed or installed and used on-site for 6 months or longer, for the purpose of determining the quantity, quality, or storage of production, and which meets the definition of FMP under §3170.3.

Piping means a tubular system (e.g., metallic, plastic, fiberglass, or rubber) used to move fluids (liquids and gases).

Production phase means that event during which oil is delivered directly to or through production equipment to the storage facilities and includes all operations at the facility other than those defined by the sales phase.

Royalty Net Present Value (RNPV) means the net present value of all Federal or Indian royalties paid on revenue earned from crude oil production or natural gas production from an oil or gas FMP for a given lease, unit PA, or CA over the expected life of metering equipment that must be installed for that lease, unit PA, or CA to achieve non-commingled measurement.

Sales phase means that event during which oil is removed from storage facilities for sale at an FMP.

Seal means a uniquely numbered device that completely secures either a valve or those components of a measuring system that affect the quality or quantity of the oil being measured.

(b) As used in this subpart, the following additional acronyms apply:

BIA means the Bureau of Indian Affairs.

BMP means Best Management Practice.

 Back to Top

§3173.2   Storage and sales facilities—seals.

(a) All lines entering or leaving any oil storage tank must have valves capable of being effectively sealed during the production and sales phases unless otherwise provided under this subpart. During the production phase, all appropriate valves that allow unmeasured production to be removed from storage must be effectively sealed in the closed position. During any other phase (sales, water drain, or hot oiling), and prior to taking the top tank gauge measurement, all appropriate valves that allow unmeasured production to enter or leave the sales tank must be effectively sealed in the closed position (see Appendix A to subpart 3173). Each unsealed or ineffectively sealed appropriate valve is a separate violation.

(b) Valves or combinations of valves and tanks that provide access to the production before it is measured for sales are considered appropriate valves and are subject to the seal requirements of this subpart (see Appendix A to subpart 3173). If there is more than one valve on a line from a tank, the valve closest to the tank must be sealed. All appropriate valves must be in an operable condition and accurately reflect whether the valve is open or closed.

(c) The following are not considered appropriate valves and are not subject to the sealing requirements of this subpart:

(1) Valves on production equipment (e.g., separator, dehydrator, gun barrel, or wash tank);

(2) Valves on water tanks, provided that the possibility of access to production in the sales and storage tanks does not exist through a common circulating, drain, overflow, or equalizer system;

(3) Valves on tanks that contain oil that has been determined by the AO or AR to be waste or slop oil;

(4) Sample cock valves used on piping or tanks with a Nominal Pipe Size of 1 inch or less in diameter;

(5) Fill-line valves during shipment when a single tank with a nominal capacity of 500 barrels (bbl) or less is used for collecting marginal production of oil produced from a single well (i.e., production that is less than 3 bbl per day). All other seal requirements of this subpart apply;

(6) Gas line valves used on piping with a Nominal Pipe Size of 1 inch or less used as tank bottom “roll” lines, provided there is no access to the contents of the storage tank and the roll lines cannot be used as equalizer lines;

(7) Valves on tank heating systems that use a fluid other than the contents of the storage tank (i.e., steam, water, or glycol);

(8) Valves used on piping with a Nominal Pipe Size of 1 inch or less connected directly to the pump body or used on pump bleed off lines;

(9) Tank vent-line valves; and

(10) Sales, equalizer, or fill-line valves on systems where production may be removed only through approved oil metering systems (e.g., LACT or CMS). However, any valve that allows access for removing oil before it is measured through the metering system must be effectively sealed (see Appendix A to subpart 3173).

(d) Tampering with any appropriate valve is prohibited. Tampering with an appropriate valve may result in an assessment of civil penalties for knowingly or willfully preparing, maintaining, or submitting false, inaccurate, or misleading reports, records, or written information under 30 U.S.C. 1719(d)(1) and 43 CFR 3163.2(f)(1), or knowingly or willfully taking, removing, transporting, using, or diverting oil or gas from a lease site without valid legal authority under 30 U.S.C. 1719(d)(2) and 43 CFR 3163.2(f)(2), together with any other remedies provided by law.

 Back to Top

§3173.3   Oil measurement system components—seals.

(a) Components used for quantity or quality determination of oil must be effectively sealed to indicate tampering, including, but not limited to, the following components of LACT meters (see §3174.8(a)) and CMSs (see §3174.9(e)):

(1) Sample probe;

(2) Sampler volume control;

(3) All valves on lines entering or leaving the sample container, excluding the safety pop-off valve (if so equipped). Each valve must be sealed in the open or closed position, as appropriate;

(4) Meter assembly, including the counter head and meter head;

(5) Temperature averager;

(6) LACT meters or CMS;

(7) Back pressure valve pressure adjustment downstream of the meter;

(8) Any drain valves in the system;

(9) Manual-sampling valves (if so equipped);

(10) Valves on diverter lines larger than 1 inch in nominal diameter;

(11) Right-angle drive;

(12) Totalizer; and

(13) Prover connections.

(b) Each missing or ineffectively sealed component is a separate violation.

 Back to Top

§3173.4   Federal seals.

(a) In addition to any INC issued for a seal violation, the AO or AR may place one or more Federal seals on any appropriate valve, sealing device, or oil-metering-system component that does not comply with the requirements in §§3173.2 and 3173.3 if the operator is not present, refuses to cooperate with the AO or AR, or is unable to correct the noncompliance.

(b) The placement of a Federal seal does not constitute compliance with the requirements of §§3173.2 and 3173.3.

(c) A Federal seal may not be removed without the approval of the AO or AR.

 Back to Top

§3173.5   Removing production from tanks for sale and transportation by truck.

(a) When a single truck load constitutes a completed sale, the driver must possess documentation containing the information required in §3174.12.

(b) When multiple truckloads are involved in a sale and the oil measurement method is based on the difference between the opening and closing gauges, the driver of the last truck must possess the documentation containing the information required in §3174.12. All other drivers involved in the sale must possess a trip log or manifest.

(c) After the seals have been broken, the purchaser or transporter is responsible for the entire contents of the tank until it is resealed.

 Back to Top

§3173.6   Water-draining operations.

When water is drained from a production storage tank, the operator, purchaser, or transporter, as appropriate, must document the following information:

(a) Federal or Indian lease, unit PA, or CA number(s);

(b) The tank location by land description;

(c) The unique tank number and nominal capacity;

(d) Date of the opening gauge;

(e) Opening gauge (gauged manually or automatically), TOV, and free-water measurements, all to the nearest 12 inch;

(f) Unique identifying number of each seal removed;

(g) Closing gauge (gauged manually or automatically) and TOV measurement to the nearest 12 inch; and

(h) Unique identifying number of each seal installed.

 Back to Top

§3173.7   Hot oiling, clean-up, and completion operations.

(a) During hot oil, clean-up, or completion operations, or any other situation where the operator removes oil from storage, temporarily uses it for operational purposes, and then returns it to storage on the same lease, unit PA, or communitized area, the operator must document the following information:

(1) Federal or Indian lease, unit PA, or CA number(s);

(2) Tank location by land description;

(3) Unique tank number and nominal capacity;

(4) Date of the opening gauge;

(5) Opening gauge measurement (gauged manually or automatically) to the nearest 12 inch;

(6) Unique identifying number of each seal removed;

(7) Closing gauge measurement (gauged manually or automatically) to the nearest 12 inch;

(8) Unique identifying number of each seal installed;

(9) How the oil was used; and

(10) Where the oil was used (i.e., well or facility name and number).

(b) During hot oiling, line flushing, or completion operations or any other situation where the operator removes production from storage for use on a different lease, unit PA, or communtized area, the production is considered sold and must be measured in accordance with the applicable requirements of this subpart and reported as sold to ONRR on the OGOR under 30 CFR part 1210 subpart C for the period covering the production in question.

 Back to Top

§3173.8   Report of theft or mishandling of production.

(a) No later than the next business day after discovery of an incident of apparent theft or mishandling of production, the operator, purchaser, or transporter must report the incident to the AO. All oral reports must be followed up with a written incident report within 10 business days of the oral report.

(b) The incident report must include the following information:

(1) Company name and name of the person reporting the incident;

(2) Lease, unit PA, or CA number, well or facility name and number, and FMP number, as appropriate;

(3) Land description of the facility location where the incident occurred;

(4) The estimated volume of production removed;

(5) The manner in which access was obtained to the production or how the mishandling occurred;

(6) The name of the person who discovered the incident;

(7) The date and time of the discovery of the incident; and

(8) Whether the incident was reported to local law enforcement agencies and/or company security.

 Back to Top

§3173.9   Required recordkeeping for inventory and seal records.

(a) The operator must perform an end-of-month inventory (gauged manually or automatically) that records: TOV in storage (measured to the nearest 12 inch) subtracting free water, the volume not corrected for temperature/S&W, and the volume as reported to ONRR on the OGOR;

(1) The end-of-month inventory must be completed within ± 3 days of the last day of the calendar month; or

(2) The end of month inventory must be a calculated “end of month” inventory based on daily production that takes place between two measured inventories that are not more than 31, nor fewer than 20, days apart. The calculated monthly inventory is determined based on the following equation:

{[(X + Y − W)/Z1] * Z2} + X = A,

Where:

A = calculated end of month inventory;

W = first inventory measurement;

X = second inventory measurement;

Y = gross sales volume between the first and second inventory;

Z1 = number of actual days produced between the first and second inventory; and

Z2 = number of actual days produced between the second inventory and end of calendar month for which the OGOR report is due.

For example: If the first inventory measurement performed on January 12 is 125 bbl, the second inventory measurement performed on February 10 is 150 bbl, the gross sales volume between the first and second inventory is 198 bbl, and February is the calendar month for which the report is due. For purposes of this example, we assume February had 28 days and that the well was non-producing for two of those days.

{[(150 bbl + 198 bbl − 125 bbl)/29 days] * 16 days} + 150 bbl = 273 bbl for the February end-of-month inventory.

(b) For each seal, the operator must maintain a record that includes:

(1) The unique identifying number of each seal and the valve or meter component on which the seal is or was used;

(2) The date of installation or removal of each seal;

(3) For valves, the position (open or closed) in which it was sealed; and

(4) The reason the seal was removed.

 Back to Top

§3173.10   Form 3160-5, Sundry Notices and Reports on Wells.

(a) The operator must submit a Form 3160-5, Sundry Notices and Reports on Wells (Sundry Notice) for the following:

(1) Site facility diagrams (see §3173.11);

(2) Request for an FMP number (see §3173.12);

(3) Request for FMP amendments (see §3173.13(b));

(4) Requests for approval of off-lease measurement (see §3173.23);

(5) Request to amend an approval of off-lease measurement (see §3173.23(k));

(6) Requests for approval of CAAs (see §3173.15); and

(7) Request to modify a CAA (see §3173.18).

(b) The operator must submit all Sundry Notices electronically to the BLM office having jurisdiction over the lease, unit, or CA using WIS, unless the submitter:

(1) Is a small business, as defined by the U.S. Small Business Administration; and

(2) Does not have access to the Internet.

 Back to Top

§3173.11   Site facility diagram.

(a) A site facility diagram is required for all facilities.

(b) Except for the requirement to submit a Form 3160-5, Sundry Notice, with the site facility diagram, no format is prescribed for site facility diagrams. The diagram should be formatted to fit on an 812 x 11 sheet of paper, if possible, and must be legible and comprehensible to an individual with an ordinary working knowledge of oil field operations (see Appendix A to subpart 3173). If more than one page is required, each page must be numbered (in the format “N of X pages”).

(c) The diagram must:

(1) Reflect the position of the production and water recovery equipment, piping for oil, gas, and water, and metering or other measuring systems in relation to each other, but need not be to scale;

(2) Commencing with the header, identify all of the equipment, including, but not limited to, the header, wellhead, piping, tanks, and metering systems located on the site, and include the appropriate valves and any other equipment used in the handling, conditioning, or disposal of production and water, and indicate the direction of flow;

(3) Identify by API number the wells flowing into headers;

(4) If another operator operates a co-located facility, depict the co-located facility(ies) on the diagram or list them as an attachment and identify them by company name, facility name(s), lease, unit PA, or CA number(s), and FMP number(s);

(5) Indicate which valve(s) must be sealed and in what position during the production and sales phases and during the conduct of other production activities (e.g., circulating tanks or drawing off water), which may be shown by an attachment, if necessary;

(6) When describing co-located facilities operated by one operator, include a skeleton diagram of the co-located facility(ies), showing equipment only. For storage facilities common to co-located facilities operated by one operator, one diagram is sufficient;

(7) Clearly identify the lease, unit PA, or CA to which the diagram applies, the land description of the facility, and the name of the company submitting the diagram, with co-located facilities being identified for each lease, unit PA, or CA;

(8) Clearly identify, on the diagram or as an attachment, all meters and measurement equipment. Specifically identify all approved and assigned FMPs; and

(9) If the operator claims royalty-free use, clearly identify the equipment for which the operator claims royalty-free use. The operator must either:

(i) For each engine, motor, or major component (e.g., compressor, separator, dehydrator, heater-treater, or tank heater) powered by production from the lease, unit PA, or CA, state the volume (oil or gas) consumed (per day or per month) and how the volume is determined; or

(ii) Measure the volume used, by meter or tank gauge.

(d) At facilities for which the BLM will assign an FMP number under §3173.12, the operator must submit a new site facility diagram as follows:

(1) For facilities that become operational after January 17, 2017, within 30 days after the BLM assigns an FMP; or

(2) For a facility that is in service on or before January 17, 2017, and that has a site facility diagram on file with the BLM that meets the minimum requirements of Onshore Oil and Gas Order 3, Site Security, an amended site facility diagram meeting the requirements of this section is not due until 30 days after the existing facility is modified, a non-Federal facility located on a Federal lease or federally approved unit or communitized area is constructed or modified, or there is a change in operator.

(e) At facilities for which an FMP number is not required under §3173.12 (e.g., facilities that dispose of produced water), the operator must submit a new site facility diagram as follows:

(1) For new facilities in service after January 17, 2017, the new site facility diagram must be submitted within 30 days after the facility becomes operational; or

(2) For a facility that is in service on or before January 17, 2017, and that has a site facility diagram on file with the BLM that meets the minimum requirements of Onshore Oil and Gas Order 3, Site Security, an amended site facility diagram meeting the requirements of this section is not due until 30 days after the existing facility is modified, a non-Federal facility located on a Federal lease or federally approved unit or communitized area is constructed or modified, or there is a change in operator.

(f) After a site facility diagram has been submitted that complies with the requirements of this part, the operator has an ongoing obligation to update and amend the diagram within 30 days after such facility is modified, a non-Federal facility located on a Federal lease or federally approved unit or communitized area is constructed or modified, or there is a change in operator.

 Back to Top

§3173.12   Applying for a facility measurement point.

(a)(1) Unless otherwise approved, the FMP(s) for all Federal and Indian leases, unit PAs, or CAs must be located within the boundaries of the lease, unit, or communitized area from which the production originated and must measure only production from that lease, unit PA, or CA.

(2) Off-lease measurement or commingling and allocation of Federal or Indian production requires prior approval (see 43 CFR 3162.7-2, 3162.7-3, 3173.15, 3173.16, 3173.24, and 3173.25).

(b) The BLM will not approve as an FMP a gas processing plant tailgate meter located off the lease, unit, or communitized area.

(c) The operator must submit separate applications for approval of an FMP that measures oil produced from a lease, unit PA, or CA, or under a CAA that complies with the requirements of this subpart, and an FMP that measures gas produced from the same lease, unit PA, or CA, or under a CAA that complies with the requirements of this subpart. This requirement applies even if the measurement equipment or facilities are at the same location.

(d) For a permanent measurement facility that comes into service after January 17, 2017, the operator must apply for approval of the FMP before any production leaves the permanent measurement facility. This requirement does not apply to temporary measurement equipment used during well testing operations. After timely submission and prior to approval of an FMP request, an operator must use the lease, unit PA, or CA number for reporting production to ONRR, until the BLM assigns an FMP number, at which point the operator must use the FMP number for all reporting to ONRR as set forth in §3173.13.

(e) For a permanent measurement facility in service on or before January 17, 2017, the operator must apply for BLM approval of an FMP within the time prescribed in this paragraph, based on the production level of any one of the leases, unit PAs, or CAs, whether or not they are part of a CAA. The deadline to apply for an FMP approval applies to both oil and gas measurement facilities measuring production from that lease, unit PA, or CA.

(1) For a stand-alone lease, unit PA, or CA that produced 10,000 Mcf or more of gas per month or 100 bbl or more of oil per month, by January 17, 2018.

(2) For a stand-alone lease, unit PA, or CA that produced 1,500 Mcf or more, but less than 10,000 Mcf of gas per month, or 10 bbl or more, but less than 100 bbl of oil per month, by January 17, 2019.

(3) For a stand-alone lease, unit PA, or CA that produced less than 1,500 Mcf of gas per month or less than 10 bbl of oil per month, January 17, 2020.

(4) For a stand-alone lease, unit PA, or CA that has not produced for a year or more before January 17, 2017, the operator must apply for an FMP prior to the resumption of production.

(5) The production levels identified in paragraphs (e)(1) through (3) of this section should be calculated using the average production of oil or gas over the 12 months preceding the effective date of this section or over the period the lease, unit PA, or CA has been in production, whichever is shorter.

(6) If the operator of any facility covered by this section applies for an FMP approval by the deadline in this paragraph, the operator may continue using the lease, unit PA, or CA number for reporting production to ONRR, until the BLM's assigns an FMP number, at which point the operator must use the FMP number for all reporting to ONRR as set forth in §3173.13.

(7) If the operator fails to apply for an FMP approval by the deadline in this paragraph, the operator will be subject to an INC and may also be subject to an assessment of a civil penalty under 43 CFR part 3160, subpart 3163, together with any other remedy available under applicable law or regulation.

(f) All requests for FMP approval must include the following:

(1) A complete Sundry Notice requesting approval of each FMP;

(2) The applicable Measurement Type Code specified in WIS;

(3) Information about the equipment used for oil and gas measurement, including, for:

(i) “Gas measurement,” specify operator/purchaser/transporter unique station number, primary element (meter tube) size or serial number, and type of secondary device (mechanical or electronic);

(ii) “Oil measurement by tank gauge,” specify oil tank number or tank serial number and size in barrels or gallons for all tanks associated with measurement at an FMP; and

(iii) “Oil measurement by LACT or CMS,” specify whether the equipment is LACT or CMS and the associated oil tank number or tank serial number and size in barrels or gallons (there may be more than one tank associated with an FMP);

(4) Where production from more than one well will flow to the requested FMP, list the API well numbers associated with the FMP; and

(5) FMP location by land description.

(g) Request for approval of an FMP may be submitted concurrently with separate requests for off-lease measurement and/or CAA.

 Back to Top

§3173.13   Requirements for approved facility measurement points.

(a) For an existing facility in service on or before January 17, 2017, an operator must start using an FMP number for reporting production to ONRR on its OGOR for the fourth production month after the BLM assigns the FMP number(s), and every month thereafter. (For example, for a facility that is assigned an FMP number on January 15, 2016, the effective date of the FMP is the May production report.) For a new facility in service after January 17, 2017, an operator must start using an FMP number for reporting production to ONRR on its OGOR for the first production month after the BLM assigns the FMP number(s), and every month thereafter. (For example, for a facility that is assigned an FMP number on January 15, 2016, the effective date of the FMP is the February production report.)

(b)(1) The operator must file a Sundry Notice that describes any changes or modifications made to the FMP within 30 days after the change. This requirement does not apply to temporary modifications (e.g., for maintenance purposes). These include any changes and modifications to the information listed on an application submitted under §3173.12.

(2) The description must include details such as the primary element, secondary element, LACT/CMS meter, tank number(s), and wells or facilities using the FMP.

(3) The Sundry Notice must specify what was changed and the effective date, and include, if appropriate, an amended site facility diagram (see §3173.11).

 Back to Top

§3173.14   Conditions for commingling and allocation approval (surface and downhole).

(a) Subject to the exceptions provided in paragraph (b) of this section, the BLM may grant a CAA only if the proposed allocation method used for any such commingled measurement does not have the potential to affect the determination of the total volume or quality of production on which royalty owed is determined for all the Federal or Indian leases, unit PAs, or CAs which are proposed for commingling, and only if the following criteria are met:

(1) The proposed commingling includes production from more than one:

(i) Federal lease, unit PA, or CA, where each lease, unit PA, or CA proposed for commingling has 100 percent Federal mineral interest, the same fixed royalty rate and, and the same revenue distribution;

(ii) Indian tribal lease, unit PA, or CA, where each lease, unit PA, or CA proposed for commingling is wholly owned by the same tribe and has the same fixed royalty rate;

(iii) Federal unit PA or CA where each unit PA or CA proposed for commingling has the same proportion of Federal interest, and which interest is subject to the same fixed royalty rate and revenue distribution. (For example, the BLM could approve a commingling request under this paragraph where an operator proposes to commingle two Federal CAs of mixed ownership and both CAs are 50 percent Federal/50 percent private, so long as the Federal interests have the same royalty rates and royalty distributions.); or

(iv) Indian unit PA or CA where each unit PA or CA proposed for commingling has the same proportion of Indian interests, and which interest is held by the same tribe and has the same fixed royalty rate; and

(2) The operator or operators provide a methodology acceptable to BLM for allocation among the properties from which production is to be commingled (including a method for allocating produced water), with a signed agreement if there is more than one operator;

(3) For each of the leases, unit PAs, or CAs proposed for inclusion in the CAA, the applicant demonstrates to the AO that a lease, unit PA, or CA proposed for inclusion is producing in paying quantities (or, in the case of Federal leases, capable of production in paying quantities) pending approval of the CAA; and

(4) The FMP(s) for the proposed CAA measure production originating only from the leases, unit PAs, or CAs in the CAA.

(b) The BLM may also approve a CAA in instances where the proposed commingling of production involves production from Federal or Indian leases, unit PAs, or CAs that do not meet the criteria of paragraph (a)(1) of this section (e.g., the commingling of leases, unit PAs, or CAs with different royalty rates or different distributions of revenue, or where the commingling involves multiple mineral ownerships). In order to be approved, a CAA under this subparagraph must meet the requirements of paragraphs (a)(2) through (4) of this section and at least one of the following conditions:

(1) The Federal or Indian lease, unit PA, or CA meets the definition of an economically marginal property. However, if the BLM determines that a Federal or Indian lease, unit PA, or CA included in a CAA ceases to be an economically marginal property, then this condition is no longer met;

(2) The average monthly production over the preceding 12 months for each Federal or Indian lease, unit PA, or CA proposed for the CAA on an individual basis is less than 1,000 Mcf of gas per month, or 100 bbl of oil per month;

(3) A CAA that includes Indian leases, unit PAs, or CAs has been authorized under tribal law or otherwise approved by a tribe;

(4) The CAA covers the downhole commingling of production from multiple formations that are covered by separate leases, unit PAs, or CAs, where the BLM has determined that the proposed commingling from those formations is an acceptable practice for the purpose of achieving maximum ultimate economic recovery and resource conservation; or

(5) There are overriding considerations that indicate the BLM should approve a commingling application in the public interest notwithstanding potential negative royalty impacts from the allocation method. Such considerations could include topographic or other environmental considerations that make non-commingled measurement physically impractical or undesirable, in view of where additional measurement and related equipment necessary to achieve non-commingled measurement would have to be located.

 Back to Top

§3173.15   Applying for a commingling and allocation approval.

To apply for a CAA, the operator(s) must submit the following, if applicable, to the BLM office having jurisdiction over the leases, unit PAs, or CAs from which production is proposed to be commingled:

(a) A completed Sundry Notice for approval of commingling and allocation (if off-lease measurement is a feature of the commingling and allocation proposal, then a separate Sundry Notice under §3173.23 is not necessary as long as the information required under §3173.23(b) through (e) and, where applicable, §3173.23(f) through (i) is included as part of the request for approval of commingling and allocation);

(b) A completed Sundry Notice for approval of off-lease measurement under §3173.23, if any of the proposed FMPs are outside the boundaries of any of the leases, units, or CAs from which production would be commingled (which may be included in the same Sundry Notice as the request for approval of commingling and allocation), except as provided in paragraph (a) of this section;

(c) A proposed allocation agreement, including an allocation methodology (including allocation of produced water), with an example of how the methodology is applied, signed by each operator of each of the leases, unit PAs, or CAs from which production would be included in the CAA;

(d) A list of all Federal or Indian lease, unit PA, or CA numbers in the proposed CAA, specifying the type of production (i.e., oil, gas, or both) for which commingling is requested;

(e) A topographic map or maps of appropriate scale showing the following:

(1) The boundaries of all the leases, units, unit PAs, or communitized areas whose production is proposed to be commingled; and

(2) The location of existing or planned facilities and the relative location of all wellheads (including the API number) and piping included in the CAA, and existing FMPs or FMPs proposed to be installed to the extent known or anticipated;

(f) A surface use plan of operations (which may be included in the same Sundry Notice as the request for approval of commingling and allocation) if new surface disturbance is proposed for the FMP and its associated facilities are located on BLM-managed land within the boundaries of the lease, units, and communitized areas from which production would be commingled;

(g) A right-of-way grant application (Standard Form 299), filed under 43 CFR part 2880, if the proposed FMP is on a pipeline, or under 43 CFR part 2800, if the proposed FMP is a meter or storage tank. This requirement applies only when new surface disturbance is proposed for the FMP, and its associated facilities are located on BLM-managed land outside any of the leases, units, or communitized areas whose production would be commingled;

(h) Written approval from the appropriate surface-management agency, if new surface disturbance is proposed for the FMP and its associated facilities are located on Federal land managed by an agency other than the BLM;

(i) A right-of-way grant application for the proposed FMP, filed under 25 CFR part 169, with the appropriate BIA office, if any of the proposed surface facilities are on Indian land outside the lease, unit, or communitized area from which the production would be commingled;

(j) Documentation demonstrating that each of the leases, unit PAs, or CAs proposed for inclusion in the CAA is producing in paying quantities (or, in the case of Federal leases, is capable of production in paying quantities) pending approval of the CAA; and

(k) All gas analyses, including Btu content (if the CAA request includes gas) and all oil gravities (if the CAA request includes oil) for previous periods of production from the leases, units, unit PAs, or communitized areas proposed for inclusion in the CAA, up to 6 years before the date of the application for approval of the CAA. Gas analysis and oil gravity data is not needed if the CAA falls under §3173.14(a)(1).

 Back to Top

§3173.16   Existing commingling and allocation approvals.

Upon receipt of an operator's request for assignment of an FMP number to a facility associated with a CAA existing on January 17, 2017, the AO will review the existing CAA and take the following action:

(a) The AO will grandfather the existing CAA and associated off-lease measurement, where applicable, if the existing CAA meets one of the following conditions:

(1) The existing CAA involves downhole commingling that includes Federal or Indian leases, unit PAs, or CAs; or

(2) The existing CAA is for surface commingling and the average production rate over the previous 12 months for each Federal or Indian lease, unit PA, and CA included in the CAA is:

(i) Less than 1,000 Mcf per month for gas; or

(ii) Less than 100 bbl per month for oil.

(b) If the existing CAA does not meet the conditions of paragraphs (a)(1) or (a)(2) of this section, the AO will review the CAA for consistency with the minimum standards and requirements for a CAA under §3173.14.

(1) The AO will notify the operator in writing of any inconsistencies or deficiencies with an existing CAA. The operator must correct any inconsistencies or deficiencies that the AO identifies, provide the additional information that the AO has requested, or request an extension of time from the AO, within 20 business days after receipt of the AO's notice. When the AO is satisfied that the operator has corrected any inconsistencies or deficiencies, the AO will terminate the existing CAA and grant a new CAA based on the operator's corrections.

(2) The AO may terminate the existing CAA and grant a new CAA with new or amended COAs to make the approval consistent with the requirements under §3173.14 in connection with approving the requested FMP. If the operator appeals any COAs of the new CAA, the existing CAA approval will continue in effect during the pendency of the appeal.

(3) If the existing CAA does not meet the standards and requirements of §3173.14 and the operator does not correct the deficiencies, the AO may terminate the existing CAA under §3173.20 and deny the request for an FMP number for the facility associated with the existing CAA.

(c) If the AO grants a new CAA to replace an existing CAA under paragraph (b) of this section, the new CAA is effective on the first day of the month following its approval. Any new allocation percentages resulting from the new CAA will apply from the effective date of the CAA forward.

 Back to Top

§3173.17   Relationship of a commingling and allocation approval to royalty-free use of production.

A CAA does not constitute approval of off-lease royalty-free use of production as fuel in facilities located at an FMP approved under the CAA.

 Back to Top

§3173.18   Modification of a commingling and allocation approval.

(a) A CAA must be modified when there is:

(1) A modification to the allocation agreement;

(2) Inclusion of additional leases, unit PAs, or CAs are proposed in the CAA; or

(3) Termination of or permanent production cessation from any of the leases, unit PAs, or CAs within the CAA.

(b) To request a modification of a CAA, all operators must submit to the AO:

(1) A completed Sundry Notice describing the modification requested;

(2) A new allocation methodology, including an allocation methodology which includes allocation of produced water and an example of how the methodology is applied, if appropriate; and

(3) Certification by each operator in the CAA that it agrees to the CAA modification.

(c) A change in operator does not trigger the need to modify a CAA.

 Back to Top

§3173.19   Effective date of a commingling and allocation approval.

(a) If the BLM approves a CAA, the effective date of the CAA is the first day of the month following first production through the FMPs for the CAA.

(b) If the BLM approves a modification, the effective date is the first day of the month following approval of the modification.

(c) A CAA does not modify any of the terms of the leases, units, or CAs covered by the CAA.

 Back to Top

§3173.20   Terminating a commingling and allocation approval.

(a) The AO may terminate a CAA for any reason, including, but not limited to, the following:

(1) Changes in technology, regulation, or BLM policy;

(2) Operator non-compliance with the terms or COAs of the CAA or this subpart; or

(3) The AO determines that a lease, unit, or CA subject to the CAA has terminated, or a unit PA subject to the CAA has ceased production.

(b) If only one lease, unit PA, or CA remains subject to the CAA, the CAA terminates automatically.

(c) An operator may terminate its participation in a CAA by submitting a Sundry Notice to the BLM. The Sundry Notice must identify the FMP(s) for the lease(s), unit PA(s), or CA(s) previously subject to the CAA. Termination by one operator does not mean the CAA terminates as to all other participating operators, so long as one of the other provisions of this subpart is met and the remaining operators submit a Sundry Notice requesting a new CAA as outlined in paragraph (e) of this section.

(d) The AO will notify in writing all operators who are a party to the CAA of the effective date of the termination and any inconsistencies or deficiencies with their CAA approval that serve as the reason(s) for termination. The operator must correct any inconsistencies or deficiencies that the AO identifies, provide the additional information that the AO has requested, or request an extension of time from the AO, within 20 business days after receipt of the BLM's notice, or the CAA is terminated.

(e) If a CAA is terminated, each lease, unit PA, or CA that was included in the CAA may require a new FMP number(s) or a new CAA. Operators will have 30 days to apply for a new FMP number (§3173.12) or CAA (§3173.15), if applicable. The existing FMP number may be used for production reporting until a new FMP number is assigned or CAA is approved.

 Back to Top

§3173.21   Combining production downhole in certain circumstances.

(a)(1) Combining production from a single well drilled into different hydrocarbon pools or geologic formations (e.g., a directional well) underlying separate adjacent properties (whether Federal, Indian, State, or private), where none of the hydrocarbon pools or geologic formations underlie or are common to more than one of the respective properties, constitutes commingling for purposes of §§3173.14 through 3173.20.

(2) If any of the hydrocarbon pools or geologic formations underlie or are common to more than one of the properties, the operator must establish a unit PA (see 43 CFR part 3180) or CA (see 43 CFR 3105.2-1-3105.2-3), as applicable, rather than applying for a CAA.

(b) Combining production downhole from different geologic formations on the same lease, unit PA, or CA in a single well requires approval of the AO (see 43 CFR 3162.3-2), but it is not considered commingling for production accounting purposes.

 Back to Top

§3173.22   Requirements for off-lease measurement.

The BLM will consider granting a request for off-lease measurement if the request:

(a) Involves only production from a single lease, unit PA, CA, or CAA;

(b) Provides for accurate production accountability;

(c) Is in the public interest (considering factors such as BMPs, topographic and environmental conditions that make on-lease measurement physically impractical, and maximum ultimate economic recovery); and

(d) Occurs at an approved FMP. A request for approval of an FMP (see §3173.12) may be filed concurrently with the request for off-lease measurement.

 Back to Top

§3173.23   Applying for off-lease measurement.

To apply for approval of off-lease measurement, the operator must submit the following to the BLM office having jurisdiction over the leases, units, or communitized areas:

(a) A completed Sundry Notice;

(b) Justification for off-lease measurement (considering factors such as BMPs, topographic and environmental issues, and maximum ultimate economic recovery);

(c) A topographic map or maps of appropriate scale showing the following:

(1) The boundary of the lease, unit, unit PA, or communitized area from which the production originates; and

(2) The location of existing or planned facilities and the relative location of all wellheads (including the API number for each well) and piping included in the off-lease measurement proposal, and existing FMPs or FMPs proposed to be installed to the extent known or anticipated;

(d) The surface ownership of all land on which equipment is, or is proposed to be, located;

(e) If any of the proposed off-lease measurement facilities are located on non-federally owned surface, a written concurrence signed by the owner(s) of the surface and the owner(s) of the measurement facilities, including each owner's name, address, and telephone number, granting the BLM unrestricted access to the off-lease measurement facility and the surface on which it is located, for the purpose of inspecting any production, measurement, water handling, or transportation equipment located on the non-Federal surface up to and including the FMP, and for otherwise verifying production accountability. If the ownership of the non-Federal surface or of the measurement facility changes, the operator must obtain and provide to the AO the written concurrence required under this paragraph from the new owner(s) within 30 days of the change in ownership;

(f) A right-of-way grant application (Standard Form 299), filed under 43 CFR part 2880, if the proposed off-lease FMP is on a pipeline, or under 43 CFR part 2800, if the proposed off-lease FMP is a meter or storage tank. This requirement applies only when new surface disturbance is proposed for the FMP and its associated facilities are located on BLM-managed land;

(g) A right-of-way grant application, filed under 25 CFR part 169 with the appropriate BIA office, if any of the proposed surface facilities are on Indian land outside the lease, unit, or communitized area from which the production originated;

(h) Written approval from the appropriate surface-management agency, if new surface disturbance is proposed for the FMP and its associated facilities are located on Federal land managed by an agency other than the BLM;

(i) An application for approval of off-lease royalty-free use (if required under applicable rules), if the operator proposes to use production from the lease, unit, or CA as fuel at the off-lease measurement facility without payment of royalty;

(j) A statement that indicates whether the proposal includes all, or only a portion of, the production from the lease, unit, or CA. (For example, gas, but not oil, could be proposed for off-lease measurement.) If the proposal includes only a portion of the production, identify the FMP(s) where the remainder of the production from the lease, unit, or CA is measured or is proposed to be measured; and

(k) If the operator is applying for an amendment of an existing approval of off-lease measurement, the operator must submit a completed Sundry Notice required under paragraph (a) of this section, and information required under paragraphs (b) through (j) of this section to the extent the information previously submitted has changed.

 Back to Top

§3173.24   Effective date of an off-lease measurement approval.

If the BLM approves off-lease measurement, the approval is effective on the date that the approval is issued, unless the approval specifies a different effective date.

 Back to Top

§3173.25   Existing approved off-lease measurement.

(a) Upon receipt of an operator's request for assignment of an FMP number to a facility associated with an off-lease measurement approval existing on January 17, 2017, the AO will review the existing approved off-lease measurement for consistency with the minimum standards and requirements for an off-lease measurement approval under §3173.22. The AO will notify the operator in writing of any inconsistencies or deficiencies.

(b) The operator must correct any inconsistencies or deficiencies that the AO identifies, provide any additional information the AO requests, or request an extension of time from the AO, within 20 business days after receipt of the AO's notice. The extension request must explain the factors that will prevent the operator from complying within 20 days and provide a timeframe under which the operator can comply.

(c) The AO may terminate the existing off-lease measurement approval and grant a new off-lease measurement approval with new or amended COAs to make the approval consistent with the requirements for off-lease measurement under §3173.22 in connection with approving the requested FMP. If the operator appeals the new off-lease measurement approval, the existing off-lease measurement approval will continue in effect during the pendency of the appeal.

(d) If the existing off-lease measurement approval does not meet the standards and requirements of §3173.22 and the operator does not correct the deficiencies, the AO may terminate the existing off-lease measurement approval under §3173.27 and deny the request for an FMP number for the facility associated with the existing off-lease measurement approval.

(e) If the existing off-lease measurement approval under this section is consistent with the requirements under §3173.22, then that existing off-lease measurement is grandfathered and will be part of its FMP approval.

(f) If the BLM grants a new off-lease measurement approval to replace an existing off-lease measurement approval, the new approval is effective on the first day of the month following its approval.

 Back to Top

§3173.26   Relationship of off-lease measurement approval to royalty-free use of production.

Approval of off-lease measurement does not constitute approval of off-lease royalty-free use of production as fuel in facilities located at an FMP approved under the off-lease measurement approval.

 Back to Top

§3173.27   Termination of off-lease measurement approval.

(a) The BLM may terminate off-lease measurement approval for any reason, including, but not limited to, the following:

(1) Changes in technology, regulation, or BLM policy; or

(2) Operator non-compliance with the terms or conditions of approval of the off-lease measurement approval or §§3173.22 through 3173.26.

(b) The BLM will notify the operator in writing of the effective date of the termination and any inconsistencies or deficiencies with its off-lease measurement approval that serve as the reason(s) for termination. The operator must correct any inconsistencies or deficiencies that the BLM identifies, provide any additional information the AO requests, or request an extension of time from the AO within 20 business days after receipt of the BLM's notice, or the off lease measurement approval terminates on the effective date.

(c) The operator may terminate the off-lease measurement by submitting a Sundry Notice to the BLM. The Sundry Notice must identify the new FMP(s) for the lease(s), unit(s), or CA(s) previously subject to the off-lease measurement approval.

(d) If off-lease measurement is terminated, each lease, unit PA, or CA that was subject to the off-lease measurement approval may require a new FMP number(s) or a new off-lease measurement approval. Operators will have 30 days to apply for a new FMP number or off-lease measurement approval, whichever is applicable. The existing FMP number may be used for production reporting until a new FMP number is assigned or off-lease measurement is approved.

 Back to Top

§3173.28   Instances not constituting off-lease measurement, for which no approval is required.

(a) If the approved FMP is located on the well pad of a directionally or horizontally drilled well that produces oil and gas from a lease, unit, or communitized area on which the well pad is not located, measurement at the FMP does not constitute off-lease measurement. However, if the FMP is located off of the well pad, regardless of distance, measurement at the FMP constitutes off-lease measurement, and BLM approval is required under §§3173.22 through 3173.26.

(b) If a lease, unit, or CA consists of more than one separate tract whose boundaries are not contiguous (e.g., a single lease comprises two or more separate tracts), measurement of production at an FMP located on one of the tracts is not considered to be off-lease measurement if:

(1) The production is moved from one tract within the same lease, unit, or communitized area to another area of the lease, unit, or communitized area on which the FMP is located; and

(2) Production is not diverted during the movement between the tracts before the FMP, except for production used royalty free.

 Back to Top

§3173.29   Immediate assessments for certain violations.

Certain instances of noncompliance warrant the imposition of immediate assessments upon discovery, as prescribed in the following table. Imposition of these assessments does not preclude other appropriate enforcement actions:

Table 1 to §3173.29—Violations Subject to an Immediate Assessment

Violation

Assessment amount per violation
($)

1. An appropriate valve on an oil storage tank was not sealed, as required by §3173.2

1,000

2. An appropriate valve or component on an oil metering system was not sealed, as required by §3173.3

1,000

3. A Federal seal is removed without prior approval of the AO or AR, as required by §3173.4

1,000

4. Oil was not properly measured before removal from storage for use on a different lease, unit, or CA, as required by §3173.7(b)

1,000

5. An FMP was bypassed, in violation of §3170.4

1,000

6. Theft or mishandling of production was not reported to the BLM, as required by §3173.8

1,000

7. Records necessary to determine quantity and quality of production were not retained, as required by §3170.7

1,000

8. FMP application was not submitted, as required by §3173.12

1,000

9. (i) For facilities that begin operation after January 17, 2017, BLM approval for off-lease measurement was not obtained before removing production, as required by §3173.23

1,000

(ii) Facilities that were in operation on or before January 17, 2017, are subject to an assessment if they do not have an existing BLM approval for off-lease measurement.


10. (i) For facilities that begin operation after January 17, 2017, BLM approval for surface commingling was not obtained before removing production, as required by §3173.15

1,000

(ii) Facilities that were in operation on or before January 17, 2017, are subject to an assessment if they do not have an existing BLM approval for surface commingling.


11. (i) For facilities that begin operation after January 17, 2017, BLM approval for downhole commingling was not obtained before removing production, as required by §3173.15

1,000

(ii) Facilities that were in operation on or before January 17, 2017, are subject to an assessment if they do not have an existing BLM approval for downhole commingling.


 Back to Top

Appendix A to Subpart 3173—Examples of Site Facility Diagrams

I. Diagrams

1. Site Facility Diagrams and Sealing of Valve Introduction

2. Diagrams

Diagrams

Description

I-A

Gas well without separation equipment.

I-B

Gas well with separation equipment.

I-C

Single operator with co-located facilities single oil tank, gas, and water storage.

I-D

Oil sales with multiple oil tanks, gas, and water storage.

I-E

Co-located facilities with multiple operators, oil sales by liquid meter (Lease Automatic Custody Transfer or Coriolis Measurement System), gas, and water storage.

I-F

On-lease gas plant, with oil sales by liquid meter, Liquefied Petroleum Gas (LPG)/Natural Gas Liquids (NGL) sales by liquid meter, inlet gas, tailgate gas, flared or vented and plant process gas used.

I-G

Enhanced recovery water injection or other water disposal facility.

I-H

Pod Facility.

I-I

On-lease with gas measurement after the Joule-Thomson Plant (JT-Skid), oil sales by liquid meter, Liquefied Petroleum Gas (LPG)/Natural Gas Liquids (NGL) sales by liquid meter.

I-J

On-lease with gas measurement before the Joule-Thomson Plant (JT-Skid) and oil sales by liquid meter.

Note: No FMP number required for Liquefied Petroleum Gas (LPG)/Natural Gas Liquids (NGL) liquid meter.

1. Site Facility Diagrams and Sealing of Valves Introduction

Introduction

Appendix A is provided not as a requirement but solely as an example to aid operators, purchasers and transporters in determining what valves are considered “appropriate valves” subject to the seal requirements of this rule, and to aid in the preparation of facility diagrams. It is impossible to include every type of equipment that could be used or situation that could occur in production activities. In making the determination of what is an “appropriate valve,” the entire facility must be considered as a whole, including the facility size, the equipment type, and the on-going activities at the facility.

View or download PDF

View or download PDF

View or download PDF

View or download PDF

View or download PDF

View or download PDF

View or download PDF

View or download PDF

View or download PDF

View or download PDF

View or download PDF

View or download PDF

View or download PDF

View or download PDF

View or download PDF

View or download PDF

View or download PDF

View or download PDF

View or download PDF

View or download PDF

View or download PDF

View or download PDF

View or download PDF

View or download PDF

View or download PDF

View or download PDF

 Back to Top

Subpart 3174—Measurement of Oil

Source: 81 FR 81504, Nov. 17, 2016, unless otherwise noted.

 Back to Top

§3174.1   Definitions and acronyms.

(a) As used in this subpart, the term:

Barrel (bbl) means 42 standard United States gallons.

Base pressure means 14.696 pounds per square inch, absolute (psia).

Base temperature means 60 °F.

Certificate of calibration means a document stating the base prover volume and other physical data required for the calibration of flow meters.

Composite meter factor means a meter factor corrected from normal operating pressure to base pressure. The composite meter factor is determined by proving operations where the pressure is considered constant during the measurement period between provings.

Configuration log means the list of constant flow parameters, calculation methods, alarm set points, and other values that are programmed into the flow computer in a CMS.

Coriolis meter means a device which by means of the interaction between a flowing fluid and oscillation of tube(s) infers a mass flow rate. The meter also infers the density by measuring the natural frequency of the oscillating tubes. The Coriolis meter consists of sensors and a transmitter, which convert the output from the sensors to signals representing volume and density.

Coriolis measurement system (CMS) means a metering system using a Coriolis meter in conjunction with a tertiary device, pressure transducer, and temperature transducer in order to derive and report gross standard oil volume. A CMS system provides real-time, on-line measurement of oil.

Displacement prover means a prover consisting of a pipe or pipes with known capacities, a displacement device, and detector switches, which sense when the displacement device has reached the beginning and ending points of the calibrated section of pipe. Displacement provers can be portable or fixed.

Dynamic meter factor means a kinetic meter factor derived by linear interpolation or polynomial fit, used for conditions where a series of meter factors have been determined over a range of normal operating conditions.

Event log means an electronic record of all exceptions and changes to the flow parameters contained within the configuration log that occur and have an impact on a quantity transaction record.

Gross standard volume means a volume of oil corrected to base pressure and temperature.

Indicated volume means the uncorrected volume indicated by the meter in a lease automatic custody transfer system or the Coriolis meter in a CMS. For a positive displacement meter, the indicated volume is represented by the non-resettable totalizer on the meter head. For Coriolis meters, the indicated volume is the uncorrected (without the meter factor) mass of liquid divided by the density.

Innage gauging means the level of a liquid in a tank measured from the datum plate or tank bottom to the surface of the liquid.

Lease automatic custody transfer (LACT) system means a system of components designed to provide for the unattended custody transfer of oil produced from a lease(s), unit PA(s), or CA(s) to the transporting carrier while providing a proper and accurate means for determining the net standard volume and quality, and fail-safe and tamper-proof operations.

Master meter prover means a positive displacement meter or Coriolis meter that is selected, maintained, and operated to serve as the reference device for the proving of another meter. A comparison of the master meter to the Facility Measurement Point (FMP) line meter output is the basis of the master-meter method.

Meter factor means a ratio obtained by dividing the measured volume of liquid that passed through a prover or master meter during the proving by the measured volume of liquid that passed through the line meter during the proving, corrected to base pressure and temperature.

Net standard volume means the gross standard volume corrected for quantities of non-merchantable substances such as sediment and water.

Outage gauging means the distance from the surface of the liquid in a tank to the reference gauge point of the tank.

Positive displacement meter means a meter that registers the volume passing through the meter using a system which constantly and mechanically isolates the flowing liquid into segments of known volume.

Quantity transaction record (QTR) means a report generated by CMS equipment that summarizes the daily and hourly gross standard volume calculated by the flow computer and the average or totals of the dynamic data that is used in the calculation of gross standard volume.

Tertiary device means, for a CMS, the flow computer and associated memory, calculation, and display functions.

Transducer means an electronic device that converts a physical property, such as pressure, temperature, or electrical resistance, into an electrical output signal that varies proportionally with the magnitude of the physical property. Typical output signals are in the form of electrical potential (volts), current (milliamps), or digital pressure or temperature readings. The term transducer includes devices commonly referred to as transmitters.

Vapor tight means capable of holding pressure differential only slightly higher than that of installed pressure-relieving or vapor recovery devices.

(b) As used in this subpart, the following acronyms carry the meaning prescribed:

API means American Petroleum Institute.

CA has the meaning set forth in §3170.3 of this part.

COA has the meaning set forth in §3170.3 of this part.

CPL means correction for the effect of pressure on a liquid.

CTL means correction for the effect of temperature on a liquid.

NIST means National Institute of Standards and Technology.

PA has the meaning set forth in §3170.3 of this part.

PMT means Production Measurement Team.

PSIA means pounds per square inch, absolute.

S&W means sediment and water.

 Back to Top

§3174.2   General requirements.

(a) Oil may be stored only in tanks that meet the requirements of §3174.5(b) of this subpart.

(b) Oil must be measured on the lease, unit PA, or CA, unless approval for off-lease measurement is obtained under §§3173.22 and 3173.23 of this part.

(c) Oil produced from a lease, unit PA, or CA may not be commingled with production from other leases, unit PAs, or CAs or non-Federal properties before the point of royalty measurement, unless prior approval is obtained under §§3173.14 and 3173.15 of this part.

(d) An operator must obtain a BLM-approved FMP number under §§3173.12 and 3173.13 of this part for each oil measurement facility where the measurement affects the calculation of the volume or quality of production on which royalty is owed (i.e., oil tank used for tank gauging, LACT system, CMS, or other approved metering device), except as provided in paragraph (h) of this section.

(e) Except as provided in paragraph (h) of this section, all equipment used to measure the volume of oil for royalty purposes installed after January 17, 2017 must comply with the requirements of this subpart.

(f) Except as provided in paragraph (h) of this section, measuring procedures and equipment used to measure oil for royalty purposes, that is in use on January 17, 2017, must comply with the requirements of this subpart on or before the date the operator is required to apply for an FMP number under 3173.12(e) of this part. Prior to that date, measuring procedures and equipment used to measure oil for royalty purposes, that is in use on January 17, 2017 must continue to comply with the requirements of Onshore Oil and Gas Order No. 4, Measurement of oil, §3164.1(b) as contained in 43 CFR part 3160, (revised October 1, 2016), and any COAs and written orders applicable to that equipment.

(g) The requirement to follow the approved equipment lists identified in §§3174.6(b)(5)(ii)(A), 3174.6(b)(5)(iii), 3174.8(a)(1), and 3174.9(a) does not apply until January 17, 2019. The operator or manufacturer must obtain approval of a particular make, model, and size by submitting the test data used to develop performance specifications to the PMT to review.

(h) Meters used for allocation under a commingling and allocation approval under §3173.14 are not required to meet the requirements of this subpart.

 Back to Top

§3174.3   Incorporation by reference (IBR).

(a) Certain material specified in this section is incorporated by reference into this part with the approval of the Director of the Federal Register under 5 U.S.C. 552(a) and 1 CFR part 51. Operators must comply with all incorporated standards and material, as they are listed in this section. To enforce any edition other than that specified in this section, the BLM must publish a rule in the Federal Register, and the material must be reasonably available to the public. All approved material is available for inspection at the Bureau of Land Management, Division of Fluid Minerals, 20 M Street SE., Washington, DC 20003, 202-912-7162; at all BLM offices with jurisdiction over oil and gas activities; and is available from the sources listed below. It is also available for inspection at the National Archives and Records Administration (NARA). For information on the availability of this material at NARA, call 202-741-6030 or go to http://www.archives.gov/federal_register/code_of_federal_regulations/ibr_locations.html.

(b) American Petroleum Institute (API), 1220 L Street NW., Washington, DC 20005; telephone 202-682-8000; API also offers free, read-only access to some of the material at http://publications.api.org.

(1) API Manual of Petroleum Measurement Standards (MPMS) Chapter 2—Tank Calibration, Section 2A, Measurement and Calibration of Upright Cylindrical Tanks by the Manual Tank Strapping Method; First Edition, February 1995; Reaffirmed February 2012 (“API 2.2A”), IBR approved for §3174.5(c).

(2) API MPMS Chapter 2—Tank Calibration, Section 2.2B, Calibration of Upright Cylindrical Tanks Using the Optical Reference Line Method; First Edition, March 1989, Reaffirmed January 2013 (“API 2.2B”), IBR approved for §3174.5(c).

(3) API MPMS Chapter 2—Tank Calibration, Section 2C, Calibration of Upright Cylindrical Tanks Using the Optical-triangulation Method; First Edition, January 2002; Reaffirmed May 2008 (“API 2.2C”), IBR approved for §3174.5(c).

(4) API MPMS Chapter 3, Section 1A, Standard Practice for the Manual Gauging of Petroleum and Petroleum Products; Third Edition, August 2013 (“API 3.1A”), IBR approved for §§3174.5(b), 3174.6(b).

(5) API MPMS Chapter 3—Tank Gauging, Section 1B, Standard Practice for Level Measurement of Liquid Hydrocarbons in Stationary Tanks by Automatic Tank Gauging; Second Edition, June 2001; Reaffirmed August 2011 (“API 3.1B”), IBR approved for §3174.6(b).

(6) API MPMS Chapter 3—Tank Gauging, Section 6, Measurement of Liquid Hydrocarbons by Hybrid Tank Measurement Systems; First Edition, February 2001; Errata September 2005; Reaffirmed October 2011 (“API 3.6”), IBR approved for §3174.6(b).

(7) API MPMS Chapter 4—Proving Systems, Section 1, Introduction; Third Edition, February 2005; Reaffirmed June 2014 (“API 4.1”), IBR approved for §3174.11(c).

(8) API MPMS Chapter 4—Proving Systems, Section 2, Displacement Provers; Third Edition, September 2003; Reaffirmed March 2011, Addendum February 2015 (“API 4.2”), IBR approved for §§3174.11(b) and (c).

(9) API MPMS Chapter 4, Section 5, Master-Meter Provers; Fourth Edition, June 2016, (“API 4.5”), IBR approved for §3174.11(b).

(10) API MPMS Chapter 4—Proving Systems, Section 6, Pulse Interpolation; Second Edition, May 1999; Errata April 2007; Reaffirmed October 2013 (“API 4.6”), IBR approved for §3174.11(c).

(11) API MPMS Chapter 4, Section 8, Operation of Proving Systems; Second Edition, September 2013 (“API 4.8”), IBR approved for §3174.11(b).

(12) API MPMS Chapter 4—Proving Systems, Section 9, Methods of Calibration for Displacement and Volumetric Tank Provers, Part 2, Determination of the Volume of Displacement and Tank Provers by the Waterdraw Method of Calibration; First Edition, December 2005; Reaffirmed July 2015 (“API 4.9.2”), IBR approved for §3174.11(b).

(13) API MPMS Chapter 5—Metering, Section 6, Measurement of Liquid Hydrocarbons by Coriolis Meters; First Edition, October 2002; Reaffirmed November 2013 (“API 5.6”), IBR approved for §§3174.9(e), 3174.11(h) and (i).

(14) API MPMS Chapter 6—Metering Assemblies, Section 1, Lease Automatic Custody Transfer (LACT) Systems; Second Edition, May 1991; Reaffirmed May 2012 (“API 6.1”), IBR approved for §3174.8(a) and (b).

(15) API MPMS Chapter 7, Temperature Determination; First Edition, June 2001, Reaffirmed February 2012 (“API 7”), IBR approved for §§3174.6(b), 3174.8(b).

(16) API MPMS Chapter 7.3, Temperature Determination—Fixed Automatic Tank Temperature Systems; Second Edition, October 2011 (“API 7.3”), IBR approved for §3174.6(b).

(17) API MPMS Chapter 8, Section 1, Standard Practice for Manual Sampling of Petroleum and Petroleum Products; Fourth Edition, October 2013 (“API 8.1”), IBR approved for §§3174.6(b), 3174.11(h).

(18) API MPMS Chapter 8, Section 2, Standard Practice for Automatic Sampling of Petroleum and Petroleum Products; Third Edition, October 2015 (“API 8.2”), IBR approved for §§3174.6(b), 3174.8(b), 3174.11(h).

(19) API MPMS Chapter 8—Sampling, Section 3, Standard Practice for Mixing and Handling of Liquid Samples of Petroleum and Petroleum Products; First Edition, October 1995; Errata March 1996; Reaffirmed, March 2010 (“API 8.3”), IBR approved for §§3174.8(b), 3174.11(h).

(20) API MPMS Chapter 9, Section 1, Standard Test Method for Density, Relative Density, or API Gravity of Crude Petroleum and Liquid Petroleum Products by Hydrometer Method; Third Edition, December 2012 (“API 9.1”), IBR approved for §§3174.6(b), 3174.8(b).

(21) API MPMS Chapter 9, Section 2, Standard Test Method for Density or Relative Density of Light Hydrocarbons by Pressure Hydrometer; Third Edition, December 2012 (“API 9.2”), IBR approved for §§3174.6(b), 3174.8(b).

(22) API MPMS Chapter 9, Section 3, Standard Test Method for Density, Relative Density, and API Gravity of Crude Petroleum and Liquid Petroleum Products by Thermohydrometer Method; Third Edition, December 2012 (“API 9.3”), IBR approved for §§3174.6(b), 3174.8(b).

(23) API MPMS Chapter 10, Section 4, Determination of Water and/or Sediment in Crude Oil by the Centrifuge Method (Field Procedure); Fourth Edition, October 2013; Errata March 2015 (“API 10.4”), IBR approved for §§3174.6(b), 3174.8(b).

(24) API MPMS Chapter 11—Physical Properties Data, Section 1, Temperature and Pressure Volume Correction Factors for Generalized Crude Oils, Refined Products and Lubricating Oils; May 2004, Addendum 1 September 2007; Reaffirmed August 2012 (“API 11.1”), IBR approved for §§3174.9(f), 3174.12(a).

(25) API MPMS Chapter 12—Calculation of Petroleum Quantities, Section 2, Calculation of Petroleum Quantities Using Dynamic Measurement Methods and Volumetric Correction Factors, Part 1, Introduction; Second Edition, May 1995; Reaffirmed March 2014 (“API 12.2.1”), IBR approved for §§3174.8(b), 3174.9(g).

(26) API MPMS Chapter 12—Calculation of Petroleum Quantities, Section 2, Calculation of Petroleum Quantities Using Dynamic Measurement Methods and Volumetric Correction Factors, Part 2, Measurement Tickets; Third Edition, June 2003; Reaffirmed September 2010 (“API 12.2.2”), IBR approved for §§3174.8(b), 3174.9(g).

(27) API MPMS Chapter 12—Calculation of Petroleum Quantities, Section 2, Calculation of Petroleum Quantities Using Dynamic Measurement Methods and Volumetric Correction Factors, Part 3, Proving Report; First Edition, October 1998; Reaffirmed March 2009 (“API 12.2.3”), IBR approved for §3174.11(c) and (i).

(28) API MPMS Chapter 12—Calculation of Petroleum Quantities, Section 2, Calculation of Petroleum Quantities Using Dynamic Measurement Methods and Volumetric Correction Factors, Part 4, Calculation of Base Prover Volumes by the Waterdraw Method; First Edition, December 1997; Reaffirmed March 2009; Errata July 2009 (“API 12.2.4”), IBR approved for §3174.11(b).

(29) API MPMS Chapter 13—Statistical Aspects of Measuring and Sampling, Section 1, Statistical Concepts and Procedures in Measurements; First Edition, June 1985 Reaffirmed February 2011; Errata July 2013 (“API 13.1”), IBR approved for §3174.4(a).

(30) API MPMS Chapter 13, Section 3, Measurement Uncertainty; First Edition, May, 2016 (“API 13.3”), IBR approved for §3174.4(a).

(31) API MPMS Chapter 14, Section 3, Orifice Metering of Natural Gas and Other Related Hydrocarbon Fluids—Concentric, Square-edged Orifice Meters, Part 1, General Equations and Uncertainty Guidelines; Fourth Edition, September 2012; Errata July 2013 (“API 14.3.1”), IBR approved for §3174.4(a).

(32) API MPMS Chapter 18—Custody Transfer, Section 1, Measurement Procedures for Crude Oil Gathered From Small Tanks by Truck; Second Edition, April 1997; Reaffirmed February 2012 (“API 18.1”), IBR approved for §3174.6(b).

(33) API MPMS Chapter 18, Section 2, Custody Transfer of Crude Oil from Lease Tanks Using Alternative Measurement Methods, First Edition, July 2016 (“API 18.2”), IBR approved for §3174.6(b).

(34) API MPMS Chapter 21—Flow Measurement Using Electronic Metering Systems, Section 2, Electronic Liquid Volume Measurement Using Positive Displacement and Turbine Meters; First Edition, June 1998; Reaffirmed August 2011 (“API 21.2”), IBR approved for §§3174.8(b), 3174.9(f), 3174.10(f).

(35) API Recommended Practice (RP) 12R1, Setting, Maintenance, Inspection, Operation and Repair of Tanks in Production Service; Fifth Edition, August 1997; Reaffirmed April 2008 (“API RP 12R1”), IBR approved for §3174.5(b).

(36) API RP 2556, Correction Gauge Tables For Incrustation; Second Edition, August 1993; Reaffirmed November 2013 (“API RP 2556”), IBR approved for §3174.5(c).

Note 1 to §3174.3(b): You may also be able to purchase these standards from the following resellers: Techstreet, 3916 Ranchero Drive, Ann Arbor, MI 48108; telephone 734-780-8000; www.techstreet.com/api/apigate.html; IHS Inc., 321 Inverness Drive South, Englewood, CO 80112; 303-790-0600; www.ihs.com; SAI Global, 610 Winters Avenue, Paramus, NJ 07652; telephone 201-986-1131; http://infostore.saiglobal.com/store/.

 Back to Top

§3174.4   Specific measurement performance requirements.

(a) Volume measurement uncertainty levels. (1) The FMP must achieve the following overall uncertainty levels as calculated in accordance with statistical concepts described in API 13.1, the methodologies in API 13.3, and the quadrature sum (square root of the sum of the squares) method described in API 14.3.1, Subsection 12.3 (all incorporated by reference, see §3174.3) or other methods approved under paragraph (d):

Table 1 to §3174.4—Volume Measurement Uncertainty Levels

If the averaging period
volume (see definition
43 CFR 3170.3) is:

The overall
volume
measurement
uncertainty must be within:

1. Greater than or equal to 30,000 bbl/month

±0.50 percent.

2. Less than 30,000 bbl/month

±1.50 percent.

(2) Only a BLM State Director may grant an exception to the uncertainty levels prescribed in paragraph (a)(1) of this section, and only upon:

(i) A showing that meeting the required uncertainly level would involve extraordinary cost or unacceptable adverse environmental effects; and

(ii) Written concurrence of the PMT, prepared in coordination with the Deputy Director.

(b) Bias. The measuring equipment used for volume determinations must achieve measurement without statistically significant bias.

(c) Verifiability. All FMP equipment must be susceptible to independent verification by the BLM of the accuracy and validity of all inputs, factors, and equations that are used to determine quantity or quality. Verifiability includes the ability to independently recalculate volume and quality based on source records.

(d) Alternative equipment. The PMT will make a determination under §3174.13 of this subpart regarding whether proposed alternative equipment or measurement procedures meet or exceed the objectives and intent of this section.

 Back to Top

§3174.5   Oil measurement by tank gauging—general requirements.

(a) Measurement objective. Oil measurement by tank gauging must accurately compute the total net standard volume of oil withdrawn from a properly calibrated sales tank by following the activities prescribed in §3174.6 and the requirements of §3174.4 of this subpart to determine the quantity and quality of oil being removed.

(b) Oil tank equipment. (1) Each tank used for oil storage must comply with the recommended practices listed in API RP 12R1 (incorporated by reference, see §3174.3).

(2) Each oil storage tank must be connected, maintained, and operated in compliance with §§3173.2, 3173.6, and 3173.7 of this part.

(3) All oil storage tanks, hatches, connections, and other access points must be vapor tight. Unless connected to a vapor recovery or flare system, all tanks must have a pressure-vacuum relief valve installed at the highest point in the vent line or connection with another tank. All hatches, connections, and other access points must be installed and maintained in accordance with manufacturers' specifications.

(4) All oil storage tanks must be clearly identified and have an operator-generated number unique to the lease, unit PA, or CA, stenciled on the tank and maintained in a legible condition.

(5) Each oil storage tank associated with an approved FMP that has a tank-gauging system must be set and maintained level.

(6) Each oil storage tank associated with an approved FMP that has a tank-gauging system must be equipped with a distinct gauging reference point, consistent with API 3.1A (incorporated by reference, see §3174.3). The height of the reference point must be stamped on a fixed bench-mark plate or stenciled on the tank near the gauging hatch, and be maintained in a legible condition.

(c) Sales tank calibrations. The operator must accurately calibrate each oil storage tank associated with an approved FMP that has a tank-gauging system using either API 2.2A, API 2.2B, or API 2.2C; and API RP 2556 (all incorporated by reference, see §3174.3). The operator must:

(1) Determine sales tank capacities by tank calibration using actual tank measurements;

(i) The unit volume must be in barrels (bbl); and

(ii) The incremental height measurement must match gauging increments specified in §3174.6(b)(5)(i)(C);

(2) Recalibrate a sales tank if it is relocated or repaired, or the capacity is changed as a result of denting, damage, installation, removal of interior components, or other alterations; and

(3) Submit sales tank calibration charts (tank tables) to the AO within 45 days after calibration. Tank tables may be in paper or electronic format.

 Back to Top

§3174.6   Oil measurement by tank gauging—procedures.

(a) The procedures for oil measurement by tank gauging must comply with the requirements outlined in this section.

(b) The operator must follow the procedures identified in API 18.1 or API 18.2 (both incorporated by reference, see §3174.3) as further specified in this paragraph to determine the quality and quantity of oil measured under field conditions at an FMP.

(1) Isolate tank. Isolate the tank for at least 30 minutes to allow contents to settle before proceeding with tank gauging operations. The tank isolating valves must be closed and sealed under §3173.2 of this part.

(2) Determine opening oil temperature. Determination of the temperature of oil contained in a sales tank must comply with paragraphs (b)(2)(i) through (iii) of this section, API 7, and API 7.3 (both incorporated by reference, see §3174.3). Opening temperature may be determined before, during, or after sampling.

(i) Glass thermometers must be clean, be free of fluid separation, have a minimum graduation of 1.0 °F, and have an accuracy of ±0.5 °F.

(ii) Electronic thermometers must have a minimum graduation of 0.1 °F and have an accuracy of ±0.5 °F.

(iii) Record the temperature to the nearest 1.0 °F for glass thermometers or 0.1 °F for portable electronic thermometers.

(3) Take oil samples. Sampling operations must be conducted prior to taking the opening gauge unless automatic sampling methods are being used. Sampling of oil removed from an FMP tank must yield a representative sample of the oil and its physical properties and must comply with API 8.1 or API 8.2 (both incorporated by reference, see §3174.3).

(4) Determine observed oil gravity. Tests for oil gravity must comply with paragraphs (b)(4)(i) through (iii) of this section and API 9.1, API 9.2, or API 9.3 (all incorporated by reference, see §3174.3).

(i) The hydrometer or thermohydrometer (as applicable) must be calibrated for an oil gravity range that includes the observed gravity of the oil sample being tested and must be clean, with a clearly legible oil gravity scale and with no loose shot weights.

(ii) Allow the temperature to stabilize for at least 5 minutes prior to reading the thermometer.

(iii) Read and record the observed API oil gravity to the nearest 0.1 degree. Read and record the temperature reading to the nearest 1.0 °F.

(5) Measure the opening tank fluid level. Take and record the opening gauge only after samples have been taken, unless automatic sampling methods are being used. Gauging must comply with either paragraph (b)(5)(i) of this section, API 3.1A, and API 18.1 (both incorporated by reference, see §3174.3); or paragraph (b)(5)(ii) of this section, API 3.1B, API 3.6, and API 18.2 (all incorporated by reference, see §3174.3); or paragraph (b)(5)(iii) of this section for dynamic volume determination.

(i) For manual gauging, comply with the requirements of API 3.1A and API 18.1 (both incorporated by reference, see §3174.3) and the following:

(A) The proper bob must be used for the particular measurement method, i.e., either innage gauging or outage gauging;

(B) A gauging tape must be used. The gauging tape must be made of steel or corrosion-resistant material with graduation clearly legible, and must not be kinked or spliced;

(C) Either obtain two consecutive identical gauging measurements for any tank regardless of size, or:

(1) For tanks of 1,000 bbl or less in capacity, three consecutive measurements that are within 1/4-inch of each other and average these three measurements to the nearest 14 inch; or

(2) For tanks greater than 1,000 bbl in capacity, three consecutive measurements within 18 inch of each other, averaging these three measurements to the nearest 18 inch.

(D) A suitable product-indicating paste may be used on the tape to facilitate the reading. The use of chalk or talcum powder is prohibited; and

(E) The same tape and bob must be used for both opening and closing gauges.

(ii) For automatic tank gauging (ATG), comply with the requirements of API 3.1B, API 3.6, and API 18.2 (all incorporated by reference, see §3174.3) and the following:

(A) The specific makes and models of ATG that are identified and described at www.blm.gov are approved for use;

(B) The ATG must be inspected and its accuracy verified to within ± 14 inch in accordance with API 3.1B, Subsection 9 (incorporated by reference, see §3174.3) at least once a month or prior to sales, whichever is latest, or any time at the request of the AO. If the ATG is found to be out of tolerance, the ATG must be calibrated prior to sales; and

(C) A log of field verifications must be maintained and available upon request. The log must include the following information: The date of verification; the as-found manual gauge readings; the as-found ATG readings; and whether the ATG was field calibrated. If the ATG was field calibrated, the as-left manual gauge readings and as-left ATG readings must be recorded.

(iii) For dynamic volume determination under API 18.2, Subsection 10.1.1, (incorporated by reference, see §3174.3), the specific makes and models of in-line meters that are identified and described at www.blm.gov are approved for use.

(6) Determine S&W content. Using the oil samples obtained pursuant to paragraph (b)(3) of this section, determine the S&W content of the oil in the sales tanks, according to API 10.4 (incorporated by reference, see §3174.3).

(7) Transfer oil. Break the tank load line valve seal and transfer oil to the tanker truck. After transfer is complete, close the tank valve and seal the valve under §§3173.2 and 3173.5 of this part.

(8) Determine closing oil temperature. Determine the closing oil temperature using the procedures in paragraph (b)(2) of this section.

(9) Take closing gauge. Take the closing tank gauge using the procedures in paragraph (b)(5) of this section.

(10) Complete measurement ticket. Following procedures in §3174.12.

 Back to Top

§3174.7   LACT system—general requirements.

(a) A LACT system must meet the construction and operation requirements and minimum standards of this section, §3174.8, and §3174.4.

(b) A LACT system must be proven as prescribed in §3174.11 of this subpart.

(c) Measurement tickets must be completed under §3174.12(b) of this subpart.

(d) All components of a LACT system must be accessible for inspection by the AO.

(e)(1) The operator must notify the AO, within 72 hours after discovery, of any LACT system failures or equipment malfunctions that may have resulted in measurement error.

(2) Such system failures or equipment malfunctions include, but are not limited to, electrical, meter, and other failures that affect oil measurement.

(f) Any tests conducted on oil samples extracted from LACT system samplers for determination of temperature, oil gravity, and S&W content must meet the requirements and minimum standards in §3174.6(b)(2), (4), and (6) of this subpart.

(g) Automatic temperature compensators and automatic temperature and gravity compensators are prohibited.

 Back to Top

§3174.8   LACT system—components and operating requirements.

(a) LACT system components. Each LACT system must include all of the equipment listed in API 6.1 (incorporated by reference, see §3174.3), with the following exceptions:

(1) The custody transfer meter must be a positive displacement meter or a Coriolis meter. The specific make, models, and sizes of positive displacement or Coriolis meter and associated software that are identified and described at www.blm.gov are approved for use.

(2) An electronic temperature averaging device must be installed.

(3) Meter back pressure must be applied by a back pressure valve or other controllable means of applying back pressure to ensure single-phase flow.

(b) LACT system operating requirements. Operation of all LACT system components must meet the requirements of API 6.1 (incorporated by reference, see §3174.3) and the following:

(1) Sampling must be conducted according to API 8.2 and API 8.3 (both incorporated by reference, see §3174.3) and the following:

(i) The sample extractor probe must be inserted within the center half of the flowing stream;

(ii) The extractor probe must be horizontally oriented; and

(iii) The external body of the extractor probe must be marked with the direction of the flow.

(2) Any tests conducted on oil samples extracted from LACT system samplers for determination of oil gravity and S&W content must meet the requirements of either API 9.1, API 9.2, or API 9.3, and API 10.4 (all incorporated by reference, see §3174.3).

(3) The composite sample container must be emptied and cleaned upon completion of sample withdrawal.

(4) The positive displacement or Coriolis meter (see §3174.10) must be equipped with a non-resettable totalizer. The meter must include or allow for the attachment of a device that generates at least 8,400 pulses per barrel of registered volume.

(5) The system must have a pressure-indicating device downstream of the meter, but upstream of meter-proving connections. The pressure-indicating device must be capable of providing pressure data to calculate the CPL correction factor.

(6) An electronic temperature averaging device must be installed, operated, and maintained as follows:

(i) The temperature sensor must be placed in compliance with API 7 (incorporated by reference, see §3174.3);

(ii) The electronic temperature averaging device must be volume-weighted and take a temperature reading following API 21.2, Subsection 9.2.8 (incorporated by reference, see §3174.3);

(iii) The average temperature for the measurement ticket must be calculated by the volumetric averaging method using API 21.2, Subsection 9.2.13.2a (incorporated by reference, see §3174.3);

(iv) The temperature averaging device must have a reference accuracy of ±0.5 °F or better, and have a minimum graduation of 0.1 °F; and

(v) The temperature averaging device must include a display of instantaneous temperature and the average temperature calculated since the measurement ticket was opened.

(vi) The average temperature calculated since the measurement ticket was opened must be used to calculate the CTL correction factor.

(7) Determination of net standard volume: Calculate the net standard volume at the close of each measurement ticket following the guidelines in API 12.2.1 and API 12.2.2 (both incorporated by reference, see §3174.3).

 Back to Top

§3174.9   Coriolis measurement systems (CMS)—general requirements and components.

The following Coriolis measurement systems section is intended for Coriolis measurement applications independent of LACT measurement systems.

(a) A CMS must meet the requirements and minimum standards of this section, §3174.4, and §3174.10.

(b) The specific makes, models, and sizes of Coriolis meters and associated software that have been reviewed by the PMT, as provided in §3174.13, approved by the BLM, and identified and described at www.blm.gov are approved for use.

(c) A CMS system must be proven at the frequency and under the requirements of §3174.11 of this subpart.

(d) Measurement tickets must be completed under §3174.12(b) of this subpart.

(e) A CMS at an FMP must be installed with the components listed in API 5.6 (incorporated by reference, see §3174.3). Additional requirements are as follows:

(1) The pressure transducer must meet the requirements of §3174.8(b)(5) of this subpart.

(2) Temperature determination must meet the requirements of §3174.8(b)(6) of this subpart.

(3) If nonzero S&W content is to be used in determining net oil volume, the sampling system must meet the requirements of §3174.8(b)(1) through (3) of this subpart. If no sampling system is used, or the sampling system does not meet the requirements of §3174.8(b)(1) through (3) of this subpart, the S&W content must be reported as zero;

(4) Sufficient back pressure must be applied to ensure single phase flow through the meter.

(f) Determination of API oil gravity. The API oil gravity reported for the measurement ticket period must be determined by one of the following methods:

(1) Determined from a composite sample taken pursuant to §3174.8(b)(1) through (3) of this subpart; or

(2) Calculated from the average density as measured by the CMS over the measurement ticket period under API 21.2, Subsection 9.2.13.2a (incorporated by reference, see §3174.3). Density must be corrected to base temperature and pressure using API 11.1 (incorporated by reference, see §3174.3).

(g) Determination of net standard volume. Calculate the net standard volume at the close of each measurement ticket following the guidelines in API 12.2.1 and API 12.2.2 (both incorporated by reference, see §3174.3).

 Back to Top

§3174.10   Coriolis meter for LACT and CMS measurement applications—operating requirements.

(a) Minimum electronic pulse level. The Coriolis meter must register the volume of oil passing through the meter as determined by a system that constantly emits electronic pulse signals representing the indicated volume measured. The pulse per unit volume must be set at a minimum of 8,400 pulses per barrel.

(b) Meter specifications. (1) The Coriolis meter specifications must identify the make and model of the Coriolis meter to which they apply and must include the following:

(i) The reference accuracy for both mass flow rate and density, stated in either percent of reading, percent of full scale, or units of measure;

(ii) The effect of changes in temperature and pressure on both mass flow and fluid density readings, and the effect of flow rate on density readings. These specifications must be stated in percent of reading, percent of full scale, or units of measure over a stated amount of change in temperature, pressure, or flow rate (e.g., “±0.1 percent of reading per 20 psi”);

(iii) The stability of the zero reading for volumetric flow rate. The specifications must be stated in percent of reading, percent of full scale, or units of measure;

(iv) Design limits for flow rate and pressure; and

(v) Pressure drop through the meter as a function of flow rate and fluid viscosity.

(2) Submission of meter specifications: The operator must submit Coriolis meter specifications to the BLM upon request.

(c) Non-resettable totalizer. The Coriolis meter must have a non-resettable internal totalizer for indicated volume.

(d) Verification of meter zero value using the manufacturer's specifications. If the indicated flow rate is within the manufacturer's specifications for zero stability, no adjustments are required. If the indicated flow rate is outside the manufacturer's specification for zero stability, the meter's zero reading must be adjusted. After the meter's zero has been adjusted, the meter must be proven required by §3174.11. A copy of the zero value verification procedure must be made available to the AO upon request.

(e) Required on-site information. (1) The Coriolis meter display must be readable without using data collection units, laptop computers, or any special equipment, and must be on-site and accessible to the AO.

(2) For each Coriolis meter, the following values and corresponding units of measurement must be displayed:

(i) The instantaneous density of liquid (pounds/bbl, pounds/gal, or degrees API);

(ii) The instantaneous indicated volumetric flow rate through the meter (bbl/day);

(iii) The meter factor;

(iv) The instantaneous pressure (psi);

(v) The instantaneous temperature ( °F);

(vi) The cumulative gross standard volume through the meter (non-resettable totalizer) (bbl); and

(vii) The previous day's gross standard volume through the meter (bbl).

(3) The following information must be correct, be maintained in a legible condition, and be accessible to the AO at the FMP without the use of data collection equipment, laptop computers, or any special equipment:

(i) The make, model, and size of each sensor; and

(ii) The make, range, calibrated span, and model of the pressure and temperature transducer used to determine gross standard volume.

(4) A log must be maintained of all meter factors, zero verifications, and zero adjustments. For zero adjustments, the log must include the zero value before adjustment and the zero value after adjustment. The log must be made available upon request.

(f) Audit trail requirements. The information specified in paragraphs (f)(1) through (4) of this section must be recorded and retained under the recordkeeping requirements of §3170.7 of this part. Audit trail requirements must follow API 21.2, Subsection 10 (incorporated by reference, see §3174.3). All data must be available and submitted to the BLM upon request.

(1) Quantity transaction record (QTR). Follow the requirements for a measurement ticket in §3174.12(b) of this subpart.

(2) Configuration log. The configuration log must comply with the requirements of API 21.2, Subsection 10.2 (incorporated by reference, see §3174.3). The configuration log must contain and identify all constant flow parameters used in generating the QTR.

(3) Event log. The event log must comply with the requirements of API 21.2, Subsection 10.6 (incorporated by reference, see §3174.3). In addition, the event log must be of sufficient capacity to record all events such that the operator can retain the information under the recordkeeping requirements of §3170.7 of this part.

(4) Alarm log The type and duration of any of the following alarm conditions must be recorded:

(i) Density deviations from acceptable parameters; and

(ii) Instances in which the flow rate exceeded the manufacturer's maximum recommended flow rate or was below the manufacturer's minimum recommended flow rate.

(g) Data protection. Each Coriolis meter must have installed and maintained in an operable condition a backup power supply or a nonvolatile memory capable of retaining all data in the unit's memory to ensure that the audit trail information required under paragraph (f) of this section is protected.

 Back to Top

§3174.11   Meter-proving requirements.

(a) Applicability. This section specifies the minimum requirements for conducting volumetric meter proving for all FMP meters.

(b) Meter prover. Acceptable provers are positive displacement master meters, Coriolis master meters, and displacement provers. The operator must ensure that the meter prover used to determine the meter factor has a valid certificate of calibration on site and available for review by the AO. The certificate must show that the prover, identified by serial number assigned to and inscribed on the prover, was calibrated as follows:

(1) Master meters must have a meter factor within 0.9900 to 1.0100 determined by a minimum of five consecutive prover runs within 0.0005 (0.05 percent repeatability) as described in API 4.5, Subsection 6.5 (incorporated by reference, see §3174.3). The master meter must not be mechanically compensated for oil gravity or temperature; its readout must indicate units of volume without corrections. The meter factor must be documented on the calibration certificate and must be calibrated at least once every 12 months. New master meters must be calibrated immediately and recalibrated in three months. Master meters that have undergone mechanical repairs, alterations, or changes that affect the calibration must be calibrated immediately upon completion of this work and calibrated again 3 months after this date under API 4.5, API 4.8, Subsection 10.2, and API 4.8, Annex B (all incorporated by reference, see §3174.3).

(2) Displacement provers must meet the requirements of API 4.2 (incorporated by reference, see §3174.3) and be calibrated using the water-draw method under API 4.9.2 (incorporated by reference, see §3174.3), at the calibration frequencies specified in API 4.8, Subsection 10.1(b) (incorporated by reference, see §3174.3).

(3) The base prover volume of a displacement prover must be calculated under API 12.2.4 (incorporated by reference, see §3174.3).

(4) Displacement provers must be sized to obtain a displacer velocity through the prover that is within the appropriate range during proving under API 4.2, Subsection 4.3.4.2, Minimum Displacer Velocities and API 4.2, Subsection 4.3.4.1, Maximum Displacer Velocities (incorporated by reference, see §3174.3).

(5) Fluid velocity is calculated using API 4.2, Subsection 4.3.4.3, Equation 12 (incorporated by reference, see §3174.3).

(c) Meter proving runs. Meter proving must follow the applicable section(s) of API 4.1, Proving Systems (incorporated by reference, see §3174.3).

(1) Meter proving must be performed under normal operating fluid pressure, fluid temperature, and fluid type and composition, as follows:

(i) The oil flow rate through the LACT or CMS during proving must be within 10 percent of the normal flow rate;

(ii) The absolute pressure as measured by the LACT or CMS during proving must be within 10 percent of the normal operating absolute pressure;

(iii) The temperature as measured by the LACT or CMS during the proving must be within 10 °F of the normal operating temperature; and

(iv) The gravity of the oil during proving must be within 5° API of the normal oil gravity.

(v) If the normal flow rate, pressure, temperature, or oil gravity vary by more than the limits defined in paragraphs (c)(i) through (c)(iv) of this section, meter provings must be conducted, at a minimum, under the three following conditions: At the lower limit of normal operating conditions, at the upper limit of normal operation conditions, and at the midpoint of normal operating conditions.

(2) If each proving run is not of sufficient volume to generate at least 10,000 pulses, as specified by API 4.2, Subsection 4.3.2 (incorporated by reference, see §3174.3), from the positive displacement meter or the Coriolis meter, then pulse interpolation must be used in accordance with API 4.6 (incorporated by reference, see §3174.3).

(3) Proving runs must be made until the calculated meter factor or meter generated pulses from five consecutive runs match within a tolerance of 0.0005 (0.05 percent) between the highest and the lowest value in accordance with API 12.2.3, Subsection 9 (incorporated by reference, see §3174.3).

(4) The new meter factor is the arithmetic average of the meter generated pulses or intermediate meter factors calculated from the five consecutive runs in accordance with API 12.2.3, Subsection 9 (incorporated by reference, see §3174.3).

(5) Meter factor computations must follow the sequence described in API 12.2.3 (incorporated by reference, see §3174.3).

(6) If multiple meters factors are determined over a range of normal operating conditions, then:

(i) If all the meter factors determined over a range of conditions fall within 0.0020 of each other, then a single meter factor may be calculated for that range as the arithmetic average of all the meter factors within that range. The full range of normal operating conditions may be divided into segments such that all the meter factors within each segment fall within a range of 0.0020. In this case, a single meter factor for each segment may be calculated as the arithmetic average of the meter factors within that segment; or

(ii) The metering system may apply a dynamic meter factor derived (using, e.g., linear interpolation, polynomial fit, etc.) from the series of meter factors determined over the range of normal operating conditions, so long as no two neighboring meter factors differ by more than 0.0020.

(7) The meter factor must be at least 0.9900 and no more than 1.0100.

(8) The initial meter factor for a new or repaired meter must be at least 0.9950 and no more than 1.0050.

(9) For positive displacement meters, the back pressure valve may be adjusted after proving only within the normal operating fluid flow rate and fluid pressure as described in paragraph (c)(1) of this section. If the back pressure valve is adjusted after proving, the operator must document the as left fluid flow rate and fluid pressure on the proving report.

(10) If a composite meter factor is calculated, the CPL value must be calculated from the pressure setting of the back pressure valve or the normal operating pressure at the meter. Composite meter factors must not be used with a Coriolis meter.

(d) Minimum proving frequency. The operator must prove any FMP meter before removal or sales of production after any of the following events:

(1) Initial meter installation;

(2) Every 3 months (quarterly) after the last proving, or each time the registered volume flowing through the meter, as measured on the non-resettable totalizer from the last proving, increases by 75,000 bbl, whichever comes first, but no more frequently than monthly;

(3) Meter zeroing (Coriolis meter);

(4) Modification of mounting conditions;

(5) A change in fluid temperature that exceeds the transducer's calibrated span;

(6) A change in pressure, density, or flow rate that exceeds the operating proving limits;

(7) The mechanical or electrical components of the meter have been changed, repaired, or removed;

(8) Internal calibration factors have been changed or reprogrammed; or

(9) At the request of the AO.

(e) Excessive meter factor deviation. (1) If the difference between meter factors established in two successive provings exceeds ±0.0025, the meter must be immediately removed from service, checked for damage or wear, adjusted or repaired, and reproved before returning the meter to service.

(2) The arithmetic average of the two successive meter factors must be applied to the production measured through the meter between the date of the previous meter proving and the date of the most recent meter proving.

(3) The proving report submitted under paragraph (i) of this section must clearly show the most recent meter factor and describe all subsequent repairs and adjustments.

(f) Verification of the temperature transducer. As part of each required meter proving and upon replacement, the temperature averager for a LACT system and the temperature transducer used in conjunction with a CMS must be verified against a known standard according to the following:

(1) The temperature averager or temperature transducer must be compared with a test thermometer traceable to NIST and with a stated accuracy of ±0.25 °F or better.

(2) The temperature reading displayed on the temperature averager or temperature transducer must be compared with the reading of the test thermometer using one of the following methods:

(i) The test thermometer must be placed in a test thermometer well located not more than 12 from the probe of the temperature averager or temperature transducer; or

(ii) Both the test thermometer and probe of the temperature averager or temperature transducer must be placed in an insulated water bath. The water bath temperature must be within 20 °F of the normal flowing temperature of the oil.

(3) The displayed reading of instantaneous temperature from the temperature averager or the temperature transducer must be compared with the reading from the test thermometer. If they differ by more than 0.5 °F, then the difference in temperatures must be noted on the meter proving report and:

(i) The temperature averager or temperature transducer must be adjusted to match the reading of the test thermometer; or

(ii) The temperature averager or temperature transducer must be recalibrated, repaired, or replaced.

(g) Verification of the pressure transducer (if applicable). (1) As part of each required meter proving and upon replacement, the pressure transducer must be compared with a test pressure device (dead weight or pressure gauge) traceable to NIST and with a stated maximum uncertainty of no more than one-half of the accuracy required from the transducer being verified.

(2) The pressure reading displayed on the pressure transducer must be compared with the reading of the test pressure device.

(3) The pressure transducer must be tested at the following three points:

(i) Zero (atmospheric pressure);

(ii) 100 percent of the calibrated span of the pressure transducer; and

(iii) A point that represents the normal flowing pressure through the Coriolis meter.

(4) If the pressure applied by the test pressure device and the pressure displayed on the pressure transducer vary by more than the required accuracy of the pressure transducer, the pressure transducer must be adjusted to read within the stated accuracy of the test pressure device.

(h) Density verification (if applicable). As part of each required meter proving, if the API gravity of oil is determined from the average density measured by the Coriolis meter (rather than from a composite sample), then during each proving of the Coriolis meter, the instantaneous flowing density determined by the Coriolis meter must be verified by comparing it with an independent density measurement as specified under API 5.6, Subsection 9.1.2.1 (incorporated by reference, see §3174.3). The difference between the indicated density determined from the Coriolis meter and the independently determined density must be within the specified density reference accuracy specification of the Coriolis meter. Sampling must be performed in accordance with API 8.1, API 8.2, or API 8.3 (incorporated by reference, see §3174.3), as appropriate.

(i) Meter proving reporting requirements. (1) The operator must report to the AO all meter-proving and volume adjustments after any LACT system or CMS malfunction, including excessive meter-factor deviation, using the appropriate form in either API 12.2.3 or API 5.6 (both incorporated by reference, see §3174.3), or any similar format showing the same information as the API form, provided that the calculation of meter factors maintains the proper calculation sequence and rounding.

(2) In addition to the information required under paragraph (i)(1) of this section, each meter-proving report must also show the:

(i) Unique meter ID number;

(ii) Lease number, CA number, or unit PA number;

(iii) The temperature from the test thermometer and the temperature from the temperature averager or temperature transducer;

(iv) For pressure transducers, the pressure applied by the pressure test device and the pressure reading from the pressure transducer at the three points required under paragraph (g)(3) of this section;

(v) For density verification (if applicable), the instantaneous flowing density (as determined by Coriolis meter), and the independent density measurement, as compared under paragraph (h) of this section; and

(vi) The “as left” fluid flow rate and fluid pressure, if the back pressure valve is adjusted after proving as described in paragraph (c)(9) of this section.

(3) The operator must submit the meter-proving report to the AO no later than 14 days after the meter proving. The proving report may be either in a hard copy or electronic format.

 Back to Top

§3174.12   Measurement tickets.

(a) Tank gauging. After oil is measured by tank gauging under §§3174.5 and 3174.6 of this subpart, the operator, purchaser, or transporter, as appropriate, must complete a uniquely numbered measurement ticket, in either paper or electronic format, with the following information:

(1) Lease, unit PA, or CA number;

(2) Unique tank number and nominal tank capacity;

(3) Opening and closing dates and times;

(4) Opening and closing gauges and observed temperatures in °F;

(5) Observed volume for opening and closing gauge, using tank specific calibration charts (see §3174.5(c));

(6) Total gross standard volume removed from the tank following API 11.1 (incorporated by reference, see §3174.3);

(7) Observed API oil gravity and temperature in °F;

(8) API oil gravity at 60 °F, following API 11.1 (incorporated by reference, see §3174.3);

(9) S&W content percent;

(10) Unique number of each seal removed and installed;

(11) Name of the individual performing the tank gauging; and

(12) Name of the operator.

(b) LACT system and CMS. (1) At the beginning of every month, and, unless the operator is using a flow computer under §3174.10, before conducting proving operations on a LACT system, the operator, purchaser, or transporter, as appropriate, must complete a uniquely numbered measurement ticket, in either paper or electronic format, with the following information:

(i) Lease, unit PA, or CA number;

(ii) Unique meter ID number;

(iii) Opening and closing dates;

(iv) Opening and closing totalizer readings of the indicated volume;

(v) Meter factor, indicating if it is a composite meter factor;

(vi) Total gross standard volume removed through the LACT system or CMS;

(vii) API oil gravity. For API oil gravity determined from a composite sample, the observed API oil gravity and temperature must be indicated in °F and the API oil gravity must be indicated at 60 °F. For API oil gravity determined from average density (CMS only), the average uncorrected density must be determined by the CMS;

(viii) The average temperature in °F;

(ix) The average flowing pressure in psig;

(x) S&W content percent;

(xi) Unique number of each seal removed and installed;

(xii) Name of the purchaser's representative; and

(xiii) Name of the operator.

(2) Any accumulators used in the determination of average pressure, average temperature, and average density must be reset to zero whenever a new measurement ticket is opened.

 Back to Top

§3174.13   Oil measurement by other methods.

(a) Any method of oil measurement other than tank gauging, LACT system, or CMS at an FMP requires prior BLM approval.

(b)(1) Any operator requesting approval to use alternate oil measurement equipment or measurement method must submit to the BLM performance data, actual field test results, laboratory test data, or any other supporting data or evidence that demonstrates that the proposed alternate oil equipment or method would meet or exceed the objectives of the applicable minimum requirements of this subpart and would not affect royalty income or production accountability.

(2) The PMT will review the submitted data to ensure that the alternate oil measurement equipment or method meets the requirements of this subpart and will make a recommendation to the BLM to approve use of the equipment or method, disapprove use of the equipment or method, or approve use of the equipment or method with conditions for its use. If the PMT recommends, and the BLM approves new equipment or methods, the BLM will post the make, model, range or software version (as applicable), or method on the BLM Web site www.blm.gov as being appropriate for use at an FMP for oil measurement without further approval by the BLM, subject to any conditions of approval identified by the PMT and approved by the BLM.

(c) The procedures for requesting and granting a variance under §3170.6 of this part may not be used as an avenue for approving new technology, methods, or equipment. Approval of alternative oil measurement equipment or methods may be obtained only under this section.

 Back to Top

§3174.14   Determination of oil volumes by methods other than measurement.

(a) Under 43 CFR 3162.7-2, when production cannot be measured due to spillage or leakage, the amount of production must be determined by using any method the AO approves or prescribes. This category of production includes, but is not limited to, oil that is classified as slop oil or waste oil.

(b) No oil may be classified or disposed of as waste oil unless the operator can demonstrate to the satisfaction of the AO that it is not economically feasible to put the oil into marketable condition.

(c) The operator may not sell or otherwise dispose of slop oil without prior written approval from the AO. Following the sale or disposal of slop oil, the operator must notify the AO in writing of the volume sold or disposed of and the method used to compute the volume.

 Back to Top

§3174.15   Immediate assessments.

Certain instances of noncompliance warrant the imposition of immediate assessments upon the BLM's discovery of the violation, as prescribed in the following table. Imposition of any of these assessments does not preclude other appropriate enforcement actions.

Table 1 to §3174.15—Violations Subject to an Immediate Assessment

Violations subject to an immediate assessment

Violation:

Assessment
amount per
violation:

1. Missing or nonfunctioning FMP LACT system components as required by §3174.8 of this subpart

$1,000

2. Failure to notify the AO within 72 hours, as required by §3174.7(e) of this subpart, of any FMP LACT system failure or equipment malfunction resulting in use of an unapproved alternate method of measurement

1,000

3. Missing or nonfunctioning FMP CMS components as required by §3174.9 of this subpart

1,000

4. Failure to meet the proving frequency requirements for an FMP, detailed in §3174.11 of this subpart

1,000

5. Failure to obtain a written approval, as required by §3174.13 of this subpart, before using any oil measurement method other than tank gauging, LACT system, or CMS at a FMP

1,000

 Back to Top

Subpart 3175—Measurement of Gas

Source: 81 FR 81609, Nov. 17, 2016, unless otherwise noted.

 Back to Top

§3175.10   Definitions and acronyms.

(a) As used in this subpart, the term:

AGA Report No. (followed by a number) means a standard prescribed by the American Gas Association, with the number referring to the specific standard.

Area ratio means the smallest unrestricted area at the primary device divided by the cross-sectional area of the meter tube. For example, the area ratio (Ar) of an orifice plate is the area of the orifice bore (Ad) divided by the area of the meter tube (AD). For an orifice plate with a bore diameter (d) of 1.000 inches in a meter tube with an inside diameter (D) of 2.000 inches the area ratio is 0.25 and is calculated as follows:

View or download PDF

As-found means the reading of a mechanical or electronic transducer when compared to a certified test device, prior to making any adjustments to the transducer.

As-left means the reading of a mechanical or electronic transducer when compared to a certified test device, after making adjustments to the transducer, but prior to returning the transducer to service.

Atmospheric pressure means the pressure exerted by the weight of the atmosphere at a specific location.

Beta ratio means the measured diameter of the orifice bore divided by the measured inside diameter of the meter tube. This is also referred to as a diameter ratio.

Bias means a systematic shift in the mean value of a set of measurements away from the true value of what is being measured.

British thermal unit (Btu) means the amount of heat needed to raise the temperature of one pound of water by 1 °F.

Component-type electronic gas measurement system means an electronic gas measurement system comprising transducers and a flow computer, each identified by a separate make and model, from which performance specifications are obtained.

Configuration log means a list of all fixed or user-programmable parameters used by the flow computer that could affect the calculation or verification of flow rate, volume, or heating value.

Discharge coefficient means an empirically derived correction factor that is applied to the theoretical differential flow equation in order to calculate a flow rate that is within stated uncertainty limits.

Effective date of a spot or composite gas sample means the first day on which the relative density and heating value determined from the sample are used in calculating the volume and quality on which royalty is based.

Electronic gas measurement (EGM) means all of the hardware and software necessary to convert the static pressure, differential pressure, and flowing temperature developed as part of a primary device, to a quantity, rate, or quality measurement that is used to determine Federal royalty. For orifice meters, this includes the differential-pressure transducer, static-pressure transducer, flowing-temperature transducer, on-line gas chromatograph (if used), flow computer, display, memory, and any internal or external processes used to edit and present the data or values measured.

Element range means the difference between the minimum and maximum value that the element (differential-pressure bellows, static-pressure element, and temperature element) of a mechanical recorder is designed to measure.

Event log means an electronic record of all exceptions and changes to the flow parameters contained within the configuration log that occur and have an impact on a quantity transaction record.

GPA (followed by a number) means a standard prescribed by the Gas Processors Association, with the number referring to the specific standard.

Heating value means the gross heat energy released by the complete combustion of one standard cubic foot of gas at 14.73 pounds per square inch absolute (psia) and 60 °F.

Heating value variability means the deviation of previous heating values over a given time period from the average heating value over that same time period, calculated at a 95 percent confidence level. Unless otherwise approved by the BLM, variability is determined with the following equation:

View or download PDF

Where:

V95% = heating value variability, %

σHV = standard deviation of the previous 5 heating values

2.776 = the “student-t” function for a probability of 0.05 and 4 degrees of freedom (degree of freedom is the number of samples minus 1)

HV= the average heating value over the time period used to determine the standard deviation

High-volume facility measurement point or high-volume FMP means any FMP that measures more than 200 Mcf/day, but less than or equal to 1,000 Mcf/day over the averaging period.

Hydrocarbon dew point means the temperature at which hydrocarbon liquids begin to form within a gas mixture. For the purpose of this regulation, the hydrocarbon dew point is the flowing temperature of the gas measured at the FMP, unless otherwise approved by the AO.

Integration means a process by which the lines on a circular chart (differential pressure, static pressure, and flowing temperature) used in conjunction with a mechanical chart recorder are re-traced or interpreted in order to determine the volume that is represented by the area under the lines. An integration statement documents the values determined from the integration.

Live input variable means a datum that is automatically obtained in real time by an EGM system.

Low-volume facility measurement point or low-volume FMP means any FMP that measures more than 35 Mcf/day, but less than or equal to 200 Mcf/day, over the averaging period.

Lower calibrated limit means the minimum engineering value for which a transducer was calibrated by certified equipment, either in the factory or in the field.

Mean means the sum of all the values in a data set divided by the number of values in the data set.

Mole percent means the number of molecules of a particular type that are present in a gas mixture divided by the total number of molecules in the gas mixture, expressed as a percentage.

Normal flowing point means the differential pressure, static pressure, and flowing temperature at which an FMP normally operates when gas is flowing through it.

Primary device means the volume-measurement equipment installed in a pipeline that creates a measureable and predictable pressure drop in response to the flow rate of fluid through the pipeline. It includes the pressure-drop device, device holder, pressure taps, required lengths of pipe upstream and downstream of the pressure-drop device, and any flow conditioners that may be used to establish a fully developed symmetrical flow profile.

Qualified test facility means a facility with currently certified measurement systems for mass, length, time, temperature, and pressure traceable to the NIST primary standards or applicable international standards approved by the BLM.

Quantity transaction record (QTR) means a report generated by an EGM system that summarizes the daily and hourly volumes calculated by the flow computer and the average or totals of the dynamic data that is used in the calculation of volume.

Reynolds number means the ratio of the inertial forces to the viscous forces of the fluid flow, and is defined as:

View or download PDF

Where:

Re = the Reynolds number

V = velocity

ρ = fluid density

D = inside meter tube diameter

µ = fluid viscosity

Redundancy verification means a process of verifying the accuracy of an EGM system by comparing the readings of two sets of transducers placed on the same primary device.

Secondary device means the differential-pressure, static-pressure, and temperature transducers in an EGM system, or a mechanical recorder, including the differential pressure, static pressure, and temperature elements, and the clock, pens, pen linkages, and circular chart.

Self-contained EGM system means an EGM system in which the transducers and flow computer are identified by a single make and model number from which the performance specifications for the transducers and flow computer are obtained. Any change to the make or model numbers of either a transducer or a flow computer within a self-contained EGM system changes the system to a component-type EGM system.

Senior fitting means a type of orifice plate holder that allows the orifice plate to be removed, inspected, and replaced without isolating and depressurizing the meter tube.

Standard cubic foot (scf) means a cubic foot of gas at 14.73 psia and 60 °F.

Standard deviation means a measure of the variation in a distribution, and is equal to the square root of the arithmetic mean of the squares of the deviations of each value in the distribution from the arithmetic mean of the distribution.

Tertiary device means, for EGM systems, the flow computer and associated memory, calculation, and display functions.

Threshold of significance means the maximum difference between two data sets (a and b) that can be attributed to uncertainty effects. The threshold of significance is determined as follows:

View or download PDF

Where:

Ts = Threshold of significance, in percent

Ua = Uncertainty (95 percent confidence) of data set a, in percent

Ub = Uncertainty (95 percent confidence) of data set b, in percent

Transducer means an electronic device that converts a physical property such as pressure, temperature, or electrical resistance into an electrical output signal that varies proportionally with the magnitude of the physical property. Typical output signals are in the form of electrical potential (volts), current (milliamps), or digital pressure or temperature readings. The term transducer includes devices commonly referred to as transmitters.

Turndown means a reduction of the measurement range of a transducer in order to improve measurement accuracy at the lower end of its scale. It is typically expressed as the ratio of the upper range limit to the upper calibrated limit.

Type test means a test on a representative number of a specific make, model, and range of a device to determine its performance over a range of operating conditions.

Uncertainty means the range of error that could occur between a measured value and the true value being measured, calculated at a 95 percent confidence level.

Upper calibrated limit means the maximum engineering value for which a transducer was calibrated by certified equipment, either in the factory or in the field.

Upper range limit (URL) means the maximum value that a transducer is designed to measure.

Verification means the process of determining the amount of error in a differential pressure, static pressure, or temperature transducer or element by comparing the readings of the transducer or element with the readings from a certified test device with known accuracy.

Very-low-volume facility measurement point or very-low-volume FMP means any FMP that measures 35 Mcf/day or less over the averaging period.

Very-high-volume facility measurement point or very-high-volume FMP means any FMP that measures more than 1,000 Mcf/day over the averaging period.

(b) As used in this subpart the following additional acronyms carry the meaning prescribed:

GARVS means the BLM's Gas Analysis Reporting and Verification System.

GC means gas chromatograph.

GPA means the Gas Processors Association.

Mcf means 1,000 standard cubic feet.

psia means pounds per square inch—absolute.

psig means pounds per square inch—gauge.

 Back to Top

§3175.20   General requirements.

Measurement of all gas at an FMP must comply with the standards prescribed in this subpart, except as otherwise approved under §3170.6 of this part.

 Back to Top

§3175.30   Incorporation by reference.

(a) Certain material identified in this section is incorporated by reference into this part with the approval of the Director of the Federal Register under 5 U.S.C. 552(a) and 1 CFR part 51. Operators must comply with all incorporated standards and material as they are listed in this section. To enforce any edition other than that specified in this section, the BLM must publish a rule in the Federal Register and the material must be reasonably available to the public. All approved material is available for inspection at the Bureau of Land Management, Division of Fluid Minerals, 20 M Street SE., Washington, DC 20003, 202-912-7162; and at all BLM offices with jurisdiction over oil and gas activities; and is available from the sources listed below. It is also available for inspection at the National Archives and Records Administration (NARA). For information on the availability of this material at NARA, call 202-741-6030 or go to http://www.archives.gov/federal_register/code_of_federal_regulations/ibr_locations.html.

(b) American Gas Association (AGA), 400 North Capitol Street NW., Suite 450, Washington, DC 20001; telephone 202-824-7000.

(1) AGA Report No. 3, Orifice Metering of Natural Gas and Other Related Hydrocarbon Fluids, Second Edition, September, 1985 (“AGA Report No. 3 (1985)”), IBR approved for §§3175.61(a) and (b), 3175.80(k), and 3175.94(a).

(2) AGA Transmission Measurement Committee Report No. 8, Compressibility Factors of Natural Gas and Other Related Hydrocarbon Gases; Second Edition, November 1992 (“AGA Report No. 8”), IBR approved for §§3175.103(a) and 3175.120(d).

(c) American Petroleum Institute (API), 1220 L Street NW., Washington, DC 20005; telephone 202-682-8000. API also offers free, read-only access to some of the material at http://publications.api.org.

(1) API Manual of Petroleum Measurement Standards (MPMS) Chapter 14—Natural Gas Fluids Measurement, Section 1, Collecting and Handling of Natural Gas Samples for Custody Transfer; Seventh Edition, May 2016 (“API 14.1”), IBR approved for §§3175.112(b) and (c), 3175.113(c), and 3175.114(b).

(2) API MPMS, Chapter 14, Section 3, Orifice Metering of Natural Gas and Other Related Hydrocarbon Fluids—Concentric, Square-edged Orifice Meters, Part 1, General Equations and Uncertainty Guidelines; Fourth Edition, September 2012; Errata, July 2013 (“API 14.3.1”), IBR approved for §3175.31(a) and Table 1 to §3175.80.

(3) API MPMS Chapter 14, Section 3, Orifice Metering of Natural Gas and Other Related Hydrocarbon Fluids—Concentric, Square-edged Orifice Meters, Part 2, Specification and Installation Requirements; Fifth Edition, March 2016 (“API 14.3.2”), IBR approved for §§3175.46(b) and (c), 3175.61(a), 3175.80(c) through (g) and (i) through (l), and Table 1 to §3175.80.

(4) API MPMS Chapter 14, Section 3, Orifice Metering of Natural Gas and Other Related Hydrocarbon Fluids—Concentric, Square-edged Orifice Meters, Part 3, Natural Gas Applications; Fourth Edition, November 2013 (“API 14.3.3”), IBR approved for §§3175.94(a) and 3175.103(a).

(5) API MPMS Chapter 14, Natural Gas Fluids Measurement, Section 3, Concentric, Square-Edged Orifice Meters, Part 3, Natural Gas Applications, Third Edition, August, 1992 (“API 14.3.3 (1992)”), IBR approved for §3175.61(b).

(6) API MPMS, Chapter 14, Section 5, Calculation of Gross Heating Value, Relative Density, Compressibility and Theoretical Hydrocarbon Liquid Content for Natural Gas Mixtures for Custody Transfer; Third Edition, January 2009; Reaffirmed February 2014 (“API 14.5”), IBR approved for §§3175.120(c) and 3175.125(a).

(7) API MPMS Chapter 21, Section 1, Flow Measurement Using Electronic Metering Systems—Electronic Gas Measurement; Second Edition, February 2013 (“API 21.1”), IBR approved for Table 1 to §3175.100, §§3175.101(e), 3175.102(a) and (c) through (e), 3175.103(b) and (c), and 3175.104(a) through (d).

(8) API MPMS Chapter 22—Testing Protocol, Section 2, Differential Pressure Flow Measurement Devices; First Edition, August 2005; Reaffirmed August 2012 (“API 22.2”), IBR approved for §3175.47(b) through (d).

(d) Gas Processors Association (GPA), 6526 E. 60th Street, Tulsa, OK 74145; telephone 918-493-3872.

(1) GPA Standard 2166-05, Obtaining Natural Gas Samples for Analysis by Gas Chromatography Revised 2005 (“GPA 2166-05”), IBR approved for §§3175.113(c) and (d), 3175.114(a), and 3175.117(a).

(2) GPA Standard 2261-13, Analysis for Natural Gas and Similar Gaseous Mixtures by Gas Chromatography; Revised 2013 (“GPA 2261-13”), IBR approved for §3175.118(a) and (c).

(3) GPA Standard 2198-03, Selection, Preparation, Validation, Care and Storage of Natural Gas and Natural Gas Liquids Reference Standard Blends; Revised 2003 (“GPA 2198-03”), IBR approved for §3175.118(c).

(4) GPA Standard 2286-14, Method for the Extended Analysis of Natural Gas and Similar Gaseous Mixtures by Temperature Program Gas Chromatography; Revised 2014 (“GPA 2286-14”), IBR approved for §3175.118(e).

(e) Pipeline Research Council International (PRCI), 3141 Fairview Park Dr., Suite 525, Falls Church, VA 22042; telephone 703-205-1600.

(1) PRCI Contract-NX-19, Manual for the Determination of Supercompressibility Factors for Natural Gas; December 1962 (“PRCI NX 19”), IBR approved for §3175.61(b).

(2) [Reserved]

Note to paragraphs (b) through (e): You may also be able to purchase these standards from the following resellers: Techstreet, 3916 Ranchero Drive, Ann Arbor, MI 48108; telephone 734-780-8000; www.techstreet.com/api/apigate.html; IHS Inc., 321 Inverness Drive South, Englewood, CO 80112; 303-790-0600; www.ihs.com; SAI Global, 610 Winters Ave., Paramus, NJ 07652; telephone 201-986-1131; http://infostore.saiglobal.com/store/.

 Back to Top

§3175.31   Specific performance requirements.

(a) Flow rate measurement uncertainty levels. (1) For high-volume FMPs, the measuring equipment must achieve an overall flow rate measurement uncertainty within ±3 percent.

(2) For very-high-volume FMPs, the measuring equipment must achieve an overall flow rate measurement uncertainty within ±2 percent.

(3) The determination of uncertainty is based on the values of flowing parameters (e.g., differential pressure, static pressure, and flowing temperature for differential meters or velocity, mass flow rate, or volumetric flow rate for linear meters) determined as follows, listed in order of priority:

(i) The average flowing parameters listed on the most recent daily QTR, if available to the BLM at the time of uncertainty determination; or

(ii) The average flowing parameters from the previous day, as required under §3175.101(b)(4)(i) through (iii) (for differential meters).

(4) The uncertainty must be calculated under API 14.3.1, Section 12 (incorporated by reference, see §3175.30) or other methods approved by the AO.

(b) Heating value uncertainty levels. (1) For high-volume FMPs, the measuring equipment must achieve an annual average heating value uncertainty within ±2 percent.

(2) For very-high-volume FMPs, the measuring equipment must achieve an annual average heating value uncertainty within ±1 percent.

(3) Unless otherwise approved by the AO, the average annual heating value uncertainty must be determined as follows:

View or download PDF

(c) Bias. For low-volume, high-volume, and very-high-volume FMPs, the measuring equipment used for either flow rate or heating value determination must achieve measurement without statistically significant bias.

(d) Verifiability. An operator may not use measurement equipment for which the accuracy and validity of any input, factor, or equation used by the measuring equipment to determine quantity, rate, or heating value are not independently verifiable by the BLM. Verifiability includes the ability to independently recalculate the volume, rate, and heating value based on source records and field observations.

 Back to Top

§3175.40   Measurement equipment approved by standard or make and model.

The measurement equipment described in §§3175.41 through 3175.49 is approved for use at FMPs under the conditions and circumstances stated in those sections, provided it meets or exceeds the minimum standards prescribed in this subpart.

 Back to Top

§3175.41   Flange-tapped orifice plates.

Flange-tapped orifice plates that are constructed, installed, operated, and maintained in accordance with the standards in §3175.80 are approved for use.

 Back to Top

§3175.42   Chart recorders.

Chart recorders used in conjunction with approved differential-type meters that are installed, operated, and maintained in accordance with the standards in §3175.90 are approved for use for low-volume and very-low-volume FMPs only, and are not approved for high-volume or very-high-volume FMPs.

 Back to Top

§3175.43   Transducers.

(a) A transducer of a specific make, model, and URL is approved for use in conjunction with differential meters for high-volume or very-high-volume FMPs if it meets the following requirements:

(1) It has been type-tested under §3175.130;

(2) The documentation required in §3175.134 has been submitted to the PMT; and

(3) It has been approved by the BLM and placed on the list of type-tested equipment maintained at www/blm.gov.

(b) A transducer of a specific make, model, and URL, in use at an FMP before January 17, 2017, is approved for continued use if:

(1) Data supporting the published performance specification of the transducer are submitted to the PMT in lieu of the documentation required in paragraph (a)(2) of this section; and

(2) It has been approved by the BLM and placed on the list of type-tested equipment maintained at www.blm.gov.

(c) All transducers are approved for use at very-low- and low-volume FMPs.

 Back to Top

§3175.44   Flow-computer software.

(a) A flow computer of a particular make and model, and equipped with a particular software version, is approved for use at high- and very-high-volume FMPs if the flow computer and software version meet the following requirements:

(1) The documentation required in §3175.144 has been submitted to the PMT;

(2) The PMT has determined that the flow computer and software version passed the type-testing required in §3175.140, except as provided in paragraph (b) of this section; and

(3) The BLM has approved the flow computer and software version and has placed them on the list of approved equipment maintained at www.blm.gov.

(b) Software versions (high- and very-high-volume FMPs). (1) Software revisions that affect or have the potential to affect determination of flow rate, determination of volume, determination of heating value, or data or calculations used to verify flow rate, volume, or heating value must be type-tested under §3175.140.

(2) Software revisions that do not affect or have the potential to affect the determination of flow rate, determination of volume, determination of heating value, or data and calculations used to verify flow rate, volume, or heating value are not required to be type-tested, however, the operator must provide the BLM with a list of these software versions and a brief description of what changes were made from the previous version. (The software manufacturer may provide such information instead of the operator.)

(c) Software versions (low- and very-low-volume FMPs). All software versions are approved for use at low- and very-low-volume FMPs, unless otherwise required by the BLM.

 Back to Top

§3175.45   Gas chromatographs.

GCs that meet the standards in §§3175.117 and 3175.118 for determining heating value and relative density are approved for use.

 Back to Top

§3175.46   Isolating flow conditioners.

The BLM will list on www.blm.gov the make, model, and size of isolating flow conditioner that is approved for use in conjunction with a flange-tapped orifice plate, so long as the isolating flow conditioner is installed, operated, and maintained in compliance with the requirements of this section. Approval of a particular make and model is obtained as prescribed in this section.

(a) All testing required under this section must be performed at a qualified test facility not affiliated with the flow-conditioner manufacturer.

(b) The operator or manufacturer must test the flow conditioner under API 14.3.2, Annex D (incorporated by reference, see §3175.30) and submit all test data to the BLM.

(c) The PMT will review the test data to ensure that the device meets the requirements of API 14.3.2, Annex D (incorporated by reference, see §3175.30) and make a recommendation to the BLM to either approve use of the device, disapprove use of the device, or approve it with conditions for its use.

(d) If approved, the BLM will add the approved make and model, and any applicable conditions of use, to the list maintained at www.blm.gov.

 Back to Top

§3175.47   Differential primary devices other than flange-tapped orifice plates.

A make, model, and size of differential primary device listed at www.blm.gov is approved for use if it is installed, operated, and maintained in compliance with any applicable conditions of use identified on www.blm.gov for that device. Approval of a particular make and model is obtained as follows:

(a) All testing required under this section must be performed at a qualified test facility not affiliated with the primary device manufacturer.

(b) The primary device must be tested under API 22.2 (incorporated by reference, see §3175.30).

(c) The operator must submit to the BLM all test data required under API 22.2 (incorporated by reference, see §3175.30). (The manufacturer of the primary device may submit such information instead of the operator.)

(d) The PMT will review the test data to ensure that the primary device meets the requirements of API 22.2 (incorporated by reference, see §3175.30) and §3175.31(c) and (d) and make a recommendation to the BLM to either approve use of the device, disapprove use of the device, or approve its use with conditions.

(e) If the primary device is approved by the BLM, the BLM will add the approved make and model, and any applicable conditions of use, to the list maintained at www.blm.gov.

 Back to Top

§3175.48   Linear measurement devices.

A make, model, and size of linear measurement device listed at www.blm.gov is approved for use if it is installed, operated, and maintained in compliance with any conditions of use identified on www.blm.gov for that device. Approval of a particular make and model is obtained as follows:

(a) The linear measurement device must be tested at a qualified test facility not affiliated with the linear-measurement-device manufacturer;

(b) The operator or manufacturer must submit to the BLM all test data required by the PMT;

(c) The PMT will review the test data to ensure that the linear measurement device meets the requirements of §3175.31(c) and (d) and make a recommendation to the BLM to either approve use of the device, disapprove use of the device, or approve its use with conditions; and

(d) If the linear measurement device is approved, the BLM will add the approved make and model, and any applicable conditions of use, to the list maintained at www.blm.gov.

 Back to Top

§3175.49   Accounting systems.

An accounting system with a name and version listed at www.blm.gov is approved for use in reporting logs and records to the BLM. The approval is specific to those makes and models of flow computers for which testing demonstrates compatibility. Approval for a particular name and version of accounting system used with a particular make and model of flow computer is obtained as follows:

(a) For daily QTRs (see §3175.104(a)), an operator or vendor must submit daily QTRs to the BLM both from the accounting system and directly from the flow computer for at least 6 consecutive monthly reporting periods;

(b) For hourly QTRs (see §3175.104(a)), an operator must submit hourly QTRs to the BLM both from the accounting system and directly from the flow computer for at least 15 consecutive daily reporting periods. (A vendor may submit such information on behalf of an operator);

(c) For configuration logs (see §3175.104(b)), an operator must submit at least 10 configuration logs to the BLM taken at random times covering a span of at least 6 months both from the accounting system and directly from the flow computer. (A vendor may submit such information on behalf of an operator);

(d) For event logs (see §3175.104(c)), an operator must submit an event log to the BLM containing at least 50 events both from the accounting system and directly from the flow computer. (A vendor may submit such information on behalf of an operator);

(e) For alarm logs (see §3175.104(d)), an operator must submit an alarm log to the BLM containing at least 50 alarm conditions both from the accounting system and directly from the flow computer (a vendor may submit such information on behalf of an operator);

(f) The BLM may require additional tests and records that may be necessary to determine that the software meets the requirements of §3175.104(a);

(g) The records retrieved directly from the flow computer in paragraphs (a) through (d) of this section must be unedited;

(h) The records retrieved from the accounting system in paragraphs (a) through (d) must include both edited and unedited versions; and

(i) The BLM will approve the accounting system name and version for use with the make and model of flow computer used for comparison, and add the system name and version to the list of approved systems maintained at www.blm.gov if:

(1) The BLM compares the records retrieved directly from the flow computer with the unedited records from the accounting system and there are no significant discrepancies; and

(2) The BLM compares the records retrieved directly from the flow computer with the edited records from the accounting system and all changes are clearly indicated, the reason for each change is indicated or is available upon request, and the edited version is clearly distinguishable from the unedited version.

 Back to Top

§3175.60   Timeframes for compliance.

(a) New FMPs. (1) Except as allowed in paragraphs (a)(2) through (4) of this section, the measuring procedures and equipment installed at any FMP on or after January 17, 2017 must comply with all of the requirements of this subpart upon installation.

(2) The gas analysis reporting requirements of §3175.120(e) and (f) will begin on January 17, 2019.

(3) High- and very-high-volume FMPs must comply with the sampling frequency requirements of §3175.115(b) starting on January 17, 2019. Between January 17, 2017 and January 17, 2019, the initial sampling frequencies required at high- and very-high-volume FMPs are those listed in Table 1 to §3175.110.

(4) Equipment approvals required in §§3175.43, 3175.44, and 3175.46 through 3175.49 will be required after January 17, 2019.

(b) Existing FMPs. (1) Except as allowed in §3175.61, measuring procedures and equipment at any FMP in place before January 17, 2017 must comply with the requirements of this subpart within the timeframes specified in this paragraph (b).

(2) High- and very-high-volume FMPs must comply with:

(i) All of the requirements of this subpart except as specified in paragraphs (b)(2)(ii) and (iii) of this section by January 17, 2018;

(ii) The gas analysis reporting requirements of §3175.120(e) and (f) starting on January 17, 2019; and

(iii) Equipment approvals required in §§3175.43, 3175.44, and 3175.46 through 3175.49 starting on January 17, 2019.

(3) Low-volume FMPs must comply with all of the requirements of this subpart by January 17, 2019.

(4) Very-low-volume FMPs must comply with all of the requirements of this subpart by January 17, 2020.

(c) During the phase-in timeframes in paragraph (b) of this section, measuring procedures and equipment in place before January 17, 2017 must comply with the requirements in place prior to the issuance of this rule, including Onshore Oil and Gas Order No. 5, Measurement of Gas, and applicable NTLs, COAs, and written orders.

(d) Onshore Oil and Gas Order No. 5, Measurement of Gas, statewide NTLs, variance approvals, and written orders that establish requirements or standards related to gas measurement and that are in effect on January 17, 2017 are rescinded as of:

(1) January 17, 2018 for high-volume and very-high-volume FMPs;

(2) January 17, 2019 for low-volume FMPs; and

(3) January 17, 2020 for very-low-volume FMPs.

 Back to Top

§3175.61   Grandfathering.

(a) Meter tubes. Meter tubes installed at high- and low-volume FMPs before January 17, 2017 are exempt from the meter tube requirements of API 14.3.2, Subsection 6.2 (incorporated by reference, see §3175.30), and §3175.80(f) and (k). For high-volume FMPs, the BLM will add an uncertainty of ±0.25 percent to the discharge coefficient uncertainty when determining overall meter uncertainty under §3175.31(a), unless the PMT reviews, and the BLM approves, data showing otherwise. Meter tubes grandfathered under this section must still meet the following requirements:

(1) Orifice plate eccentricity must comply with AGA Report No. 3 (1985), Section 4.2.4 (incorporated by reference, see §3175.30).

(2) Meter tube construction and condition must comply with AGA Report No. 3 (1985), Section 4.3.4 (incorporated by reference, see §3175.30).

(3) Meter tube lengths. (i) Meter tube lengths must comply with AGA Report No. 3 (1985), Section 4.4 (dimensions “A” and “A'” from Figures 4-8) (incorporated by reference, see §3175.30).

(ii) If the upstream meter tube contains a 19-tube bundle flow straightener or isolating flow conditioner, the installation must comply with §3175.80(g);

(b) EGM software. (1) EGM software installed at very-low-volume FMPs before January 17, 2017 is exempt from the requirements in §3175.103(a)(1). However, flow-rate calculations must still be calculated in accordance with AGA Report No. 3 (1985), Section 6, or API 14.3.3 (1992), and supercompressibility calculations must still be calculated in accordance with PRCI NX 19 (all incorporated by reference, see §3175.30).

(2) EGM software installed at low-volume FMPs before January 17, 2017 is exempt from the requirements at §3175.103(a)(1)(i) if the differential-pressure to static-pressure ratio, based on the monthly average differential pressure and static pressure, is less than the value of “xi” shown in API 14.3.3 (1992), Annex G, Table G.1 (incorporated by reference, see §3175.30). However, flow-rate calculations must still be calculated in accordance with API 14.3.3 (1992) (incorporated by reference, see §3175.30).

 Back to Top

§3175.70   Measurement location.

(a) Commingling and allocation. Gas produced from a lease, unit PA, or CA may not be commingled with production from other leases, unit PAs, CAs, or non-Federal properties before the point of royalty measurement, unless prior approval is obtained under 43 CFR subpart 3173.

(b) Off-lease measurement. Gas must be measured on the lease, unit, or CA unless approval for off-lease measurement is obtained under 43 CFR subpart 3173.

 Back to Top

§3175.80   Flange-tapped orifice plates (primary devices).

Except as stated in this section, as prescribed in Table 1 to this section, or grandfathered under §3175.61, the standards and requirements in this section apply to all flange-tapped orifice plates (Note: The following table lists the standards in this subpart and the API standards that the operator must follow to install and maintain flange-tapped orifice plates. A requirement applies when a column is marked with an “x” or a number.).

View or download PDF

(a) The Beta ratio must be no less than 0.10 and no greater than 0.75.

(b) The orifice bore diameter must be no less than 0.45 inches.

(c) For FMPs measuring production from wells first coming into production, or from existing wells that have been re-fractured (including FMPs already measuring production from one or more other wells), the operator must inspect the orifice plate upon installation and then every 2 weeks thereafter. If the inspection shows that the orifice plate does not comply with API 14.3.2, Section 4 (incorporated by reference, see §3175.30), the operator must replace the orifice plate. When the inspection shows that the orifice plate complies with API 14.3.2, Section 4 (incorporated by reference, see §3175.30), the operator thereafter must inspect the orifice plate as prescribed in paragraph (d) of this section.

(d) The operator must pull and inspect the orifice plate at the frequency (in months) identified in Table 1 to this section. The operator must replace orifice plates that do not comply with API 14.3.2, Section 4 (incorporated by reference, see §3175.30), with an orifice plate that does comply with these standards.

(e) The operator must retain documentation for every plate inspection and must include that documentation as part of the verification report (see §3175.92(d) for mechanical recorders, or §3175.102(e) for EGM systems). The operator must provide that documentation to the BLM upon request. The documentation must include:

(1) The information required in §3170.7(g) of this part;

(2) Plate orientation (bevel upstream or downstream);

(3) Measured orifice bore diameter;

(4) Plate condition (compliance with API 14.3.2, Section 4 (incorporated by reference, see §3175.30));

(5) The presence of oil, grease, paraffin, scale, or other contaminants on the plate;

(6) Time and date of inspection; and

(7) Whether or not the plate was replaced.

(f) Meter tubes must meet the requirements of API 14.3.2, Subsections 5.1 through 5.4 (incorporated by reference, see §3175.30).

(g) If flow conditioners are used, they must be either isolating-flow conditioners approved by the BLM and installed under BLM requirements (see §3175.46) or 19-tube-bundle flow straighteners constructed in compliance with API 14.3.2, Subsections 5.5.2 through 5.5.4, and located in compliance with API 14.3.2, Subsection 6.3 (incorporated by reference, see §3175.30).

(h) Basic meter tube inspection. The operator must:

(1) Perform a basic inspection of meter tubes within the timeframe (in years) specified in Table 1 to this section;

(2) Conduct a basic inspection that is able to identify obstructions, pitting, and buildup of foreign substances (e.g., grease and scale);

(3) Notify the AO at least 72 hours in advance of performing a basic inspection or submit a monthly or quarterly schedule of basic inspections to the AO in advance;

(4) Conduct additional inspections, as the AO may require, if warranted by conditions, such as corrosive or erosive-flow (e.g., high H2S or CO2 content) or signs of physical damage to the meter tube;

(5) Maintain documentation of the findings from the basic meter tube inspection including:

(i) The information required in §3170.7(g) of this part;

(ii) The time and date of inspection;

(iii) The type of equipment used to make the inspection; and

(iv) A description of findings, including location and severity of pitting, obstructions, and buildup of foreign substances; and

(6) Complete the first inspection after January 17, 2017 within the timeframes (in years) given in Table 1 to this section.

(i) Detailed meter tube inspection. (1) Within 30 days of a basic inspection that indicates the presence of pitting, obstructions, or a buildup of foreign substances, the operator must:

(i) For low-volume FMPs, clean the meter tube of obstructions and foreign substances;

(ii) For high- and very-high-volume FMPs, physically measure and inspect the meter tube to determine if the meter tube complies with API 14.3.2, Subsections 5.1 through 5.4 and API 14.3.2, Subsection 6.2 (incorporated by reference, see §3175.30), or the requirements under §3175.61(a), if the meter tube is grandfathered under §3175.61(a). If the meter tube does not comply with the applicable standards, the operator must repair the meter tube to bring the meter tube into compliance with these standards or replace the meter tube with one that meets these standards; or

(iii) Submit a request to the AO for an extension of the 30-day timeframe, justifying the need for the extension.

(2) For all high- and very-high volume FMPs installed after January 17, 2017, the operator must perform a detailed inspection under paragraph (i)(1)(ii) of this section before operation of the meter. The operator may submit documentation showing that the meter tube complies with API 14.3.2, Subsections 5.1 through 5.4 (incorporated by reference, see §3175.30) in lieu of performing a detailed inspection.

(3) The operator must notify the AO at least 24 hours before performing a detailed inspection.

(j) The operator must retain documentation of all detailed meter tube inspections, demonstrating that the meter tube complies with API 14.3.2, Subsections 5.1 through 5.4 (incorporated by reference, see §3175.30), and showing all required measurements. The operator must provide such documentation to the BLM upon request for every meter-tube inspection. Documentation must also include the information required in §3170.7(g) of this part.

(k) Meter tube lengths. (1) Meter-tube lengths and the location of 19-tube-bundle flow straighteners, if applicable, must comply with API 14.3.2, Subsection 6.3 (incorporated by reference, see §3175.30).

(2) For Beta ratios of less than 0.5, the location of 19-tube bundle flow straighteners installed in compliance with AGA Report No. 3 (1985), Section 4.4 (incorporated by reference, see §3175.30), also complies with the location of 19-tube bundle flow straighteners as required in paragraph (k)(1) of this section.

(3) If the diameter ratio (β) falls between the values in Tables 7, 8a, or 8b of API 14.3.2, Subsection 6.3 (incorporated by reference, see §3175.30), the length identified for the larger diameter ratio in the appropriate Table is the minimum requirement for meter-tube length and determines the location of the end of the 19-tube-bundle flow straightener closest to the orifice plate. For example, if the calculated diameter ratio is 0.41, use the table entry for a 0.50 diameter ratio.

(l) Thermometer wells. (1) Thermometer wells used for determining the flowing temperature of the gas as well as thermometer wells used for verification (test well) must be located in compliance with API 14.3.2, Subsection 6.5 (incorporated by reference, see §3175.30).

(2) Thermometer wells must be located in such a way that they can sense the same flowing gas temperature that exists at the orifice plate. The operator may accomplish this by physically locating the thermometer well(s) in the same ambient temperature conditions as the primary device (such as in a heated meter house) or by installing insulation and/or heat tracing along the entire meter run. If the operator chooses to use insulation to comply with this requirement, the AO may prescribe the quality of the insulation based on site specific factors such as ambient temperature, flowing temperature of the gas, composition of the gas, and location of the thermometer well in relation to the orifice plate (i.e., inside or outside of a meter house).

(3) Where multiple thermometer wells have been installed in a meter tube, the flowing temperature must be measured from the thermometer well closest to the primary device.

(4) Thermometer wells used to measure or verify flowing temperature must contain a thermally conductive liquid.

(m) The sampling probe must be located as specified in §3175.112(b).

 Back to Top

§3175.90   Mechanical recorder (secondary device).

(a) The operator may use a mechanical recorder as a secondary device only on very-low-volume and low-volume FMPs.

(b) Table 1 to this section lists the standards that the operator must follow to install, operate, and maintain mechanical recorders. A requirement applies when a column is marked with an “x” or a number.

View or download PDF

 Back to Top

§3175.91   Installation and operation of mechanical recorders.

(a) Gauge lines connecting the pressure taps to the mechanical recorder must:

(1) Have a nominal diameter of not less than 3/8 inch, including ports and valves;

(2) Be sloped upwards from the pressure taps at a minimum pitch of 1 inch per foot of length with no visible sag;

(3) Be the same internal diameter along their entire length;

(4) Not include tees, except for the static-pressure line;

(5) Not be connected to more than one differential-pressure bellows and static-pressure element, or to any other device; and

(6) Be no longer than 6 feet.

(b) The differential-pressure pen must record at a minimum reading of 10 percent of the differential-pressure-bellows range for the majority of the flowing period. This requirement does not apply to inverted charts.

(c) The flowing temperature of the gas must be continuously recorded and used in the volume calculations under §3175.94(a)(1).

(d) The following information must be maintained at the FMP in a legible condition, in compliance with §3170.7(g) of this part, and accessible to the AO at all times:

(1) Differential-pressure-bellows range;

(2) Static-pressure-element range;

(3) Temperature-element range;

(4) Relative density (specific gravity) of the gas;

(5) Static-pressure units of measure (psia or psig);

(6) Meter elevation;

(7) Meter-tube inside diameter;

(8) Primary device type;

(9) Orifice-bore or other primary-device dimensions necessary for device verification, Beta- or area-ratio determination, and gas-volume calculation;

(10) Make, model, and location of approved isolating flow conditioners, if used;

(11) Location of the downstream end of 19-tube-bundle flow straighteners, if used;

(12) Date of last primary-device inspection; and

(13) Date of last meter verification.

(e) The differential pressure, static pressure, and flowing temperature elements must be operated between the lower- and upper-calibrated limits of the respective elements.

 Back to Top

§3175.92   Verification and calibration of mechanical recorders.

(a) Verification after installation or following repair. (1) Before performing any verification of a mechanical recorder required in this part, the operator must perform a leak test. The verification must not proceed if leaks are present. The leak test must be conducted in a manner that will detect leaks in the following:

(i) All connections and fittings of the secondary device, including meter manifolds and verification equipment;

(ii) The isolation valves; and

(iii) The equalizer valves.

(2) The operator must adjust the time lag between the differential- and static-pressure pens, if necessary, to be 1/96 of the chart rotation period, measured at the chart hub. For example, the time lag is 15 minutes on a 24-hour test chart and 2 hours on an 8-day test chart.

(3) The meter's differential pen arc must be able to duplicate the test chart's time arc over the full range of the test chart, and must be adjusted, if necessary.

(4) The as-left values must be verified in the following sequence against a certified pressure device for the differential-pressure and static-pressure elements (if the static-pressure pen has been offset for atmospheric pressure, the static-pressure element range is in psia):

(i) Zero (vented to atmosphere);

(ii) 50 percent of element range;

(iii) 100 percent of element range;

(iv) 80 percent of element range;

(v) 20 percent of element range; and

(vi) Zero (vented to atmosphere).

(5) The following as-left temperatures must be verified by placing the temperature probe in a water bath with a certified test thermometer:

(i) Approximately 10 °F below the lowest expected flowing temperature;

(ii) Approximately 10 °F above the highest expected flowing temperature; and

(iii) At the expected average flowing temperature.

(6) If any of the readings required in paragraph (a)(4) or (5) of this section vary from the test device reading by more than the tolerances shown in Table 1 to this section, the operator must replace and verify the element for which readings were outside the applicable tolerances before returning the meter to service.

View or download PDF

(7) If the static-pressure pen is offset for atmospheric pressure:

(i) The atmospheric pressure must be calculated under appendix A to this subpart; and

(ii) The pen must be offset prior to obtaining the as-left verification values required in paragraph (a)(4) of this section.

(b) Routine verification frequency. The differential pressure, static pressure, and temperature elements must be verified under the requirements of this section at the frequency specified in Table 1 to §3175.90, in months.

(c) Routine verification procedures. (1) Before performing any verification required in this part, the operator must perform a leak test in the manner required under paragraph (a)(1) of this section.

(2) No adjustments to the pens or linkages may be made until an as-found verification is obtained. If the static pen has been offset for atmospheric pressure, the static pen must not be reset to zero until the as-found verification is obtained.

(3) The operator must obtain the as-found values of differential and static pressure against a certified pressure device at the readings listed in paragraph (a)(4) of this section, with the following additional requirements:

(i) If there is sufficient data on site to determine the point at which the differential and static pens normally operate, the operator must also obtain an as-found value at those points;

(ii) If there is not sufficient data on site to determine the points at which the differential and static pens normally operate, the operator must also obtain as-found values at 5 percent of the element range and 10 percent of the element range; and

(iii) If the static-pressure pen has been offset for atmospheric pressure, the static-pressure element range is in units of psia.

(4) The as-found value for temperature must be taken using a certified test thermometer placed in a test thermometer well if there is flow through the meter and the meter tube is equipped with a test thermometer well. If there is no flow through the meter or if the meter is not equipped with a test thermometer well, the temperature probe must be verified by placing it along with a test thermometer in an insulated water bath.

(5) The element undergoing verification must be calibrated according to manufacturer specifications if any of the as-found values determined under paragraph (c)(3) or (4) of this section are not within the tolerances shown in Table 1 to this section, when compared to the values applied by the test equipment.

(6) The operator must adjust the time lag between the differential- and static-pressure pens, if necessary, to be 1/96 of the chart rotation period, measured at the chart hub. For example, the time lag is 15 minutes on a 24-hour test chart and 2 hours on an 8-day test chart.

(7) The meter's differential pen arc must be able to duplicate the test chart's time arc over the full range of the test chart, and must be adjusted, if necessary.

(8) If any adjustment to the meter was made, the operator must perform an as-left verification on each element adjusted using the procedures in paragraphs (c)(3) and (4) of this section.

(9) If, after an as-left verification, any of the readings required in paragraph (c)(3) or (4) of this section vary by more than the tolerances shown in Table 1 to this section when compared with the test-device reading, any element which has readings that are outside of the applicable tolerances must be replaced and verified under this section before the operator returns the meter to service.

(10) If the static-pressure pen is offset for atmospheric pressure:

(i) The atmospheric pressure must be calculated under appendix A to this subpart; and

(ii) The pen must be offset prior to obtaining the as-left verification values required in paragraph (c)(3) of this section.

(d) The operator must retain documentation of each verification, as required under §3170.7(g) of this part, and submit it to the BLM upon request. This documentation must include:

(1) The time and date of the verification and the prior verification date;

(2) Primary-device data (meter-tube inside diameter and differential-device size and Beta or area ratio) if the orifice plate is pulled and inspected;

(3) The type and location of taps (flange or pipe, upstream or downstream static tap);

(4) Atmospheric pressure used to offset the static-pressure pen, if applicable;

(5) Mechanical recorder data (make, model, and differential pressure, static pressure, and temperature element ranges);

(6) The normal operating points for differential pressure, static pressure, and flowing temperature;

(7) Verification points (as-found and applied) for each element;

(8) Verification points (as-left and applied) for each element, if a calibration was performed;

(9) Names, contact information, and affiliations of the person performing the verification and any witness, if applicable; and

(10) Remarks, if any.

(e) Notification of verification. (1) For verifications performed after installation or following repair, the operator must notify the AO at least 72 hours before conducting the verifications.

(2) For routine verifications, the operator must notify the AO at least 72 hours before conducting the verification or submit a monthly or quarterly verification schedule to the AO in advance.

(f) If, during the verification, the combined errors in as-found differential pressure, static pressure, and flowing temperature taken at the normal operating points tested result in a flow-rate error greater than 2 percent or 2 Mcf/day, whichever is greater, the volumes reported on the OGOR and on royalty reports submitted to ONRR must be corrected beginning with the date that the inaccuracy occurred. If that date is unknown, the volumes must be corrected beginning with the production month that includes the date that is half way between the date of the last verification and the date of the current verification. For example: Meter verification determined that the meter was reading 4 Mcf/day high at the normal operating points. The average flow rate measured by the meter is 90 Mcf/day. There is no indication of when the inaccuracy occurred. The date of the current verification was December 15, 2015. The previous verification was conducted on June 15, 2015. The royalty volumes reported on OGOR B that were based on this meter must be corrected for the 4 Mcf/day error back to September 15, 2015.

(g) Test equipment used to verify or calibrate elements at an FMP must be certified at least every 2 years. Documentation of the recertification must be on-site during all verifications and must show:

(1) Test equipment serial number, make, and model;

(2) The date on which the recertification took place;

(3) The test equipment measurement range; and

(4) The uncertainty determined or verified as part of the recertification.

 Back to Top

§3175.93   Integration statements.

An unedited integration statement must be retained and made available to the BLM upon request. The integration statement must contain the following information:

(a) The information required in §3170.7(g) of this part;

(b) The name of the company performing the integration;

(c) The month and year for which the integration statement applies;

(d) Meter-tube inside diameter (inches);

(e) The following primary device information, as applicable:

(i) Orifice bore diameter (inches); or

(ii) Beta or area ratio, discharge coefficient, and other information necessary to calculate the flow rate;

(f) Relative density (specific gravity);

(g) CO2 content (mole percent);

(h) N2 content (mole percent);

(i) Heating value calculated under §3175.125 (Btu/standard cubic feet);

(j) Atmospheric pressure or elevation at the FMP;

(k) Pressure base;

(l) Temperature base;

(m) Static-pressure tap location (upstream or downstream);

(n) Chart rotation (hours or days);

(o) Differential-pressure bellows range (inches of water);

(p) Static-pressure element range (psi); and

(q) For each chart or day integrated:

(i) The time and date on and time and date off;

(ii) Average differential pressure (inches of water);

(iii) Average static pressure;

(iv) Static-pressure units of measure (psia or psig);

(v) Average temperature ( °F);

(vi) Integrator counts or extension;

(vii) Hours of flow; and

(viii) Volume (Mcf).

 Back to Top

§3175.94   Volume determination.

(a) The volume for each chart integrated must be determined as follows:

V = IMV × IV

Where:

V = reported volume, Mcf

IMV = integral multiplier value, as calculated under this section

IV = the integral value determined by the integration process (also known as the “extension,” “integrated extension,” and “integrator count”)

(1) If the primary device is a flange-tapped orifice plate, a single IMV must be calculated for each chart or chart interval using the following equation:

View or download PDF

Where:

Cd = discharge coefficient or flow coefficient, calculated under API 14.3.3 or AGA Report No. 3 (1985), Section 5 (incorporated by reference, see §3175.30)

β = Beta ratio

Y = gas expansion factor, calculated under API 14.3.3, Subsection 5.6 or AGA Report No. 3 (1985), Section 5 (incorporated by reference, see §3175.30)

d = orifice diameter, in inches

Zb = supercompressibility at base pressure and temperature

Gr = relative density (specific gravity)

Zf = supercompressibility at flowing pressure and temperature

Tf = average flowing temperature, in degrees Rankine

(2) For other types of primary devices, the IMV must be calculated using the equations and procedures recommended by the PMT and approved by the BLM, specific to the make, model, size, and area ratio of the primary device being used.

(3) Variables that are functions of differential pressure, static pressure, or flowing temperature (e.g., Cd, Y, Zf) must use the average values of differential pressure, static pressure, and flowing temperature as determined from the integration statement and reported on the integration statement for the chart or chart interval integrated. The flowing temperature must be the average flowing temperature reported on the integration statement for the chart or chart interval being integrated.

(b) Atmospheric pressure used to convert static pressure in psig to static pressure in psia must be determined under appendix A to this subpart.

 Back to Top

§3175.100   Electronic gas measurement (secondary and tertiary device).

Except as stated in this section, as prescribed in Table 1 to this section, or grandfathered under §3175.61, the standards and requirements in this section apply to all EGM systems used at FMPs (Note: The following table lists the standards in this subpart and the API standards that the operator must follow to install and maintain EGM systems. A requirement applies when a column is marked with an “x” or a number.).

View or download PDF

 Back to Top

§3175.101   Installation and operation of electronic gas measurement systems.

(a) Manifolds and gauge lines connecting the pressure taps to the secondary device must:

(1) Have a nominal diameter of not less than 38 -inch, including ports and valves;

(2) Be sloped upwards from the pressure taps at a minimum pitch of 1 inch per foot of length with no visible sag;

(3) Have the same internal diameter along their entire length;

(4) Not include tees except for the static-pressure line;

(5) Not be connected to any other devices or more than one differential pressure and static-pressure transducer. If the operator is employing redundancy verification, two differential pressure and two static-pressure transducers may be connected; and

(6) Be no longer than 6 feet.

(b) Each FMP must include a display, which must:

(1) Be readable without the need for data-collection units, laptop computers, a password, or any special equipment;

(2) Be on site and in a location that is accessible to the AO;

(3) Include the units of measure for each required variable;

(4) Display the software version and previous-day's volume, as well as the following variables consecutively:

(i) Current flowing static pressure with units (psia or psig);

(ii) Current differential pressure (inches of water);

(iii) Current flowing temperature ( °F); and

(iv) Current flow rate (Mcf/day or scf/day); and

(5) Either display or post on site and accessible to the AO an hourly or daily QTR (see §3175.104(a)) no more than 31 days old showing the following information:

(i) Previous-period (for this section, previous period means at least 1 day prior, but no longer than 1 month prior) average differential pressure (inches of water);

(ii) Previous-period average static pressure with units (psia or psig); and

(iii) Previous-period average flowing temperature ( °F).

(c) The following information must be maintained at the FMP in a legible condition, in compliance with §3170.7(g) of this part, and accessible to the AO at all times:

(1) The unique meter ID number;

(2) Relative density (specific gravity);

(3) Elevation of the FMP;

(4) Primary device information, such as orifice bore diameter (inches) or Beta or area ratio and discharge coefficient, as applicable;

(5) Meter-tube mean inside diameter;

(6) Make, model, and location of approved isolating flow conditioners, if used;

(7) Location of the downstream end of 19-tube-bundle flow straighteners, if used;

(8) For self-contained EGM systems, make and model number of the system;

(9) For component-type EGM systems, make and model number of each transducer and the flow computer;

(10) URL and upper calibrated limit for each transducer;

(11) Location of the static-pressure tap (upstream or downstream);

(12) Last primary-device inspection date; and

(13) Last secondary device verification date.

(d) The differential pressure, static pressure, and flowing temperature transducers must be operated between the lower and upper calibrated limits of the transducer. The BLM may approve the differential pressure to exceed the upper calibrated limit of the differential-pressure transducer for brief periods in plunger lift operations; however, the differential pressure may not exceed the URL.

(e) The flowing temperature of the gas must be continuously measured and used in the flow-rate calculations under API 21.1, Section 4 (incorporated by reference, see §3175.30).

 Back to Top

§3175.102   Verification and calibration of electronic gas measurement systems.

(a) Transducer verification and calibration after installation or repair. (1) Before performing any verification required in this section, the operator must perform a leak test in the manner prescribed in §3175.92(a)(1).

(2) The operator must verify the points listed in API 21.1, Subsection 7.3.3 (incorporated by reference, see §3175.30), by comparing the values from the certified test device with the values used by the flow computer to calculate flow rate. If any of these as-left readings vary from the test equipment reading by more than the tolerance determined by API 21.1, Subsection 8.2.2.2, Equation 24 (incorporated by reference, see §3175.30), then that transducer must be replaced and the new transducer must be tested under this paragraph.

(3) For absolute static-pressure transducers, the value of atmospheric pressure used when the transducer is vented to atmosphere must be calculated under appendix A to this subpart, measured by a NIST-certified barometer with a stated accuracy of ±0.05 psi or better, or obtained from an absolute-pressure calibration device.

(4) Before putting a meter into service, the differential-pressure transducer must be tested at zero with full working pressure applied to both sides of the transducer. If the absolute value of the transducer reading is greater than the reference accuracy of the transducer, expressed in inches of water column, the transducer must be re-zeroed.

(b) Routine verification frequency. (1) If redundancy verification under paragraph (d) of this section is not used, the differential pressure, static pressure, and temperature transducers must be verified under the requirements of paragraph (c) of this section at the frequency specified in Table 1 to §3175.100, in months; or

(2) If redundancy verification under paragraph (d) of this section is used, the differential pressure, static pressure, and temperature transducers must be verified under the requirements of paragraph (d) of this section. In addition, the transducers must be verified under the requirements of paragraph (c) of this section at least annually.

(c) Routine verification procedures. Verifications must be performed according to API 21.1, Subsection 8.2 (incorporated by reference, see §3175.30), with the following exceptions, additions, and clarifications:

(1) Before performing any verification required under this section, the operator must perform a leak test consistent with §3175.92(a)(1).

(2) An as-found verification for differential pressure, static pressure and temperature must be conducted at the normal operating point of each transducer.

(i) The normal operating point is the mean value taken over a previous time period not less than 1 day or greater than 1 month. Acceptable mean values include means weighted based on flow time and flow rate.

(ii) For differential and static-pressure transducers, the pressure applied to the transducer for this verification must be within five percentage points of the normal operating point. For example, if the normal operating point for differential pressure is 17 percent of the upper calibrated limit, the normal point verification pressure must be between 12 percent and 22 percent of the upper calibrated limit.

(iii) For the temperature transducer, the water bath or test thermometer well must be within 20 °F of the normal operating point for temperature.

(3) If any of the as-found values are in error by more than the manufacturer's specification for stability or drift—as adjusted for static pressure and ambient temperature—on two consecutive verifications, that transducer must be replaced prior to returning the meter to service.

(4) If a transducer is calibrated, the as-left verification must include the normal operating point of that transducer, as defined in paragraph (c)(2) of this section.

(5) The as-found values for differential pressure obtained with the low side vented to atmospheric pressure must be corrected to working-pressure values using API 21.1, Annex H, Equation H.1 (incorporated by reference, see §3175.30).

(6) The verification tolerance for differential and static pressure is defined by API 21.1, Subsection 8.2.2.2, Equation 24 (incorporated by reference, see §3175.30). The verification tolerance for temperature is equivalent to the uncertainty of the temperature transmitter or 0.5 °F, whichever is greater.

(7) All required verification points must be within the verification tolerance before returning the meter to service.

(8) Before putting a meter into service, the differential-pressure transducer must be tested at zero with full working pressure applied to both sides of the transducer. If the absolute value of the transducer reading is greater than the reference accuracy of the transducer, expressed in inches of water column, the transducer must be re-zeroed.

(d) Redundancy verification procedures. Redundancy verifications must be performed as required under API 21.1, Subsection 8.2 (incorporated by reference, see §3175.30), with the following exceptions, additions, and clarifications:

(1) The operator must identify which set of transducers is used for reporting on the OGOR (the primary transducers) and which set of transducers is used as a check (the check set of transducers);

(2) For every calendar month, the operator must compare the flow-time linear averages of differential pressure, static pressure, and temperature readings from the primary transducers with those from the check transducers;

(3)(i) If for any transducer the difference between the averages exceeds the tolerance defined by the following equation:

View or download PDF

Where:

Ap is the reference accuracy of the primary transducer and

Ac is the reference accuracy of the check transducer.

(ii) The operator must verify both the primary and check transducer under paragraph (c) of this section within the first 5 days of the month following the month in which the redundancy verification was performed. For example, if the redundancy verification for March reveals that the difference in the flow-time linear averages of differential pressure exceeded the verification tolerance, both the primary and check differential-pressure transducers must be verified under paragraph (c) of this section by April 5th.

(e) The operator must retain documentation of each verification for the period required under §3170.7 of this part, including calibration data for transducers that were replaced, and submit it to the BLM upon request.

(1) For routine verifications, this documentation must include:

(i) The information required in §3170.7(g) of this part;

(ii) The time and date of the verification and the last verification date;

(iii) Primary device data (meter-tube inside diameter and differential-device size, Beta or area ratio);

(iv) The type and location of taps (flange or pipe, upstream or downstream static tap);

(v) The flow computer make and model;

(vi) The make and model number for each transducer, for component-type EGM systems;

(vii) Transducer data (make, model, differential, static, temperature URL, and upper calibrated limit);

(viii) The normal operating points for differential pressure, static pressure, and flowing temperature;

(ix) Atmospheric pressure;

(x) Verification points (as-found and applied) for each transducer;

(xi) Verification points (as-left and applied) for each transducer, if calibration was performed;

(xii) The differential device inspection date and condition (e.g., clean, sharp edge, or surface condition);

(xiii) Verification equipment make, model, range, accuracy, and last certification date;

(xiv) The name, contact information, and affiliation of the person performing the verification and any witness, if applicable; and

(xv) Remarks, if any.

(2) For redundancy verification checks, this documentation must include;

(i) The information required in §3170.7(g) of this part;

(ii) The month and year for which the redundancy check applies;

(iii) The makes, models, upper range limits, and upper calibrated limits of the primary set of transducers;

(iv) The makes, models, upper range limits, and upper calibrated limits of the check set of transducers;

(v) The information required in API 21.1, Annex I (incorporated by reference, see §3175.30);

(vii) The tolerance for differential pressure, static pressure, and temperature as calculated under paragraph (d)(2) of this section; and

(viii) Whether or not each transducer required verification under paragraph (c) of this section.

(f) Notification of verification. (1) For verifications performed after installation or following repair, the operator must notify the AO at least 72 hours before conducting the verifications.

(2) For routine verifications, the operator must notify the AO at least 72 hours before conducting the verification or submit a monthly or quarterly verification schedule to the AO in advance.

(g) If, during the verification, the combined errors in as-found differential pressure, static pressure, and flowing temperature taken at the normal operating points tested result in a flow-rate error greater than 2 percent or 2 Mcf/day, whichever is greater, the volumes reported on the OGOR and on royalty reports submitted to ONRR must be corrected beginning with the date that the inaccuracy occurred. If that date is unknown, the volumes must be corrected beginning with the production month that includes the date that is half way between the date of the last verification and the date of the present verification. See the example in §3175.92(f).

(h) Test equipment requirements. (1) Test equipment used to verify or calibrate transducers at an FMP must be certified at least every 2 years. Documentation of the certification must be on site and made available to the AO during all verifications and must show:

(i) The test equipment serial number, make, and model;

(ii) The date on which the recertification took place;

(iii) The range of the test equipment; and

(iv) The uncertainty determined or verified as part of the recertification.

(2) Test equipment used to verify or calibrate transducers at an FMP must meet the following accuracy standards:

(i) The accuracy of the test equipment, stated in actual units of measure, must be no greater than 0.5 times the reference accuracy of the transducer being verified, also stated in actual units of measure; or

(ii) The equipment must have a stated accuracy of at least 0.10 percent of the upper calibrated limit of the transducer being verified.

 Back to Top

§3175.103   Flow rate, volume, and average value calculation.

(a) The flow rate must be calculated as follows:

(1) For flange-tapped orifice plates, the flow rate must be calculated under:

(i) API 14.3.3, Section 4 and API 14.3.3, Section 5 (incorporated by reference, see §3175.30); and

(ii) AGA Report No. 8 (incorporated by reference, see §3175.30), for supercompressibility.

(2) For primary devices other than flange-tapped orifice plates, for which there are no industry standards, the flow rate must be calculated under the equations and procedures recommended by the PMT and approved by the BLM, specific to the make, model, size, and area ratio of the primary device used.

(b) Atmospheric pressure used to convert static pressure in psig to static pressure in psia must be determined under API 21.1, Subsection 8.3.3 (incorporated by reference, see §3175.30).

(c) Hourly and daily gas volumes, average values of the live input variables, flow time, and integral value or average extension as required under §3175.104 must be determined under API 21.1, Section 4 and API 21.1, Annex B (incorporated by reference, see §3175.30).

 Back to Top

§3175.104   Logs and records.

(a) The operator must retain, and submit to the BLM upon request, the original, unaltered, unprocessed, and unedited daily and hourly QTRs, which must contain the information identified in API 21.1, Subsection 5.2 (incorporated by reference, see §3175.30), with the following additions and clarifications:

(1) The information required in §3170.7(g) of this part;

(2) The volume, flow time, and integral value or average extension must be reported to at least 5 decimal places. The average differential pressure, static pressure, and temperature as calculated in §3175.103(c), must be reported to at least three decimal places; and

(3) A statement of whether the operator has submitted the integral value or average extension.

(b) The operator must retain, and submit to the BLM upon request, the original, unaltered, unprocessed, and unedited configuration log, which must contain the information specified in API 21.1, Subsection 5.4 (including the flow-computer snapshot report in API 21.1, Subsection 5.4.2), and API 21.1, Annex G (incorporated by reference, see §3175.30), with the following additions and clarifications:

(1) The information required in §3170.7(g) of this part;

(2) Software/firmware identifiers under API 21.1, Subsection 5.3 (incorporated by reference, see §3175.30);

(3) For very-low-volume FMPs only, the fixed temperature, if not continuously measured ( °F); and

(4) The static-pressure tap location (upstream or downstream).

(c) The operator must retain, and submit to the BLM upon request, the original, unaltered, unprocessed, and unedited event log. The event log must comply with API 21.1, Subsection 5.5 (incorporated by reference, see §3175.30), with the following additions and clarifications: The event log must have sufficient capacity and must be retrieved and stored at intervals frequent enough to maintain a continuous record of events as required under §3170.7 of this part, or the life of the FMP, whichever is shorter.

(d) The operator must retain an alarm log and provide it to the BLM upon request. The alarm log must comply with API 21.1, Subsection 5.6 (incorporated by reference, see §3175.30).

(e) Records may only be submitted from accounting system names and versions and flow computer makes and models that have been approved by the BLM (see §3175.49).

 Back to Top

§3175.110   Gas sampling and analysis.

Except as stated in this section or as prescribed in Table 1 to this section, the standards and requirements in this section apply to all gas sampling and analyses. (Note: The following table lists the standards in this subpart and the API standards that the operator must follow to take a gas sample, analyze the gas sample, and report the findings of the gas analysis. A requirement applies when a column is marked with an “x” or a number.)

View or download PDF

 Back to Top

§3175.111   General sampling requirements.

(a) Samples must be taken by one of the following methods:

(1) Spot sampling under §§3175.113 through 3175.115;

(2) Flow-proportional composite sampling under §3175.116; or

(3) On-line gas chromatograph under §3175.117.

(b) At all times during the sampling process, the minimum temperature of all gas sampling components must be the lesser of:

(1) The flowing temperature of the gas measured at the time of sampling; or

(2) 30 °F above the calculated hydrocarbon dew point of the gas.

 Back to Top

§3175.112   Sampling probe and tubing.

(a) All gas samples must be taken from a sample probe that complies with the requirements of paragraphs (b) and (c) of this section.

(b) Location of sample probe. (1) The sample probe must be located in the meter tube in accordance with API 14.1, Subsection 6.4.2 (incorporated by reference, see §3175.30), and must be the first obstruction downstream of the primary device.

(2) The sample probe must be exposed to the same ambient temperature as the primary device. The operator may accomplish this by physically locating the sample probe in the same ambient temperature conditions as the primary device (such as in a heated meter house) or by installing insulation and/or heat tracing along the entire meter run. If the operator chooses to use insulation to comply with this requirement, the AO may prescribe the quality of the insulation based on site specific factors such as ambient temperature, flowing temperature of the gas, composition of the gas, and location of the sample probe in relation to the orifice plate (i.e., inside or outside of a meter house).

(c) Sample probe design and type. (1) Sample probes must be constructed from stainless steel.

(2) If a regulating type of sample probe is used, the pressure-regulating mechanism must be inside the pipe or maintained at a temperature of at least 30 °F above the hydrocarbon dew point of the gas.

(3) The sample probe length must be the shorter of:

(i) The length necessary to place the collection end of the probe in the center one third of the pipe cross-section; or

(ii) The recommended length of the probe in Table 1 in API 14.1, Subsection 6.4 (incorporated by reference, see §3175.30).

(4) The use of membranes, screens, or filters at any point in the sample probe is prohibited.

(d) Sample tubing connecting the sample probe to the sample container or analyzer must be constructed of stainless steel or nylon 11.

 Back to Top

§3175.113   Spot samples—general requirements.

(a) If an FMP is not flowing at the time that a sample is due, a sample must be taken within 15 days after flow is re-initiated. Documentation of the non-flowing status of the FMP must be entered into GARVS as required under §3175.120(f).

(b) The operator must notify the AO at least 72 hours before obtaining a spot sample as required by this subpart, or submit a monthly or quarterly schedule of spot samples to the AO in advance of taking samples.

(c) Sample cylinder requirements. Sample cylinders must:

(1) Comply with API 14.1, Subsection 9.1 (incorporated by reference, see §3175.30);

(2) Have a minimum capacity of 300 cubic centimeters; and

(3) Be cleaned before sampling under GPA 2166-05, Appendix A (incorporated by reference, see §3175.30), or an equivalent method. The operator must maintain documentation of cleaning (see §3170.7), have the documentation available on site during sampling, and provide it to the BLM upon request.

(d) Spot sampling using portable gas chromatographs. (1) Sampling separators, if used, must:

(i) Be constructed of stainless steel;

(ii) Be cleaned under GPA 2166-05, Appendix A (incorporated by reference, see §3175.30), or an equivalent method, prior to sampling. The operator must maintain documentation of cleaning (see §3170.7), have the documentation available on site during sampling, and provide it to the BLM upon request; and

(iii) Be operated under GPA 2166-05, Appendix B.3 (incorporated by reference, see §3175.30).

(2) The sample port and inlet to the sample line must be purged using the gas being sampled before completing the connection between them.

(3) The portable GC must be operated, verified, and calibrated under §3175.118.

(4) The documentation of verification or calibration required in §3175.118(d) must be available for inspection by the BLM at the time of sampling.

(5) Minimum number of samples and analyses. (i) For low- and very-low-volume FMPs, at least three samples must be taken and analyzed;

(ii) For high-volume FMPs, samples must be taken and analyzed until the difference between the maximum heating value and minimum heating value calculated from three consecutive analyses is less than or equal to 16 Btu/scf;

(iii) For very-high-volume FMPs, samples must be taken and analyzed until the difference between the maximum heating value and minimum heating value calculated from three consecutive analyses is less than or equal to 8 Btu/scf.

(6) The heating value and relative density used for OGOR reporting must be:

(i) The mean heating value and relative density calculated from the three analyses required in paragraph (d)(5) of this section;

(ii) The median heating value and relative density calculated from the three analyses required in paragraph (d)(5) of this section; or

(iii) Any other method approved by the BLM.

 Back to Top

§3175.114   Spot samples—allowable methods.

(a) Spot samples must be obtained using one of the following methods:

(1) Purging—fill and empty method. Samples taken using this method must comply with GPA 2166-05, Section 9.1 (incorporated by reference, see §3175.30);

(2) Helium “pop” method. Samples taken using this method must comply with GPA 2166-05, Section 9.5 (incorporated by reference, see §3175.30). The operator must maintain documentation demonstrating that the cylinder was evacuated and pre-charged before sampling and make the documentation available to the AO upon request;

(3) Floating piston cylinder method. Samples taken using this method must comply with GPA 2166-05, Sections 9.7.1 to 9.7.3 (incorporated by reference, see §3175.30). The operator must maintain documentation of the seal material and type of lubricant used and make the documentation available to the AO upon request;

(4) Portable gas chromatograph. Samples taken using this method must comply with §3175.118; or

(5) Other methods approved by the BLM (through the PMT) and posted at www.blm.gov.

(b) If the operator uses either a purging—fill and empty method or a helium “pop” method, and if the flowing pressure at the sample port is less than or equal to 15 psig, the operator may also employ a vacuum-gathering system. Samples taken using a vacuum-gathering system must comply with API 14.1, Subsection 11.10 (incorporated by reference, see §3175.30), and the samples must be obtained from the discharge of the vacuum pump.

 Back to Top

§3175.115   Spot samples—frequency.

(a) Unless otherwise required under paragraph (b) of this section, spot samples for all FMPs must be taken and analyzed at the frequency (once during every period, stated in months) prescribed in Table 1 to §3175.110.

(b) After the time frames listed in paragraph (b)(1) of this section, the BLM may change the required sampling frequency for high-volume and very-high-volume FMPs if the BLM determines that the sampling frequency required in Table 1 in §3175.110 is not sufficient to achieve the heating value uncertainty levels required in §3175.31(b).

(1) Timeframes for implementation. (i) For high-volume FMPs, the BLM may change the sampling frequency no sooner than 2 years after the FMP begins measuring gas or January 19, 2021, whichever is later; and

(ii) For very-high-volume FMPs, the BLM may change the sampling frequency or require compliance with paragraph (b)(5) of this section no sooner than 1 year after the FMP begins measuring gas or January 17, 2020, whichever is later.

(2) The BLM will calculate the new sampling frequency needed to achieve the heating value uncertainty levels required in §3175.31(b). The BLM will base the sampling frequency calculation on the heating value variability. The BLM will notify the operator of the new sampling frequency.

(3) The new sampling frequency will remain in effect until the heating value variability justifies a different frequency.

(4) The new sampling frequency will not be more frequent than once every 2 weeks nor less frequent than once every 6 months.

(5) For very-high-volume FMPs, the BLM may require the installation of a composite sampling system or on-line GC if the heating value uncertainty levels in §3175.31(b) cannot be achieved through spot sampling. Composite sampling systems or on-line gas chromatographs that are installed and operated in accordance with this section comply with the uncertainty requirement of §3175.31(b)(2).

(c) The time between any two samples must not exceed the timeframes shown in Table 1 to this section.

View or download PDF

(d) If a composite sampling system or an on-line GC is installed under §3175.116 or §3175.117, either on the operator's own initiative or in response to a BLM order for a very-high-volume FMP under paragraph (b)(5) of this section, it must be installed and operational no more than 30 days after the due date of the next sample.

(e) The required sampling frequency for an FMP at which a composite sampling system or an on-line gas chromatograph is removed from service is prescribed in paragraph (a) of this section.

 Back to Top

§3175.116   Composite sampling methods.

(a) Composite samplers must be flow-proportional.

(b) Samples must be collected using a positive-displacement pump.

(c) Sample cylinders must be sized to ensure the cylinder capacity is not exceeded within the normal collection frequency.

 Back to Top

§3175.117   On-line gas chromatographs.

(a) On-line GCs must be installed, operated, and maintained under GPA 2166-05, Appendix D (incorporated by reference, see §3175.30), and the manufacturer's specifications, instructions, and recommendations.

(b) The GC must comply with the verification and calibration requirements of §3175.118. The results of all verifications must be submitted to the AO upon request.

(c) Upon request, the operator must submit to the AO the manufacturer's specifications and installation and operational recommendations.

 Back to Top

§3175.118   Gas chromatograph requirements.

(a) All GCs must be installed, operated, and calibrated under GPA 2261-13 (incorporated by reference, see §3175.30).

(b) Samples must be analyzed until the un-normalized sum of the mole percent of all gases analyzed is between 97 and 103 percent.

(c) A GC may not be used to analyze any sample from an FMP until the verification meets the standards of this paragraph (c).

(1) GCs must be verified under GPA 2261-13, Section 6 (incorporated by reference, see §3175.30), not less than once every 7 days.

(2) All gases used for verification and calibration must meet the standards of GPA 2198-03, Sections 3 and 4 (incorporated by reference, see §3175.30).

(3) All new gases used for verification and calibration must be authenticated prior to verification or calibration under the standards of GPA 2198-03, Section 5 (incorporated by reference, see §3175.30).

(4) The gas used to calibrate a GC must be maintained under Section 6 of GPA 2198-03 (incorporated by reference, see §3175.30).

(5) If the composition of the gas used for verification as determined by the GC varies from the certified composition of the gas used for verification by more than the reproducibility values listed in GPA 2261-13, Section 10 (incorporated by reference, see §3175.30), the GC must be calibrated under GPA 2261-13, Section 6 (incorporated by reference, see §3175.30).

(6) If the GC is calibrated, it must be re-verified under paragraph (c)(5) of this section.

(d) The operator must retain documentation of the verifications for the period required under §3170.6 of this part, and make it available to the BLM upon request. The documentation must include:

(1) The components analyzed;

(2) The response factor for each component;

(3) The peak area for each component;

(4) The mole percent of each component as determined by the GC;

(5) The mole percent of each component in the gas used for verification;

(6) The difference between the mole percents determined in paragraphs (d)(4) and (5) of this section, expressed in relative percent;

(7) Evidence that the gas used for verification and calibration:

(i) Meets the requirements of paragraph (c)(2) of this section, including a unique identification number of the calibration gas used, the name of the supplier of the calibration gas, and the certified list of the mole percent of each component in the calibration gas;

(ii) Was authenticated under paragraph (c)(3) of this section prior to verification or calibration, including the fidelity plots; and

(iii) Was maintained under paragraph (c)(4) of this section, including the fidelity plot made as part of the calibration run;

(8) The chromatograms generated during the verification process;

(9) The time and date the verification was performed; and

(10) The name and affiliation of the person performing the verification.

(e) Extended analyses must be taken in accordance with GPA 2286-14 (incorporated by reference, see §3175.30) or other method approved by the BLM.

 Back to Top

§3175.119   Components to analyze.

(a) The gas must be analyzed for the following components:

(1) Methane;

(2) Ethane;

(3) Propane;

(4) Iso Butane;

(5) Normal Butane;

(6) Pentanes;

(7) Hexanes + (C6+);

(8) Carbon dioxide; and

(9) Nitrogen.

(b) When the concentration of C6+ exceeds 0.5 mole percent, the following gas components must also be analyzed:

(1) Hexanes;

(2) Heptanes;

(3) Octanes; and

(4) Nonanes +.

(c) In lieu of testing each sample for the components required under paragraph (b) of this section, the operator may periodically test for these components and adjust the assumed C6+ composition to remove bias in the heating value (see §3175.126(a)(3)). The C6+ composition must be applied to the mole percent of C6+ analyses until the next analysis is done under paragraph (b) of this section. The minimum analysis frequency for the components listed in paragraph (b) of this section is as follows:

(1) For high-volume FMPs, once per year; and

(2) For very-high-volume FMPs, once every 6 months.

 Back to Top

§3175.120   Gas analysis report requirements.

(a) The gas analysis report must contain the following information:

(1) The information required in §3170.7(g) of this part;

(2) The date and time that the sample for spot samples was taken or, for composite samples, the date the cylinder was installed and the date the cylinder was removed;

(3) The date and time of the analysis;

(4) For spot samples, the effective date, if other than the date of sampling;

(5) For composite samples, the effective start and end date;

(6) The name of the laboratory where the analysis was performed;

(7) The device used for analysis (i.e., GC, calorimeter, or mass spectrometer);

(8) The make and model of analyzer;

(9) The date of last calibration or verification of the analyzer;

(10) The flowing temperature at the time of sampling;

(11) The flowing pressure at the time of sampling, including units of measure (psia or psig);

(12) The flow rate at the time of sampling;

(13) The ambient air temperature at the time of sampling;

(14) Whether or not heat trace or any other method of heating was used;

(15) The type of sample (i.e., spot-cylinder, spot-portable GC, composite);

(16) The sampling method if spot-cylinder (e.g., fill and empty, helium pop);

(17) A list of the components of the gas tested;

(18) The un-normalized mole percents of the components tested, including a summation of those mole percents;

(19) The normalized mole percent of each component tested, including a summation of those mole percents;

(20) The ideal heating value (Btu/scf);

(21) The real heating value (Btu/scf), dry basis;

(22) The hexane+ split, if applicable;

(23) The pressure base and temperature base;

(24) The relative density; and

(25) The name of the company obtaining the gas sample.

(b) Components that are listed on the analysis report, but not tested, must be annotated as such.

(c) The heating value and relative density must be calculated under API 14.5 (incorporated by reference, see §3175.30).

(d) The base supercompressibility must be calculated under AGA Report No. 8 (incorporated by reference, see §3175.30).

(e) The operator must submit all gas analysis reports to the BLM within 15 days of the due date for the sample as specified in §3175.115.

(f) Unless a variance is granted, the operator must submit all gas analysis reports and other required related information electronically through the GARVS. The BLM will grant a variance to the electronic-submission requirement only in cases where the operator demonstrates that it is a small business, as defined by the U.S. Small Business Administration, and does not have access to the Internet.

 Back to Top

§3175.121   Effective date of a spot or composite gas sample.

(a) Unless otherwise specified on the gas analysis report, the effective date of a spot sample is the date on which the sample was taken.

(b) The effective date of a spot gas sample may be no later than the first day of the production month following the operator's receipt of the laboratory analysis of the sample.

(c) Unless otherwise specified on the gas analysis report, the effective date of a composite sample is the first of the month in which the sample was removed.

(d) The provisions of this section apply only to OGORs, QTRs, and gas sample reports generated after January 17, 2017.

 Back to Top

§3175.125   Calculation of heating value and volume

(a) The heating value of the gas sampled must be calculated as follows:

(1) Gross heating value is defined by API 14.5, Subsection 3.7 (incorporated by reference, see §3175.30) and must be calculated under API 14.5, Subsection 7.1 (incorporated by reference, see §3175.30); and

(2) Real heating value must be calculated by dividing the gross heating value of the gas calculated under paragraph (a)(1) of this section by the compressibility factor of the gas at 14.73 psia and 60 °F.

(b) Average heating value determination. (1) If a lease, unit PA, or CA has more than one FMP, the average heating value for the lease, unit PA, or CA for a reporting month must be the volume-weighted average of heating values, calculated as follows:

View or download PDF

(2) If the effective date of a heating value for an FMP is other than the first day of the reporting month, the average heating value of the FMP must be the volume-weighted average of heating values, determined as follows:

View or download PDF

Where:

HVi = the heating value for FMPi, in Btu/scf

HVi,j = the heating value for FMPi, for partial month j, in Btu/scf

Vi,j = the volume measured by FMPi, for partial month j, in Btu/scf

Subscript i represents each FMP for the lease, unit PA, or CA

Subscript j represents a partial month for which heating value HVi,j is effective

m = the number of different heating values in a reporting month for an FMP

(c) The volume must be determined under §3175.94 (mechanical recorders) or §3175.103(c) (EGM systems).

 Back to Top

§3175.126   Reporting of heating value and volume.

(a) The gross heating value and real heating value, or average gross heating value and average real heating value, as applicable, derived from all samples and analyses must be reported on the OGOR in units of Btu/scf under the following conditions:

(1) Containing no water vapor (“dry”), unless the water vapor content has been determined through actual on-site measurement and reported on the gas analysis report. The heating value may not be reported on the basis of an assumed water-vapor content. Acceptable methods of measuring water vapor are:

(i) Chilled mirror;

(ii) Laser detectors; and

(iii) Other methods approved by the BLM;

(2) Adjusted to a pressure of 14.73 psia and a temperature of 60 °F; and

(3) For samples analyzed under §3175.119(a), and notwithstanding any provision of a contract between the operator and a purchaser or transporter, the composition of hexane+ is deemed to be:

(i) 60 percent n-hexane, 30 percent n-heptane, and 10 percent n-octane; or

(ii) The composition determined under §3175.119(c).

(b) The volume for royalty purposes must be reported on the OGOR in units of Mcf as follows:

(1) The volume must not be adjusted for water-vapor content or any other factors that are not included in the calculations required in §3175.94 or §3175.103; and

(2) The volume must match the monthly volume(s) shown in the unedited QTR(s) or integration statement(s) unless edits to the data are documented under paragraph (c) of this section.

(c) Edits and adjustments to reported volume or heating value. (1) If for any reason there are measurement errors stemming from an equipment malfunction that results in discrepancies to the calculated volume or heating value of the gas, the volume or heating value reported during the period in which the volume or heating value error persisted must be estimated.

(2) All edits made to the data before the submission of the OGOR must be documented and include verifiable justifications for the edits made. This documentation must be maintained under §3170.7 of this part and must be submitted to the BLM upon request.

(3) All values on daily and hourly QTRs that have been changed or edited must be clearly identified and must be cross referenced to the justification required in paragraph (c)(2) of this section.

(4) The volumes reported on the OGOR must be corrected beginning with the date that the inaccuracy occurred. If that date is unknown, the volumes must be corrected beginning with the production month that includes the date that is half way between the date of the previous verification and the most recent verification date.

 Back to Top

§3175.130   Transducer testing protocol.

The BLM will approve a particular make, model, and range of differential-pressure, static-pressure, or temperature transducer for use in an EGM system only if the testing performed on the transducer met all of the standards and requirements stated in §§3175.131 through 3175.135.

 Back to Top

§3175.131   General requirements for transducer testing.

(a) All testing must be performed by a qualified test facility.

(b) Number and selection of transducers tested. (1) A minimum of five transducers of the same make, model, and URL, selected at random from the stock used to supply normal field operations, must be type-tested.

(2) The serial number of each transducer selected must be documented. The date, location, and batch identifier, if applicable, of manufacture must be ascertainable from the serial number.

(3) For the purpose of this section, the term “model” refers to the base model number on which the BLM determines the transducer performance. For example: A manufacturer makes a transmitter with a model number 1234-XYZ, where “1234” identifies the transmitter cell, “X” identifies the output type, “Y” identifies the mounting type, and “Z” identifies where the static pressure is taken. The testing under this section would only be required on the base model number (“1234”), assuming that “X”, “Y”, or “Z” does not affect the performance of the transmitter.

(4) For multi-variable transducers, each cell URL must be tested only once under this section. For example: A manufacturer of a transducer measuring both differential and static pressure makes a model with available differential-pressure URLs of 100 inches, 500 inches, and 1,000 inches, and static-pressure URLs of 250 psia, 1,000 psia, and 2,500 psia. Although there are nine possible combinations of differential-pressure and static-pressure URLs, only six tests are required to cover each cell URL.

(c) Test conditions—general. The electrical supply must meet the following minimum tolerances:

(1) Rated voltage: ±1 percent uncertainty;

(2) Rated frequency: ±1 percent uncertainty;

(3) Alternating current harmonic distortion: Less than 5 percent; and

(4) Direct current ripple: Less than 0.10 percent uncertainty.

(d) The input and output (if the output is analog) of each transducer must be measured with equipment that has a published reference uncertainty less than or equal to 25 percent of the published reference uncertainty of the transducer under test across the measurement range common to both the transducer under test and the test instrument. Reference uncertainty for both the test instrument and the transducer under test must be expressed in the units the transducer measures to determine acceptable uncertainty. For example, if the transducer under test has a published reference uncertainty of ±0.05 percent of span, and a span of 0 to 500 psia, then this transducer has a reference accuracy of ±0.25 psia (0.05 percent of 500 psia). To meet the requirements of this paragraph (d), the test instrument in this example must have an uncertainty of ±0.0625 psia or less (25 percent of ±0.25 psia).

(e) If the manufacturer's performance specifications for the transducer under test include corrections made by an external device (such as linearization), then the external device must be tested along with the transducer and be connected to the transducer in the same way as in normal field operations.

(f) If the manufacturer specifies the extent to which the measurement range of the transducer under test may be adjusted downward (i.e., spanned down), then each test required in §§3175.132 and 3175.133 must be carried out at least at both the URL and the minimum upper calibrated limit specified by the manufacturer. For upper calibrated limits between the maximum and the minimum span that are not tested, the BLM will use the greater of the uncertainties measured at the maximum and minimum spans in determining compliance with the requirements of §3175.31(a).

(g) After initial calibration, no calibration adjustments to the transducer may be made until all required tests in §§3175.132 and 3175.133 are completed.

(h) For all of the testing required in §§3175.132 and 3175.133, the term “tested for accuracy” means a comparison between the output of the transducer under test and the test equipment taken as follows:

(1) The following values must be tested in the order shown, expressed as a percent of the transducer span:

(i) (Ascending values) 0, 10, 20, 30, 40, 50, 60, 70, 80, 90, and 100; and

(ii) (Descending values) 100, 90, 80, 70, 60, 50, 40, 30, 20, 10, and 0.

(2) If the device under test is an absolute-pressure transducer, the “0” values listed in paragraphs (h)(1)(i) and (ii) of this section must be replaced with “atmospheric pressure at the test facility;”

(3) Input approaching each required test point must be applied asymptotically without overshooting the test point;

(4) The comparison of the transducer and the test equipment measurements must be recorded at each required point; and

(5) For static-pressure transducers, the following test point must be included for all tests:

(i) For gauge-pressure transducers, a gauge pressure of −5 psig; and

(ii) For absolute-pressure transducers, an absolute pressure of 5 psia.

 Back to Top

§3175.132   Testing of reference accuracy.

(a) The following reference test conditions must be maintained for the duration of the testing:

(1) Ambient air temperature must be between 59 °F and 77 °F and must not vary over the duration of the test by more than ±2 °F;

(2) Relative humidity must be between 45 percent and 75 percent and must not vary over the duration of the test by more than ±5 percent;

(3) Atmospheric pressure must be between 12.46 psi and 15.36 psi and must not vary over the duration of the test by more than ±0.2 psi;

(4) The transducer must be isolated from any externally induced vibrations;

(5) The transducer must be mounted according to the manufacturer's specifications in the same manner as it would be mounted in normal field operations;

(6) The transducer must be isolated from any external electromagnetic fields; and

(7) For reference accuracy testing of differential-pressure transducers, the downstream side of the transducer must be vented to the atmosphere.

(b) Before reference testing begins, the following pre-conditioning steps must be followed:

(1) After power is applied to the transducer, it must be allowed to stabilize for at least 30 minutes before applying any input pressure or temperature;

(2) The transducer must be exercised by applying three full-range traverses in each direction; and

(3) The transducer must be calibrated according to manufacturer specifications if a calibration is required or recommended by the manufacturer.

(c) Immediately following preconditioning, the transducer must be tested at least three times for accuracy under §3175.131(h). The results of these tests must be used to determine the transducer's reference accuracy under §3175.135.

 Back to Top

§3175.133   Testing of influence effects.

(a) General requirements. (1) Reference conditions (see §3175.132), with the exception of the influence effect being tested under this section, must be maintained for the duration of these tests.

(2) After completing the required tests for each influence effect under this section, the transducer under test must be returned to reference conditions and tested for accuracy under §3175.132.

(b) Ambient temperature. (1) The transducer's accuracy must be tested at the following temperatures ( °F): +68, +104, +140, + 68, 0, −4, −40, +68.

(2) The ambient temperature must be held to ±4 °F from each required temperature during the accuracy test at each point.

(3) The rate of temperature change between tests must not exceed 2 °F per minute.

(4) The transducer must be allowed to stabilize at each test temperature for at least 1 hour.

(5) For each required temperature test point listed in this paragraph, the transducer must be tested for accuracy under §3175.131(h).

(c) Static-pressure effects (differential-pressure transducers only). (1) For single-variable transducers, the following pressures must be applied equally to both sides of the transducer, expressed in percent of maximum rated working pressure: 0, 50, 100, 75, 25, 0.

(2) For multivariable transducers, the following pressures must be applied equally to both sides of the transducer, expressed in percent of the URL of the static-pressure transducer: 0, 50, 100, 75, 25, 0.

(3) For each point required in paragraphs (c)(1) and (2) of this section, the transducer must be tested for accuracy under §3175.131(h).

(d) Mounting position effects. The transducer must be tested for accuracy at four different orientations under §3175.131(h) as follows:

(1) At an angle of −10° from a vertical plane;

(2) At an angle of +10° from a vertical plane;

(3) At an angle of −10° from a vertical plane perpendicular to the vertical plane required in paragraphs (d)(1) and (2) of this section; and

(4) At an angle of +10° from a vertical plane perpendicular to the vertical plane required in paragraphs (d)(1) and (2) of this section.

(e) Over-range effects. (1) A pressure of 150 percent of the URL, or to the maximum rated working pressure of the transducer, whichever is less, must be applied for at least 1 minute.

(2) After removing the applied pressure, the transducer must be tested for accuracy under §3175.131(h).

(3) No more than 5 minutes must be allowed between performing the procedures described in paragraphs (e)(1) and (2) of this section.

(f) Vibration effects. (1) An initial resonance test must be conducted by applying the following test vibrations to the transducer along each of the three major axes of the transducer while measuring the output of the transducer with no pressure applied:

(i) The amplitude of the applied test frequency must be at least 0.35mm below 60 Hertz (Hz) and 49 meter per second squared (m/s2) above 60 Hz; and

(ii) The applied frequency must be swept from 10 Hz to 2,000 Hz at a rate not greater than 0.5 octaves per minute.

(2) After the initial resonance search, an endurance conditioning test must be conducted as follows:

(i) Twenty frequency sweeps from 10 Hz to 2,000 Hz to 10 Hz must be applied to the transducer at a rate of 1 octave per minute, repeated for each of the 3 major axes; and

(ii) The measurement of the transducer's output during this test is unnecessary.

(3) A final resonance test must be conducted under paragraph (f)(1) of this section.

 Back to Top

§3175.134   Transducer test reporting.

(a) Each test required by §§3175.131 through 3175.133 must be fully documented by the test facility performing the tests. The report must indicate the results for each required test and include all data points recorded.

(b) The report must be submitted to the PMT. If the PMT determines that all testing was completed as required by §§3175.131 through 3175.133, it will make a recommendation that the BLM approve the transducer make, model, and range, along with the reference uncertainty, influence effects, and any operating restrictions, and posts them to the BLM's website at www.blm.gov as an approved device.

 Back to Top

§3175.135   Uncertainty determination.

(a) Reference uncertainty calculations for each transducer of a given make, model, URL, and turndown must be determined as follows (the result for each transducer is denoted by the subscript i):

(1) Maximum error (Ei). The maximum error for each transducer is the maximum difference between any input value from the test device and the corresponding output from the transducer under test for any required test point, and must be expressed in percent of transducer span.

(2) Hysteresis (Hi). The testing required in §3175.132 requires at least three pairs of tests using both ascending test points (low to high) and descending test points (high to low) of the same value. Hysteresis is the maximum difference between the ascending value and the descending value for any single input test value of a test pair. Hysteresis must be expressed in percent of span.

(3) Repeatability (Ri). The testing required under §3175.132 requires at least three pairs of tests using both ascending test points (low to high) and descending test points (high to low) of the same value. Repeatability is the maximum difference between the value of any of the three ascending test points for a given input value or of the three descending test points for a given value. Repeatability must be expressed in percent of span.

(b) Reference uncertainty of a transducer. The reference uncertainty of each transducer of a given make, model, URL, and turndown (Ur,i) must be determined as follows:

View or download PDF

Where Ei, Hi, and Ri, are described in paragraph (a) of this section. Reference uncertainty is expressed in percent of span.

(c) Reference uncertainty for the make, model, URL, and turndown of a transducer (Ur) must be determined as follows:

Ur = s × tdist

Where:

s = the standard deviation of the reference uncertainties determined for each transducer (Ur,i)

tdist = the “t-distribution” constant as a function of degrees of freedom (n-1) and at a 95 percent confidence level, where n = the number of transducers of a specific make, model, URL, and turndown tested (minimum of 5)

(d) Influence effects. The uncertainty from each influence effect required to be tested under §3175.133 must be determined as follows:

(1) Zero-based errors of each transducer. Zero-based errors from each influence test must be determined as follows:

View or download PDF

Where:

subscript i represents the results for each transducer tested of a given make, model, URL, and turndown

subscript n represents the results for each influence effect test required under §3175.133

Ezero,n,i = Zero-based error for influence effect n, for transducer i, in percent of span per increment of influence effect

Mn = the magnitude of influence effect n (e.g., 1,000 psi for static-pressure effects, 50 °F for ambient temperature effects)

And:

DZn,i = Zn,iZref ,i

Where:

Zn,i = the average output from transducer i with zero input from the test device, during the testing of influence effect n

Zref,i = the average output from transducer i with zero input from the test device, during reference testing.

(2) Span-based errors of each transducer. Span-based errors from each influence effect must be determined as follows:

View or download PDF

Where:

Espan,n,i = Span-based error for influence effect n, for transducer i, in percent of reading per increment of influence effect

Sn,i = the average output from transducer i, with full span applied from the test device, during the testing for influence effect n.

(3) Zero- and span-based errors due to influence effects for a make, model, URL, and turndown of a transducer must be determined as follows:

Ez,n = sz,n × tdist

Es,n = ss,n × tdist

Where:

Ez,n = the zero-based error for a make, model, URL, and turndown of transducer, for influence effect n, in percent of span per unit of magnitude for the influence effect

Es,n = the span-based error for a make, model, URL, and turndown of transducer, for influence effect n, in percent of reading per unit of magnitude for the influence effect

sz,n = the standard deviation of the zero-based differences from the influence effect tests under §3175.133 and the reference uncertainty tests, in percent

ss,n = the standard deviation of the span-based differences from the influence effect tests under §3175.133 and the reference uncertainty tests, in percent

tdist = the “t-distribution” constant as a function of degrees of freedom (n-1) and at a 95 percent confidence level, where n = the number of transducers of a specific make, model, URL, and turndown tested (minimum of 5).

 Back to Top

§3175.140   Flow-computer software testing.

The BLM will approve a particular version of flow-computer software for use in a specific make and model of flow computer only if the testing performed on the software meets all of the standards and requirements in §§3175.141 through 3175.144. Type-testing is required for each software version that affects the calculation of flow rate, volume, heating value, live input variable averaging, flow time, or the integral value. Software updates or changes that do not affect these items do not require BLM approval.

 Back to Top

§3175.141   General requirements for flow-computer software testing.

(a) Test facility. All testing must be performed by a qualified test facility not affiliated with the flow-computer manufacturer.

(b) Selection of flow-computer software to be tested. (1) Each software version tested must be identical to the software version installed at FMPs for normal field operations.

(2) Each software version must have a unique identifier.

(c) Testing method. Input variables may be either:

(1) Applied directly to the hardware registers; or

(2) Applied physically to a transducer. If input variables are applied physically to a transducer, the values received by the hardware registers from the transducer must be recorded.

(d) Pass-fail criteria. (1) For each test listed in §§3175.142 and 3175.143, the value(s) required to be calculated by the software version under test must be compared to the value(s) calculated by BLM-approved reference software, using the same digital input for both.

(2) The software under test may be used at an FMP only if the difference between all values calculated by the software version under test and the reference software is less than 50 parts per million (0.005 percent) and the results of the tests required in §§3175.142 and 3175.143 are satisfactory to the PMT. If the test results are satisfactory, the BLM will identify the software version tested as acceptable for use on its website at www.blm.gov.

 Back to Top

§3175.142   Required static tests.

(a) Instantaneous flow rate. The instantaneous flow rates must meet the criteria in §3175.141(d) for each test identified in Table 1 to this section, using the gas compositions identified in Table 2 to this section, as prescribed in Table 1 to this section.

View or download PDF

View or download PDF

(b) Sums and averages. (1) Fixed input values from test 2 in Table 1 to this section must be applied for a period of at least 24 hours.

(2) At the conclusion of the 24-hour period, the following hourly and daily values must meet the criteria in §3175.141(d):

(i) Volume;

(ii) Integral value;

(iii) Flow time;

(iv) Average differential pressure;

(v) Average static pressure; and

(vi) Average flowing temperature.

(c) Other tests. The following additional tests must be performed on the flow-computer software:

(1) Each parameter of the configuration log must be changed to ensure the event log properly records the changes according to the variables listed in §3175.104(c); and

(2) Inputs simulating a 15 percent and 150 percent over-range of the differential and static-pressure transducer's calibrated span must be entered to verify that the over-range condition triggers an alarm or an entry in the event log.

 Back to Top

§3175.143   Required dynamic tests.

(a) Square wave test. The pressures and temperatures must be applied to the software revision under test for at least 60 minutes as follows:

(1) Differential pressure. The differential pressure must be cycled from a low value, below the no-flow cutoff, to a high value of approximately 80 percent of the upper calibrated limit of the differential-pressure transducer. The cycle must approximate a square wave pattern with a period of 60 seconds, and the maximum and minimum values must be the same for each cycle;

(2) Static pressure. The static pressure must be cycled between approximately 20 percent and approximately 80 percent of the upper calibrated limit of the static-pressure transducer in a square wave pattern identical to the cycling pattern used for the differential pressure. The maximum and minimum values must be the same for each cycle;

(3) Temperature. The temperature must be cycled between approximately 20 °F and approximately 100 °F in a square wave pattern identical to the cycling pattern used for the differential pressure. The maximum and minimum values must be the same for each cycle; and

(4) At the conclusion of the 1-hour period, the following hourly values must meet the criteria in §3175.141(d):

(i) Volume;

(ii) Integral value;

(iii) Flow time;

(iv) Average differential pressure;

(v) Average static pressure; and

(vi) Average flowing temperature.

(b) Sawtooth test. The pressures and temperatures must be applied to the software revision under test for 24 hours as follows:

(1) Differential pressure. The differential pressure must be cycled from a low value, below the no-flow cutoff, to a high value of approximately 80 percent of the maximum value of differential pressure for which the flow computer is designed. The cycle must approximate a linear sawtooth pattern between the low value and the high value and there must be 3 to 10 cycles per hour. The no-flow period between cycles must last approximately 10 percent of the cycle period;

(2) Static pressure. The static pressure must be cycled between approximately 20 percent and approximately 80 percent of the maximum value of static pressure for which the flow computer is designed. The cycle must approximate a linear sawtooth pattern between the low value and the high value and there must be 3 to 10 cycles per hour;

(3) Temperature. The temperature must be cycled between approximately 20 °F and approximately 100 °F. The cycle should approximate a linear sawtooth pattern between the low value and the high value and there must be 3 to 10 cycles per hour; and

(4) At the conclusion of the 24-hour period, the following hourly and daily values must meet the criteria in §3175.141(d):

(i) Volume;

(ii) Integral value;

(iii) Flow time;

(iv) Average differential pressure;

(v) Average static pressure; and

(vi) Average flowing temperature.

(c) Random test. The pressures and temperatures must be applied to the software revision under test for 24 hours as follows:

(1) Differential pressure. Differential-pressure random values must range from a low value, below the no-flow cutoff, to a high value of approximately 80 percent of the upper calibrated limit of the differential-pressure transducer. The no-flow period between cycles must last for approximately 10 percent of the test period;

(2) Static pressure. Static-pressure random values must range from a low value of approximately 20 percent of the upper calibrated limit of the static-pressure transducer, to a high value of approximately 80 percent of the upper calibrated limit of the static-pressure transducer;

(3) Temperature. Temperature random values must range from approximately 20 °F to approximately 100 °F; and

(4) At the conclusion of the 24-hour period, the following hourly values must meet the criteria in §3175.141(d):

(i) Volume;

(ii) Integral value;

(iii) Flow time;

(iv) Average differential pressure;

(v) Average static pressure; and

(vi) Average flowing temperature.

(d) Long-term volume accumulation test. (1) Fixed inputs of differential pressure, static pressure, and temperature must be applied to the software version under test to simulate a flow rate greater than 500,000 Mcf/day for a period of at least 7 days.

(2) At the end of the 7-day test period, the accumulated volume must meet the criteria in §3175.141(d).

 Back to Top

§3175.144   Flow-computer software test reporting.

(a) The test facility performing the tests must fully document each test required by §§3175.141 through 3175.143. The report must indicate the results for each required test and include all data points recorded.

(b) The report must be submitted to the AO by the operator or the manufacturer. If the PMT determines all testing was completed as required by this section, it will make a recommendation that the BLM approve the software version and post it on the BLM's website at www.blm.gov as approved software.

 Back to Top

§3175.150   Immediate assessments.

(a) Certain instances of noncompliance warrant the imposition of immediate assessments upon discovery. Imposition of any of these assessments does not preclude other appropriate enforcement actions.

(b) The BLM will issue the assessments for the violations listed as follows:

View or download PDF

 Back to Top

Appendix A to Subpart 3175—Table of Atmospheric Pressures

View or download PDF

View or download PDF

 Back to Top

Subpart 3178—Royalty-Free Use of Lease Production

Source: 81 FR 83078, Nov. 18, 2016, unless otherwise noted.

 Back to Top

§3178.1   Purpose.

The purpose of this subpart is to address the circumstances under which oil or gas produced from Federal and Indian leases may be used royalty-free in operations on the lease, unit, or communitized area. This subpart supersedes those portions of Notice to Lessees and Operators of Onshore Federal and Indian Oil and Gas Leases, Royalty or Compensation for Oil or Gas Lost (NTL-4A), pertaining to oil or gas used for beneficial purposes.

 Back to Top

§3178.2   Scope.

(a) This subpart applies to:

(1) All onshore Federal and Indian (other than Osage Tribe) oil and gas leases, units, and communitized areas, except as otherwise provided in this subpart;

(2) Indian Mineral Development Act (IMDA) oil and gas agreements, unless specifically excluded in the agreement or unless the relevant provisions of this subpart are inconsistent with the agreement;

(3) Leases and other business agreements and contracts for the development of tribal energy resources under a Tribal Energy Resource Agreement entered into with the Secretary, unless specifically excluded in the lease, other business agreement, or Tribal Energy Resource Agreement;

(4) Committed State or private tracts in a federally approved unit or communitization agreement defined by or established under 43 CFR subpart 3105 or 43 CFR part 3180; and

(5) All onshore wells, and production equipment located on a Federal or Indian lease or a federally approved unit or communitized area, and compressors located on a Federal or Indian lease or a federally approved unit or communitized area and which compress production from the same Federal or Indian lease or federally approved unit or communitized area.

(b) For purposes of this subpart, the term “lease” also includes IMDA agreements.

 Back to Top

§3178.3   Production on which royalty is not due.

(a) To the extent specified in §§3178.4 and 3178.5, royalty is not due on:

(1) Oil or gas that is produced from a lease or communitized area and used for operations and production purposes (including placing oil or gas in marketable condition) on the same lease or communitized area without being removed from the lease or communitized area; or

(2) Oil or gas that is produced from a unit PA and used for operations and production purposes (including placing oil or gas in marketable condition) on the unit, for the same unit PA, without being removed from the unit.

(b) For the uses described in §3178.5, the operator must obtain prior written BLM approval for the volumes used for operational and production purposes to be royalty free.

 Back to Top

§3178.4   Uses of oil or gas on a lease, unit, or communitized area that do not require prior written BLM approval for royalty-free treatment of volumes used.

(a) Oil or gas produced from a lease, unit, or communitized area may be used royalty-free for operations and production purposes on the lease, unit, or communitized area without prior written BLM approval in the following circumstances:

(1) Use of fuel to generate power or operate combined heat and power;

(2) Use of fuel to power equipment, including artificial lift equipment, equipment used for enhanced recovery, drilling rigs, and completion and workover equipment;

(3) Use of gas to actuate pneumatic controllers or operate pneumatic pumps at production facilities;

(4) Use of fuel to heat, separate, or dehydrate production;

(5) Use of gas as a pilot fuel or as assist gas for a flare, combustor, thermal oxidizer, or other control device;

(6) Use of fuel to compress or treat gas to place it in marketable condition;

(7) Use of oil to clean the well and improve production, e.g., hot oil treatments. The operator must document the removal of the oil from the tank or pipeline under Onshore Oil and Gas Order No. 3 (Site Security), or any successor regulation;

(8) Use of oil as a circulating medium in drilling operations, if the use is part of an approved Drilling Plan under Onshore Oil and Gas Order No. 1;

(9) Injection of gas for the purpose of conserving gas or increasing the recovery of oil or gas, if the BLM has approved the injection under applicable regulations in parts 3100, 3160, or 3180 of this title; and

(10) Injection of gas that is cycled in a contained gas-lift system.

(b) The volume to be treated as royalty free must not exceed the amount of fuel reasonably necessary to perform the operational function, using equipment of appropriate capacity.

 Back to Top

§3178.5   Uses of oil or gas on a lease, unit, or communitized area that require prior written BLM approval for royalty-free treatment of volumes used.

(a) Oil or gas produced from a lease, unit, or communitized area may also be used royalty-free for the following operations and production purposes on the lease, unit, or communitized area, but prior written BLM approval is required to ensure that production accountability is maintained:

(1) Use of oil or gas that the operator removes from the pipeline at a location downstream of the Facility Measurement Point (FMP);

(2) Use of gas that has been removed from the lease, unit PA, or communitized area for treatment or processing because of particular physical characteristics of the gas that require the gas to be treated or processed prior to use, where the gas is returned to, and used on, the lease, unit PA, or communitized area from which it was produced; and

(3) Any other types of use of produced oil or gas for operations and production purposes, which are not identified in §3178.4.

(b)(1) The operator must obtain BLM approval to conduct activities under paragraph (a) of this section by submitting a Form 3160-5, Sundry Notices and Reports on Wells (Sundry Notice) containing the information required under §3178.9. If the BLM disapproves a request for royalty-free treatment for volumes used under this section, the operator must pay royalties on such volumes. If the BLM approves a request for royalty-free treatment for volumes used under this section, such approval will be deemed effective from the date the request was filed.

(2) With respect to uses under paragraph (a)(1) of this section, the operator must measure the volume of oil or gas used in accordance with Onshore Oil and Gas Orders No. 4 (oil) and 5 (gas) as applicable, or other successor regulations.

(3) With respect to removals under paragraph (a)(2) of this section, the operator must measure any gas returned to the lease, unit, or communitized area under such an approval in accordance with Onshore Oil and Gas Order No. 5 or other successor regulations.

 Back to Top

§3178.6   Uses of oil or gas moved off the lease, unit, or communitized area that do not require prior written approval for royalty-free treatment of volumes used.

Oil or gas used after being moved off the lease, unit, or communitized area may be treated as royalty free without prior written BLM approval only if the use meets the criteria under §3178.4 and when:

(a) The oil or gas is transported from one area of the lease, unit, or communitized area to another area of the same lease, unit, or communitized area where it is used, and no oil or gas is added to or removed from the pipeline while crossing lands that are not part of the lease, unit, or communitized area; or

(b) A well is directionally drilled, the wellhead is not located on the producing lease, unit, or communitized area, and oil or gas is used on the same well pad for operations and production purposes for that well.

 Back to Top

§3178.7   Uses of oil or gas moved off the lease, unit, or communitized area that require prior written approval for royalty-free treatment of volumes used.

(a) Except as provided in §3178.6(b) and paragraph (b) of this section, royalty is owed on all oil or gas used in operations conducted off the lease, unit, or communitized area.

(b) The BLM may grant prior written approval to treat oil or gas used in operations conducted off the lease, unit, or communitized area as royalty free (referred to as off-lease royalty-free use) if the use is among those listed in §3178.4(a) and §3178.5(a) and if:

(1) The equipment or facility in which the operation is conducted is located off the lease, unit, or communitized area for engineering, economic, resource protection, or physical accessibility reasons; and

(2) The operations are conducted upstream of the FMP.

(c) The operator must obtain BLM approval under paragraph (b) of this section by submitting a Sundry Notice containing the information required under §3178.9. If the BLM disapproves a request for royalty-free treatment for volumes used under this section, the operator must pay royalties on such volumes. If the BLM approves a request for royalty-free treatment for volumes used under this section, such approval will be deemed effective from the date the request was filed.

(d) Approval of measurement or commingling off the lease, unit, or communitized area under other regulations does not constitute approval of off-lease royalty-free use. The operator or lessee must expressly request, and submit its justification for, approval of off-lease royalty-free use.

(e) If equipment or a facility located on a particular lease, unit, or communitized area treats oil or gas produced from properties that are not unitized or communitized with the property on which the equipment or facility is located, in addition to treating oil or gas produced from the lease, unit, or communitized area on which the equipment or facility is located, the operator may report as royalty free only that portion of the oil or gas used as fuel that is properly allocable to the share of production contributed by the lease, unit, or communitized area on which the equipment is located, unless otherwise authorized by the BLM under this section.

 Back to Top

§3178.8   Measurement or estimation of volumes of oil or gas that are used royalty-free.

(a) The operator must measure or estimate the volumes of royalty-free gas used in operations upstream of the FMP.

(b) The operator must measure the volume of gas that is removed from the product stream downstream of the FMP and used royalty-free pursuant to sections 3178.4 through 3178.7.

(c) The operator must measure the volume of oil that is used royalty-free pursuant to sections 3178.4 through 3178.7. The operator must also document removal of such oil from the tank or pipeline.

(d) If the operator removes oil or gas downstream of the FMP and that oil or gas is used royalty-free pursuant to sections 3178.4 through 3178.7, the operator must apply for an FMP under section 3173.12 to measure the oil or gas that is removed for use.

(e) When estimating gas volumes, the operator must use the best available information to make a reasonable estimate.

(f) Each of the volumes required to be measured or estimated, as applicable, under this subpart, must be reported by the operator following applicable ONRR reporting requirements.

 Back to Top

§3178.9   Requesting approval of royalty-free treatment when approval is required.

To request written approval of royalty-free use when required under §3178.5 or §3178.7, the operator must submit a Sundry Notice that includes the following information:

(a) A complete description of the operation to be conducted, including the location of all facilities and equipment involved in the operation and the location of the FMP;

(b) The volume of oil or gas that the operator expects will be used in the operation, and the method of measuring or estimating that volume;

(c) If the volume of gas expected to be used will be estimated, the basis for the estimate (e.g., equipment manufacturer's published consumption or usage rates); and

(d) The proposed disposition of the oil or gas used (e.g., whether gas used would be consumed as fuel, vented through use of a gas-activated pneumatic controller, returned to the reservoir, or used in some other way).

 Back to Top

§3178.10   Facility and equipment ownership.

The operator is not required to own or lease the equipment or facility that uses oil or gas royalty free. The operator is responsible for obtaining all authorizations, measuring production, reporting production, and all other applicable requirements.

 Back to Top

Subpart 3179—Waste Prevention and Resource Conservation

Source: 81 FR 83078, Nov. 18, 2016, unless otherwise noted.

 Back to Top

§3179.1   Purpose.

The purpose of this subpart is to implement and carry out the purposes of statutes relating to prevention of waste from Federal and Indian (other than Osage Tribe) leases, conservation of surface resources, and management of the public lands for multiple use and sustained yield. This subpart supersedes those portions of Notice to Lessees and Operators of Onshore Federal and Indian Oil and Gas Leases, Royalty or Compensation for Oil and Gas Lost (NTL-4A),, pertaining to, among other things, flaring and venting of produced gas, unavoidably and avoidably lost gas, and waste prevention.

 Back to Top

§3179.2   Scope.

(a) This subpart applies to:

(1) All onshore Federal and Indian (other than Osage Tribe) oil and gas leases, units, and communitized areas, except as otherwise provided in this subpart;

(2) IMDA oil and gas agreements, unless specifically excluded in the agreement or unless the relevant provisions of this subpart are inconsistent with the agreement;

(3) Leases and other business agreements and contracts for the development of tribal energy resources under a Tribal Energy Resource Agreement entered into with the Secretary, unless specifically excluded in the lease, other business agreement, or Tribal Energy Resource Agreement;

(4) Committed State or private tracts in a federally approved unit or communitization agreement defined by or established under 43 CFR subpart 3105 or 43 CFR part 3180;

(5) All onshore wells, tanks, compressors, and other equipment located on a Federal or Indian lease or a federally approved unit or communitized area; and

(b) For purposes of this subpart, the term “lease” also includes IMDA agreements.

 Back to Top

§3179.3   Definitions and acronyms.

As used in this subpart, the term:

Accessible component means a component that can be reached, if necessary, by safe and proper use of portable ladders or by built-in ladders and walkways. Accessible components also include components that can be reached by the safe use of an extension on a monitoring probe.

Automatic ignition system means an automatic ignitor and, where needed to ensure continuous combustion, a continuous pilot flame.

Capture means the physical containment of natural gas for transportation to market or productive use of natural gas, and includes reinjection and royalty-free on-site uses pursuant to subpart 3178.

Capture infrastructure means any pipelines, facilities, or other equipment (including temporary or mobile equipment) used to capture, transport, or process gas. Capture infrastructure includes, but is not limited to, equipment that compresses or liquefies natural gas, removes natural gas liquids, or generates electricity from gas.

Compressor station means any permanent combination of one or more compressors that move natural gas at increased pressure through gathering or transmission pipelines, or into or out of storage. This includes, but is not limited to, gathering and boosting stations and transmission compressor stations. The combination of one or more compressors located at a well site, or located at an onshore natural gas processing plant, is not a compressor station.

Continuous bleed means a continuous flow of pneumatic supply natural gas to a pneumatic controller.

Development oil well or development gas well means a well drilled to produce oil or gas, respectively, from an established field in which commercial quantities of hydrocarbons have been discovered and are being produced. For purposes of this subpart, the BLM will determine when a well is a development oil well or development gas well in the event of a disagreement between the BLM and the operator.

Gas-to-oil ratio (GOR) means the ratio of gas to oil in the production stream expressed in standard cubic feet of gas per barrel of oil.

Gas well means a well for which the energy equivalent of the gas produced, including its entrained liquefiable hydrocarbons, exceeds the energy equivalent of the oil produced. Unless more specific British thermal unit (Btu) values are available, a well with a gas-to-oil ratio greater than 6,000 standard cubic feet (scf) of gas per barrel of oil is a gas well. Except where gas has been re-injected into the reservoir, a mature oil well would not be reclassified as a gas well even after normal production decline has caused the GOR to increase beyond 6,000 scf of gas per barrel of oil.

High pressure flare means an open-air flare stack or flare pit designed for the combustion of natural gas leaving a pressurized production vessel (such as a separator or heater-treater) that is not a storage vessel.

Leak means a release of natural gas from a component that is not associated with normal operation of the component, when such release is:

(1) A visible hydrocarbon emission detected by use of an optical gas imaging instrument;

(2) At least 500 ppm of hydrocarbon detected using a portable analyzer or other instrument that can measure the quantity of the release; or

(3) Visible bubbles detected using soap solution.

Releases due to normal operation of equipment intended to vent as part of normal operations, such as gas-driven pneumatic controllers and safety release devices, are not considered leaks unless the releases exceed the quantities and frequencies expected during normal operations. Releases due to operator errors or equipment malfunctions or from control equipment at levels that exceed applicable regulatory requirements, such as releases from a thief hatch left open, a leaking vapor recovery unit, or an improperly sized combustor, are considered leaks.

Leak component means any component that has the potential to leak gas and can be monitored in the manner described in sections 3179.301 through 3179.305 of this subpart, including, but not limited to, valves, connectors, pressure relief devices, open-ended lines, flanges, covers and closed vent systems, thief hatches or other openings on a storage vessel, compressors, instruments, and meters.

Liquid hydrocarbon means chemical compounds of hydrogen and carbon atoms that exist as a liquid under the temperature and pressure at which they are measured. The term is used to refer to oil, condensate, liquefied petroleum gas (LPG), liquefied natural gas (LNG), and natural gas liquids (NGL).

Liquids unloading means the removal of an accumulation of liquid hydrocarbons or water from the wellbore of a completed gas well.

Lost oil or lost gas means produced oil or gas that escapes containment, either intentionally or unintentionally, or is flared before being removed from the lease, unit, or communitized area, and cannot be recovered.

Pneumatic controller means an automated instrument used for maintaining a process condition such as liquid level, pressure, delta-pressure, or temperature.

Storage vessel means a tank or other vessel that contains an accumulation of crude oil, condensate, intermediate hydrocarbon liquids, or produced water, and that is constructed primarily of non-earthen materials (such as wood, concrete, steel, fiberglass, or plastic), which provide structural support. A well completion vessel that receives recovered liquids from a well after startup of production following flowback, for a period that exceeds 60 days, is considered a storage vessel under this subpart unless the storage of the recovered liquids in the vessel is governed by §3162.3-3 of this title. For purposes of this subpart, the following are not considered storage vessels:

(1) Vessels that are skid-mounted or permanently attached to something that is mobile (such as trucks, railcars, barges or ships), and are intended to be located at a site for less than 180 consecutive days. This exclusion does not apply to well completion vessels or to storage vessels that are located at a site for at least 180 consecutive days.

(2) Process vessels such as surge control vessels, bottoms receivers, or knockout vessels.

(3) Pressure vessels designed to operate in excess of 204.9 kilopascals and without emissions to the atmosphere.

(4) Tanks holding hydraulic fracturing fluid prior to implementation of an approved permanent disposal plan under Onshore Oil and Gas Order No. 7.

Volatile organic compounds (VOC) has the same meaning as defined in 40 CFR 51.100(s).

 Back to Top

§3179.4   Determining when the loss of oil or gas is avoidable or unavoidable.

For purposes of this subpart:

(a) Unavoidably lost oil or gas means lost oil or gas provided that the operator has not been negligent; the operator has complied fully with applicable laws, lease terms, regulations, provisions of a previously approved operating plan, or other written orders of the BLM; and the oil or gas is:

(1) Produced oil or gas that is lost from the following operations or sources, and that cannot be recovered in the normal course of operations, where the operator has taken prudent and reasonable steps to avoid waste:

(i) Well drilling;

(ii) Well completion and related operations;

(iii) Initial production tests, subject to the limitations in §3179.103;

(iv) Subsequent well tests, subject to the limitations in §3179.104;

(v) Exploratory coalbed methane well dewatering;

(vi) Emergencies, subject to the limitations in §3179.105;

(vii) Normal operating losses from a natural gas-activated pneumatic controller or pump that is in compliance with §3179.201 and §3179.202;

(viii) Normal operating losses from a storage vessel or other low pressure production vessel that is in compliance with §3179.203 and §3174.5(b);

(ix) Well venting in the course of downhole well maintenance and/or liquids unloading performed in compliance with §3179.204;

(x) Leaks, when the operator has complied with the leak detection and repair requirements in §§3179.301-305;

(xi) Facility and pipeline maintenance, such as when an operator must blow-down and depressurize equipment to perform maintenance or repairs; or

(xii) Flaring of gas from which at least 50 percent of natural gas liquids have been removed and captured for market, if the operator has notified the BLM through a Sundry Notice that the operator is conducting such capture; or

(2) Produced gas that is flared or vented from a well that is not connected to a gas pipeline, provided the BLM has not determined loss of gas through such venting or flaring is otherwise avoidable.

(b) Avoidably lost oil or gas means: Lost oil or gas that is not “unavoidably lost,” as defined in paragraph (a) of this section; waste oil that became waste oil through operator negligence; and, any “excess flared gas,” as defined in §3179.7.

[81 FR 83078, Nov. 18, 2016, as amended at 81 FR 88634, Dec. 8, 2016]

 Back to Top

§3179.5   When lost production is subject to royalty.

(a) Royalty is due on all avoidably lost oil or gas.

(b) Royalty is not due on any unavoidably lost oil or gas.

 Back to Top

§3179.6   Venting prohibition.

(a) Gas well gas may not be flared or vented, except where it is unavoidably lost pursuant to §3179.4(a).

(b) The operator must flare rather than vent any gas that is not captured, except:

(1) When flaring the gas is technically infeasible, such as when the gas is not readily combustible or the volumes are too small to flare;

(2) Under emergency conditions, as defined in §3179.105, when the loss of gas is uncontrollable or venting is necessary for safety;

(3) When the gas is vented through normal operation of a natural gas-activated pneumatic controller or pump;

(4) When the gas is vented from a storage vessel, provided that §3179.203 does not require the combustion or flaring of the gas;

(5) When the gas is vented during downhole well maintenance or liquids unloading activities performed in compliance with §3179.204;

(6) When the gas is vented through a leak, provided that the operator is in full compliance with §§3179.301 through 3179.305;

(7) When the gas venting is necessary to allow non-routine facility and pipeline maintenance to be performed, such as when an operator must, upon occasion, blow-down and depressurize equipment to perform maintenance or repairs; or

(8) When a release of gas is unavoidable under §3179.4 and flaring is prohibited by Federal, State, local or Tribal law, regulation, or enforceable permit term.

(c) For purposes of this subpart, all flares or combustion devices must be equipped with an automatic ignition system.

 Back to Top

§3179.7   Gas capture requirement.

(a) Except as provided in §3179.8, on a monthly basis, each operator must capture for sale or use on site a volume of gas sufficient to meet the “capture percentage” requirement specified in paragraph (b) of this section.

(b) Beginning January 17, 2018, the operator's capture percentage must equal:

(1) For each month during the period from January 17, 2018 until December 31, 2019: 85 percent;

(2) For each month during the period from January 1, 2020 until December 31, 2022: 90 percent;

(3) For each month during the period from January 1, 2023 until December 31, 2025: 95 percent; and

(4) For each month beginning January 1, 2026: 98 percent.

(c) The term “capture percentage” in this section means the “total volume of gas captured” over the “relevant area” divided by the “adjusted total volume of gas produced” over the “relevant area.”

(1) The term “total volume of gas captured” in this section means: for each month, the volume of gas sold from all of the operator's development oil wells in the relevant area plus the volume of gas from such wells used on lease, unit, or communitized area in the relevant area.

(2) The term “adjusted total volume of gas produced” in this section means: the total volume of gas captured over the month plus the total volume of gas flared over the month from high pressure flares from all of the operator's development oil wells that are in production in the relevant area, minus:

(i) For each month from January 17, 2018 until December 31, 2018: 5,400 Mcf times the total number of development oil wells “in production” in the relevant area;

(ii) For each month in calendar year 2019: 3,600 Mcf times the total number of development oil wells in production in the relevant area;

(iii) For each month in calendar year 2020: 1,800 Mcf times the total number of development oil wells in production in the relevant area; and

(iv) For each month in calendar year 2021: 1,500 Mcf times the total number of development oil wells in production in the relevant area;

(v) For each month in calendar years 2022-2023: 1,200 Mcf times the total number of development oil wells in production in the relevant area;

(vi) For each month in calendar year 2024: 900 Mcf times the total number of development oil wells in production in the relevant area; and

(vii) For each month in calendar year 2025 and thereafter: 750 Mcf times the total number of development oil wells in production in the relevant area.

(3) The term “relevant area” in this section means:

(i) Each of the operator's leases, units, or communitized areas; or

(ii) All of the operator's development oil wells on leases, units, and communitized areas within a county or within a State, if the operator notifies the BLM by Sundry Notice by January 1, of the relevant year that the operator has chosen to comply on a county- or State-wide basis.

(4) An oil well is considered “in production” only after the well has begun producing oil, and only during a month in which it produces gas (that is sold or flared) for 10 or more days.

(d) In any month in which the operator fails to meet the required capture percentage, the “excess flared gas” is royalty-bearing under §3179.4. The term “excess flared gas” means:

Excess flared gas = (required capture percentage * adjusted total volume of gas produced over the relevant area) − total volume of gas captured.

(e) For purposes of calculating royalties on an operator's excess flared gas in a given month, the operator must prorate the excess flared gas across the relevant area to each lease, unit or communitized area that reported high-pressure flaring during the month.

 Back to Top

§3179.8   Alternative capture requirement.

(a) With respect to leases issued before the effective date of this regulation, for operators choosing to comply with the capture requirement in §3179.7 on a lease-by-lease, unit-by-unit, or communitized area-by-communitized area basis, the BLM may approve a capture percentage lower than the applicable capture percentage specified under §3179.7, if the operator demonstrates, and the BLM agrees, that the applicable capture percentage under §3179.7 would impose such costs as to cause the operator to cease production and abandon significant recoverable oil reserves under the lease.

(b) To support a demonstration under paragraph (a) of this section, the operator must submit a Sundry Notice that includes the following information:

(1) The name, number, and location of each of the operator's wells, and the number of the lease, unit, or communitized area with which it is associated;

(2) The oil and gas production levels of each of the operator's wells on the lease, unit or communitized area for the most recent production month for which information is available and the volumes being vented and flared from each well;

(3) Map(s) showing:

(i) The entire lease, unit, or communitized area and the surrounding lands to a distance and on a scale that shows the field in which the well or wells are or will be located (if applicable), and all pipelines that could transport the gas from the well or wells;

(ii) All of the operator's producing oil and gas wells, which are producing from Federal or Indian leases (both on Federal or Indian leases and on other properties) within the map area;

(iii) Identification of all of the operator's wells within the lease, unit, or communitized area from which gas is flared or vented, and the location and distance of the nearest gas pipeline(s) to each such well, with an identification of those pipelines that are or could be available for connection and use; and

(iv) Identification of all of the operator's wells within the lease, unit, or communitized area from which gas is captured;

(4) Data that show pipeline capacity and the operator's projections of the cost associated with installation and operation of gas capture infrastructure, to the extent that the operator is able to obtain this information, as well as cost projections for alternative methods of transportation that do not require pipelines;

(5) Projected costs of and the combined stream of revenues from both gas and oil production, including:

(i) The operator's projections of gas prices, gas production volumes, gas quality (i.e., heating value and H2S content), revenues derived from gas production, and royalty payments on gas production over the next 15 years or the life of the operator's lease, unit, or communitized area, whichever is less; and

(ii) The operator's projections of oil prices, oil production volumes, costs, revenues, and royalty payments from the operator's oil and gas operations within the lease over the next 15 years or the life of the operator's lease, unit, or communitized area, whichever is less.

(c) In establishing an alternative capture requirement under this section, the BLM will set the capture percentage at the highest level that the BLM determines, considering the information identified in paragraph (b) of this section, will not cause the operator to cease production and abandon significant recoverable oil reserves under the lease.

 Back to Top

§3179.9   Measuring and reporting volumes of gas vented and flared.

(a) The operator must estimate or measure all volumes of gas vented or flared from wells, facilities and equipment on a lease, unit PA, or communitized area and report those volumes under applicable ONRR reporting requirements.

(b) The operator may estimate such volumes, except:

(1) If the operator estimates that the volume of gas flared from a high pressure flare stack or manifold equals or exceeds an average of 50 Mcf per day for the life of the flare, or the previous 12 months, whichever is shorter, then, beginning January 17, 2018 the operator must either:

(i) Measure the volume of the flared gas; or

(ii) Calculate the volume of the flared gas based on the results of a regularly performed GOR test and measured values for the volumes of oil production and gas sales, so as to allow BLM to independently verify the volume, rate, and heating value of the flared gas; or

(2) If the BLM determines and informs the operator that the additional accuracy offered by measurement is necessary for effective implementation of this Subpart, then the operator must measure the volume of the flared gas.

(c) If measurement or calculation is required under paragraph (b) of this section for a flare that is combusting gas that is combined across multiple leases, unit PAs, or communitized areas, the operator may measure or calculate the gas at a single point at the flare, but must use an allocation method approved by the BLM to allocate the quantities of flared gas to each lease, unit PA, or communitized area.

 Back to Top

§3179.10   Determinations regarding royalty-free flaring.

(a) Approvals to flare royalty free, which are in effect as of the effective date of this rule, will continue in effect until January 17, 2018.

(b) The provisions of this subpart do not affect any determination made by the BLM before or after January 17, 2017, with respect to the royalty-bearing status of flaring that occurred prior to January 17, 2017.

 Back to Top

§3179.11   Other waste prevention measures.

(a) If production from an oil well newly connected to a gas pipeline results or is expected to result in one or more producing wells already connected to the pipeline being forced off the pipeline, the BLM may exercise its authority under applicable laws and regulations, as well as its authority under the terms of applicable permits, orders, leases, and unitization or communitization agreements, to limit the production level from the new well until the pressure of gas production from the new well stabilizes at levels that allow transportation of gas from all wells connected to the pipeline.

(b) If gas capture capacity is not yet available on a given lease, the BLM may exercise its authority under applicable laws and regulations, as well as its authority under the terms of applicable permits, orders, leases, and unitization or communitization agreements, to delay action on an APD for that lease, or approve the APD with conditions for gas capture or limitations on production. If the lease for which an APD is submitted is not yet producing, the BLM may direct or grant a lease suspension under 43 CFR 3103.4-4.

 Back to Top

§3179.12   Coordination with State regulatory authority.

To the extent that any BLM action to enforce a prohibition, limitation, or order under this subpart may adversely affect production of oil or gas that comes from non-Federal and non-Indian mineral interests, the BLM will coordinate, on a case-by-case basis, with the State regulatory authority having jurisdiction over the oil and gas production from the non-Federal and non-Indian interests.

 Back to Top

Flaring and Venting Gas During Drilling and Production Operations

 Back to Top

§3179.101   Well drilling.

(a) Except as provided in §3179.6 of this subpart, and unless technically infeasible, gas that reaches the surface as a normal part of drilling operations must be:

(1) Captured and sold;

(2) Directed to a flare pit or flare stack to combust any flammable gasses;

(3) Used in operations on the lease, unit, or communitized area; or

(4) Injected.

(b) If gas is lost as a result of loss of well control, the BLM will make a determination of whether the loss of well control is due to operator negligence. Such gas is avoidably lost if the BLM determines that the loss of well control is due to operator negligence. The BLM will notify the operator in writing when it makes a determination that gas was lost due to operator negligence.

 Back to Top

§3179.102   Well completion and related operations.

(a) Except as provided in §3179.6, and unless technically infeasible, after a well has been hydraulically fractured or refractured, gas that reaches the surface during well completion, post-completion, and fluid recovery operations must be:

(1) Captured and sold;

(2) Directed to a flare pit or flare stack to combust any flammable gasses, subject to the volumetric limitations in §3179.103(a)(3);

(3) Used in operations on the lease, unit, or communitized area; or

(4) Injected.

(b) An operator will be deemed to be in compliance with the requirements of paragraph (a) of this section, if the operator is in compliance with the requirements for control of gas from well completions established under 40 CFR part 60, subpart OOOO or subpart OOOOa or if the well is not a “well affected facility” under either of those subparts.

(c) The requirements of paragraph (a) of this section will not apply where the operator demonstrates through a Sundry Notice, and the BLM agrees, that compliance with paragraph (a) of this section would impose such costs as to cause the operator to cease production and abandon significant recoverable oil reserves under the lease.

(d) To support a demonstration under paragraph (c) of this section, the operator must submit a Sundry Notice that includes the following information:

(1) The name, number, and location of each of the operator's wells, and the number of the lease, unit, or communitized area with which it is associated;

(2) The oil and gas production levels of each of the operator's wells on the lease, unit or communitized area for the most recent production month for which information is available;

(3) Data that show the costs of compliance with paragraph (a) of this section on the lease; (4) Projected costs of and the combined stream of revenues from both gas and oil production, including: the operator's projections of oil and gas prices, production volumes, quality (i.e., heating value and H2S content), revenues derived from production, and royalty payments on production over the next 15 years or the life of the operator's lease, unit, or communitized area, whichever is less.

[81 FR 83078, Nov. 18, 2016, as amended at 81 FR 88634, Dec. 8, 2016]

 Back to Top

§3179.103   Initial production testing.

(a) Gas flared during a well's initial production test is royalty-free under §§3179.4(a)(1)(iii) and 3179.5(b) of this subpart until one of the following occurs:

(1) The operator determines that it has obtained adequate reservoir information for the well;

(2) 30 days have passed since the beginning of the production test, except as provided in paragraph (b) and paragraph (d) of this section;

(3) The operator has flared 20 million cubic feet (MMcf) of gas, when volumes flared under this section are combined with volumes flared under §3179.102(a)(2), except as provided in paragraph (c) of this section; or

(4) Production begins.

(b) The BLM may extend the period specified in paragraph (a)(2) not to exceed an additional 60 days, based on testing delays caused by well or equipment problems or if there is a need for further testing to develop adequate reservoir information.

(c) The BLM may increase the limit specified in paragraph (a)(3) by up to an additional 30 million cubic feet of gas for exploratory wells in remote locations where additional testing is needed in advance of development of pipeline infrastructure.

(d) During the dewatering and initial evaluation of an exploratory coalbed methane well, the 30-day period specified in paragraph (a)(2) of this section is extended to 90 days. The BLM may approve up to two extensions of this evaluation period, of up to 90 days each.

(e) The operator must submit its request for a longer test period or increased limit under paragraphs (b), (c), or (d) of this section using a Sundry Notice.

 Back to Top

§3179.104   Subsequent well tests.

During well tests subsequent to the initial production test, the operator may flare gas for no more than 24 hours royalty free, unless the BLM approves or requires a longer period. The operator must request a longer period under this section using a Sundry Notice.

 Back to Top

§3179.105   Emergencies.

(a) An operator may flare or, if flaring is not feasible given the emergency, vent gas royalty-free under §3179.4(a)(vi) of this subpart during an emergency. For purposes of this subpart, an “emergency” is a temporary, infrequent and unavoidable situation in which the loss of gas or oil is uncontrollable or necessary to avoid risk of an immediate and substantial adverse impact on safety, public health, or the environment. For purposes of royalty assessment, an “emergency” is limited to a short-term situation of 24 hours or less (unless the BLM agrees that the emergency conditions necessitating venting or flaring extend for a longer period) caused by an unanticipated event or failure that is out of the operator's control and was not due to operator negligence.

(b) The following do not constitute emergencies for the purposes of royalty assessment:

(1) More than 3 failures of the same component within a single piece of equipment within any 365-day period;

(2) The operator's failure to install appropriate equipment of a sufficient capacity to accommodate the production conditions;

(3) Failure to limit production when the production rate exceeds the capacity of the related equipment, pipeline, or gas plant, or exceeds sales contract volumes of oil or gas;

(4) Scheduled maintenance;

(5) A situation caused by operator negligence; or

(6) A situation on a lease, unit, or communitized area that has already experienced 3 or more emergencies within the past 30 days, unless the BLM determines that the occurrence of more than 3 emergencies within the 30 day period could not have been anticipated and was beyond the operator's control.

(c) Within 45 days of the start of the emergency, the operator must estimate and report to the BLM on a Sundry Notice the volumes flared or vented beyond the timeframes specified in paragraph (b) of this section.

 Back to Top

Gas Flared or Vented From Equipment and During Well Maintenance Operations

 Back to Top

§3179.201   Equipment requirements for pneumatic controllers.

(a) A pneumatic controller that uses natural gas produced from a Federal or Indian lease, or from a unit or communitized area that includes a Federal or Indian lease, is subject to this section if the pneumatic controller:

(1) Has a continuous bleed rate greater than 6 standard cubic feet (scf) per hour; and

(2) Is not subject to any of the requirements of 40 CFR part 60, subpart OOOO or subpart OOOOa, but would be subject to one of those subparts if it were a new, modified, or reconstructed source.

(b) The operator must replace a pneumatic controller subject to this section with a controller (including but not limited to a continuous or intermittent pneumatic controller) having a bleed rate of 6 scf per hour or less within the timeframes set forth in paragraph (d) of this section, unless:

(1) Use of a pneumatic controller with a bleed rate greater than 6 scf per hour is required based on functional needs that may include, but are not limited to, response time, safety, and positive actuation, provided that the operator notifies the BLM through a Sundry Notice that describes the functional needs necessitating the use of a pneumatic controller with a bleed rate greater than 6 scf per hour;

(2) The pneumatic controller exhaust was, as of January 17, 2017 and continues to be, routed to a flare device or low-pressure combustor;

(3) The pneumatic controller exhaust is routed to processing equipment; or

(4) The operator notifies the BLM through a Sundry Notice and demonstrates, and the BLM agrees, based on the information identified in paragraph (c) of this section, that replacement of a pneumatic controller subject to paragraph (a)(1)(i) of this section would impose such costs as to cause the operator to cease production and abandon significant recoverable oil reserves under the lease.

(c) To support a demonstration under paragraph (b)(4) of this section, the operator must submit a Sundry Notice that includes the following information:

(1) The name, number, and location of each of the operator's wells, and the number of the lease, unit, or communitized area with which it is associated;

(2) The oil and gas production levels of each of the operator's wells on the lease, unit or communitized area for the most recent production month for which information is available;

(3) Data that show the costs of compliance with paragraph (b) of this section on the lease;

(4) Projected costs of and the combined stream of revenues from both gas and oil production, including:

(i) The operator's projections of gas prices, gas production volumes, gas quality (i.e., heating value and H2S content), revenues derived from gas production, and royalty payments on gas production over the next 15 years or the life of the operator's lease, unit, or communitized area, whichever is less; and

(ii) The operator's projections of oil prices, oil production volumes, costs, revenues, and royalty payments from the operator's oil and gas operations within the lease over the next 15 years or the life of the operator's lease, unit, or communitized area, whichever is less.

(d) The operator must replace the pneumatic controller(s) no later than 1 year after the effective date of this section as required under paragraph (b) of this section. If, however, the well or facility that the pneumatic controller serves has an estimated remaining productive life of 3 years or less from the effective date of this section, then the operator may notify the BLM through a Sundry Notice and replace the pneumatic controller no later than 3 years from the effective date of this section.

(e) The operator must ensure pneumatic controllers are functioning within manufacturers' specifications.

 Back to Top

§3179.202   Requirements for pneumatic diaphragm pumps.

(a) A pneumatic diaphragm pump is subject to this section if it:

(1) Uses natural gas produced from a Federal or Indian lease, or from a unit or communitized area that includes a Federal or Indian lease; and

(2) Is not subject to any of the requirements of 40 CFR part 60, subpart OOOOa, but would be subject to that subpart if it were a new, modified or reconstructed source.

(b) An operator is not required to comply with paragraphs (c) through (h), with respect to a pneumatic diaphragm pump or pumps if:

(1) The pump does not vent exhaust gas to the atmosphere; or

(2) The operator submits a Sundry Notice to the BLM documenting that the pump(s) operated on less than 90 individual days in the prior calendar year.

(c) For each pneumatic diaphragm pump subject to this section and within the timeframes set forth in paragraph (h) of this section, the operator must:

(1) Replace the pump with a zero-emissions pump, which may be an electric-powered pump; or

(2) Route the pump exhaust gas to processing equipment for capture and sale.

(d) As an alternative to compliance with paragraph (c), the operator may route the pump exhaust gas to a flare or low pressure combustor device within the timeframes set forth in paragraph (h) of this section, if the operator determines and notifies the BLM through a Sundry Notice that:

(1) Replacing the pump with a zero-emissions pump is not viable because a pneumatic pump is necessary to perform the function required; and

(2) Routing the pump exhaust gas to processing equipment for capture and sale is technically infeasible or unduly costly.

(e) If the operator has met the criteria in paragraph (d) allowing the operator to use the compliance alternative provided in paragraph (d), but the operator has no flare or low pressure combustor device on site, or routing the exhaust gas to such a flare or low pressure combustor device would be technically infeasible, the operator need take no further action to comply with paragraphs (c) through (h).

(f) An operator that is required to replace a pump or route the exhaust gas from a pump to capture or a flare or combustion device under this section, may nonetheless be exempt from such requirement if the operator submits a Sundry Notice to the BLM that provides an economic analysis that demonstrates, and the BLM agrees, based on the information identified in paragraph (g) of this section, that compliance with the provisions of this section would impose such costs as to cause the operator to cease production and abandon significant recoverable oil reserves under the lease.

(g) The Sundry Notice described in paragraph (f) must include the following information:

(1) Well information must include:

(i) The name, number, and location of each well, and the number of the lease, unit, or communitized area with which it is associated; and

(ii) The oil and gas production levels of each of the operator's wells on the lease, unit or communitized area for the most recent production month for which information is available;

(2) Data that show the costs of compliance with paragraphs (c) through (e) of this section on the lease;

(3) The operator must consider the costs and revenues of the combined stream of revenues from both the gas and oil components and provide:

(i) The operator's projections of gas prices, gas production volumes, gas quality (i.e., heating value and H2S content), revenues derived from gas production, and royalty payments on gas production over the next 15 years or the life of the operator's lease, unit, or communitized area, whichever is less; and

(ii) The operator's projections of oil prices, oil production volumes, costs, revenues, and royalty payments from the operator's oil and gas operations within the lease over the next 15 years or the life of the operator's lease, unit, or communitized area, whichever is less.

(h) The operator must replace the pneumatic diaphragm pump(s) or route the exhaust gas to capture or to a flare or combustion device no later than 1 year after the effective date of this section, except that if the operator will comply with paragraph (c) of this section by replacing the pneumatic diaphragm pump with a zero-emission pump and the well or facility that the pneumatic diaphragm pump serves has an estimated remaining productive life of 3 years or less from the effective date of this section, the operator must notify the BLM through a Sundry Notice and replace the pneumatic diaphragm pump no later than 3 years from the effective date of this section.

(i) The operator must ensure its pneumatic diaphragm pumps are functioning within manufacturers' specifications.

 Back to Top

§3179.203   Storage vessels.

(a) A storage vessel is subject to this section if the vessel:

(1) Contains production from a Federal or Indian lease, or from a unit or communitized area that includes a Federal or Indian lease; and

(2) Is not subject to any of the requirements of 40 CFR part 60, subparts OOOO or OOOOa, but would be subject to one of those subparts if it were a new, modified or reconstructed source.

(b) Within 60 days after the effective date of this section, and within 30 days after any new source of production is added to the storage vessel, the operator must determine, record, and make available to the BLM upon request, whether the storage vessel has the potential for VOC emissions equal to or greater than 6 tpy based on the maximum average daily throughput for a 30-day period of production. The determination may take into account requirements under a legally and practically enforceable limit in an operating permit or other requirement established under a federal, state, local or tribal authority that limit the VOC emissions to less than 6 tpy.

(c) If a storage vessel has the potential for VOC emissions equal to or greater than 6 tpy under paragraph (b) of this section, no later than one year after the effective date of this section, or three years if the operator must and will replace the storage vessel at issue in order to comply with the requirements of this section, the operator must:

(1) Route all tank vapor gas from the storage vessel to a sales line;

(2) If the operator determines that compliance with paragraph (c)(1) of this section is technically infeasible or unduly costly, route all tank vapor gas from the storage vessel to a device or method that ensures continuous combustion of the tank vapor gas; or

(3) Submit an economic analysis to the BLM through a Sundry Notice that demonstrates, and the BLM agrees, based on the information identified in paragraph (d) of this section, that compliance with paragraph (c)(2) of this section would impose such costs as to cause the operator to cease production and abandon significant recoverable oil reserves under the lease.

(d) To support a demonstration under paragraph (c) of this section, the operator must submit a Sundry Notice that includes the following information:

(1) The name, number, and location of each well, and the number of the lease, unit, or communitized area with which it is associated;

(2) The oil and gas production levels of each of the operator's wells on the lease, unit or communitized area for the most recent production month for which information is available;

(3) Data that show the costs of compliance with paragraph (c)(1) or (c)(2) of this section on the lease;

(4) The operator must consider the costs and revenues of the combined stream of revenues from both the gas and oil components and provide:

(i) The operator's projections of oil and gas prices, production volumes, quality (i.e., heating value and H2S content), revenues derived from production, and royalty payments on production over the next 15 years or the life of the operator's lease, unit, or communitized area, whichever is less.

(e) If the rate of total uncontrolled VOCs released from a storage vessel declines to 4 tpy or less for any continuous 12 month period, the requirements of paragraph (c) no longer apply.

(f) Storage vessels subject to this section must be adequately sized to accommodate the operator's production levels and equipped to meet any applicable regulatory requirements regarding tank vapors.

(g) Storage vessels subject to this section may only vent through properly functioning pressure relief devices.

 Back to Top

§3179.204   Downhole well maintenance and liquids unloading.

(a) The operator must minimize vented gas and the need for well venting associated with downhole well maintenance and liquids unloading, consistent with safe operations.

(b) For wells equipped with a plunger lift system and/or an automated well control system, minimizing gas venting under paragraph (a) includes optimizing the operation of the system to minimize gas losses to the extent possible consistent with removing liquids that would inhibit proper function of the well.

(c) Before the operator manually purges a well for liquids unloading for the first time after the effective date of this section, the operator must consider other methods for liquids unloading and determine that they are technically infeasible or unduly costly. The operator must provide information supporting that determination as part of the Sundry Notice required under paragraph (e) of this section.

(d) For any liquids unloading by manual well purging, the operator must:

(1) Ensure that the person conducting the well purging remains present on-site throughout the event to minimize to the maximum extent practicable any venting to the atmosphere;

(2) Record the cause, date, time, duration, and estimated volume of each venting event; and

(3) Maintain the records for the period required under §3162.4-1 of this title and make them available to the BLM, upon request.

(e) The operator must notify the BLM by Sundry Notice within 30 calendar days after the first liquids unloading event by manual or automated well purging conducted after the effective date of this section. This requirement applies to each well the operator operates.

(f) The operator must notify the BLM by Sundry Notice, within 30 calendar days, if:

(1) The cumulative duration of manual well purging events for a well exceeds 24 hours during any production month; or

(2) The estimated volume of gas vented in liquids unloading by manual well purging operations for a well exceeds 75 Mcf during any production month.

(g) For purposes of this section, “well purging” means blowing accumulated liquids out of a wellbore by reservoir gas pressure, whether manually or by an automatic control system that relies on real-time pressure or flow, timers, or other well data, where the gas is vented to the atmosphere, and it does not apply to wells equipped with a plunger lift system.

(h) Total estimated volumes vented as a result of downhole well maintenance and liquids unloading, including through the operation of plunger lifts and automated well controls, during the production month must be included in volumes reported to ONRR as vented.

 Back to Top

Leak Detection and Repair (LDAR)

 Back to Top

§3179.301   Operator responsibility.

(a) The requirements of §§3179.301 through 3179.305 of this subpart apply to:

(1) A site and all equipment associated with it used to produce, process, compress, treat, store, or measure natural gas (including oil wells that also produce natural gas) from or allocated to a Federal or Indian lease, unit, or communitized area, where the site is upstream of or contains the approved point of royalty measurement; and

(2) A site and all equipment operated by the operator and associated with a site used to store, measure, or dispose of produced water, where the site is located on a Federal or Indian lease.

(b) The requirements of §§3179.301 through 3179.305 of this subpart do not apply to:

(1) A site that contains a wellhead or wellheads and no other equipment; or

(2) A well or well equipment that has been depressurized.

(c) As prescribed in §§3179.302 and 3179.303 of this subpart, the operator must inspect all equipment covered under this section, as provided in paragraph (a) of this section, for gas leaks from leak components.

(d) The operator is not required to inspect or monitor a leak component that is not an accessible component.

(e) For purposes of §§3179.301 through 3179.305, the term “site” means a discrete area located on a lease, unit, or communitized area, and containing a wellhead, wellhead equipment, or other equipment used to produce, process, compress, treat, store, or measure natural gas or store, measure, or dispose of produced water, which is suitable for inspection in a single visit.

(f) The operator must make the first inspection of each site:

(1) Within one year of January 17, 2017 for sites that have begun production prior to January 17, 2017;

(2) Within 60 days of beginning production for sites that begin production after January 17, 2017; and

(3) Within 60 days of the date when a site that was out of service is brought back into service and re-pressurized.

(g) The operator must make subsequent inspections as prescribed in §3179.303.

(h) All leak inspections must occur during production operations.

(i) The operator must fix identified leaks as prescribed in §§3179.304 and 3179.305 of this subpart. See 43 CFR 3162.5-1 for responsibility to repair oil leaks.

(j) With respect to new, modified or reconstructed equipment, an operator will be deemed to be in compliance with the requirements of this section for such equipment, if the operator is in compliance with the requirements of subpart OOOOa applicable to such equipment.

(k) For each lease, unit, or communitized area, for all covered sites and equipment not already deemed in compliance with the requirements of this section pursuant to paragraph (j), an operator may choose to satisfy the requirements of §§3179.301 through 3179.305 by:

(1) Treating each of those sources as if it were a collection of fugitive emissions components as defined in 40 CFR part 60 subpart OOOOa;

(2) Complying with the requirements of 40 CFR part 60 subpart OOOOa that apply to affected facility fugitive emissions components at a well site (or for compressor stations, that apply to affected facility fugitive emissions components at a compressor station) under 40 CFR part 60, subpart OOOOa; and

(3) Notifying the BLM through a Sundry Notice regarding such compliance.

 Back to Top

§3179.302   Approved instruments and methods.

(a) The operator must use one or more of the following instruments, operated according to the manufacturer's specifications or as specified below, to detect leaks:

(1) An optical gas imaging device capable of imaging a gas that is half methane, half propane at a concentration of 10,000 ppm at a flow rate of less than or equal to 60 grams per hour from a quarter inch diameter orifice;

(2) A portable analyzer device capable of detecting leaks, such as catalytic oxidation, flame ionization, infrared absorption or photoionization devices, used for a leak detection survey conducted in compliance with the relevant sections of Method 21 at 40 CFR part 60, appendix A-7, including section 8.3.1. and assisted by audio, visual, and olfactory inspection; or

(3) A leak detection device not listed in this section that is approved by the BLM for use by any operator under §3179.302(d) of this subpart.

(b) The person operating any of the leak detection devices listed in or approved under this section must be adequately trained in the proper use of the device.

(c) Any person may request approval of an alternative monitoring device and protocol by submitting a Sundry Notice to BLM that includes the following information:

(1) Specifications of the proposed monitoring device, including a detection limit capable of supporting the desired function;

(2) The proposed monitoring protocol using the proposed monitoring device, including how results will be recorded;

(3) Records and data from laboratory and field testing, including but not limited to performance testing;

(4) A demonstration that the proposed monitoring device and protocol will achieve equal or greater reduction of gas lost through leaks compared with the approach specified in §3179.302(a)(1) when used according to §3179.303(a) of this subpart;

(5) Tracking and documentation procedures; and

(6) Proposed limitations on the types of sites or other conditions on deploying the device and the protocol to achieve the demonstrated results.

(d) The BLM may approve an alternative monitoring device and associated inspection protocol, if the BLM finds that the alternative would achieve equal or greater reduction of gas lost through leaks compared with the approach specified in §3179.302(a)(1) when used according to §3179.303(a) of this subpart.

(1) The BLM will provide public notice of a submission for approval under section 3179.302(c).

(2) The BLM may approve an alternative device and monitoring protocol for use in all or most applications, or for use on a pilot or demonstration basis under specified circumstances that limit where and for how long the device may be used.

(3) The BLM will post on the BLM Web site a list of each approved alternative monitoring device and protocol, along with any limitations on its use.

 Back to Top

§3179.303   Leak detection inspection requirements for natural gas wellhead equipment and other equipment.

(a) Except as provided below or otherwise authorized in paragraph (b) of this section, the operator must inspect leak components located on and around the equipment identified in §3179.301(a) of this subpart for leaks using a leak detection device listed under §3179.302 according to the following parameters:

(1) The operator must inspect each site at least semi-annually, and consecutive semiannual inspections must be conducted at least 4 months apart; and

(2) The operator must inspect each compressor station at least quarterly, and consecutive quarterly inspections must be conducted at least 60 days apart.

(b) The BLM may approve an operator's request to use an alternative instrument-based leak detection program, in lieu of compliance with the requirements of §3179.303(a), if the BLM finds that the alternative program would achieve equal or greater reduction of gas lost through leaks compared with the approach specified in §§3179.302(a)(1) and 3179.303(a) of this subpart. The operator must submit its request for an alternative leak detection program through a Sundry Notice that includes the following information:

(1) A detailed description of the alternative leak detection program, including how it will use one or more of the instruments specified in or approved under §3179.302(a) and an identification of the specific instruments, methods and/or practices that would substitute for specific elements of the approach specified in §§3179.302(a) and 3179.303(a);

(2) The proposed monitoring protocol;

(3) Records and data from laboratory and field testing, including, but not limited to, performance testing, to the extent relevant;

(4) A demonstration that the proposed alternative leak detection program will achieve equal or greater reduction of gas lost through leaks compared to compliance with the requirements specified in §§3179.302(a) and 3179.303(a);

(5) A detailed description of how the operator will track and document its procedures, leaks found, and leaks repaired; and

(6) Proposed limitations on types of sites or other conditions on deployment of the alternative leak detection program.

(c) If the operator demonstrates, and the BLM agrees, that compliance with the requirements of §§3179.301-305, including the option for compliance with an alternative leak detection program under §3179.303(b) would impose such costs as to cause the operator to cease production and abandon significant recoverable oil or gas reserves under the lease, the BLM may approve an alternative leak detection program for that operator that does not meet the criterion specified in §3179.303(b)(4), but is as effective as possible consistent with not causing the operator to cease production and abandon significant recoverable oil or gas reserves under the lease.

(d) To support a demonstration under paragraph (c) of this section, the operator must submit a Sundry Notice that includes the following information:

(1) The name, number, and location of each well, and the number of the lease, unit, or communitized area with which it is associated;

(2) The oil and gas production levels of each of the operator's wells on the lease, unit or communitized area for the most recent production month for which information is available;

(3) Data that show the costs of compliance on the lease with the requirements of §§3179.301-305 and with an alternative leak detection program that meets the requirements of §3179.303(b);

(4) The operator must consider the costs and revenues of the combined stream of revenues from both the gas and oil components and provide the operator's projections of oil and gas prices, production volumes, quality (i.e., heating value and H2S content), revenues derived from production, and royalty payments on production over the next 15 years or the life of the operator's lease, unit, or communitized area, whichever is less;

(5) The information required under §3179.303(b), except that in lieu of the demonstration required under §3179.303(b)(4), the operator must demonstrate that the alternative program is as effective as possible, consistent with not imposing such costs as to cause the operator to cease production and abandon significant recoverable oil or gas reserves under the lease.

(e) For any BLM approval of an operator's use of an alternative leak detection program under subparagraph (b) or (c) of this section, the BLM will post online the alternative program approved for that operator, including, at minimum, the information required in subparagraph (b)(1), (b)(2), (b)(5), and (b)(6) of this section.

 Back to Top

§3179.304   Repairing leaks.

(a) The operator must repair any leak as soon as practicable, and in no event later than 30 calendar days after discovery, unless good cause exists for repair requiring a longer period. Good cause for delay of repair exists if the repair (including replacement) is technically infeasible (including unavailability of parts that have been ordered), would require a pipeline blowdown, a compressor station shutdown, a well shut-in, or would be unsafe to conduct during operation of the unit.

(b) If there is good cause for delaying the repair beyond 30 calendar days, the operator must notify the BLM of the cause by Sundry Notice and must complete the repair at the earliest opportunity, for example during the next compressor station shutdown, well shut-in, or pipeline blowdown. In no case may the repair be delayed beyond 2 years.

(c) Not later than 30 calendar days after completion of a repair, the operator must verify the effectiveness of the repair through a follow-up inspection using one of the instruments specified or approved under §3179.302(a) or a soap bubble test under Section 8.3.3 of EPA Method 21—Determination of Volatile Organic Compound

Leaks (40 CFR Appendix A-7 to part 60).

(d) If the repair is not effective, the operator must complete additional repairs within 15 calendar days, and conduct follow-up inspections and repairs until the leak is repaired.

(e) A follow-up inspection to verify the effectiveness of repairs does not constitute an inspection for purposes of §3179.303.

 Back to Top

§3179.305   Leak detection inspection recordkeeping and reporting.

(a) The operator must maintain the following records for the period required under §3162.4-1 of this title and make them available to the BLM upon request:

(1) For each inspection required under §3179.303 of this subpart, documentation of:

(i) The date of the inspection; and

(ii) The site where the inspection was conducted;

(2) The monitoring method(s) used to determine the presence of leaks;

(3) A list of leak components on which leaks were found;

(4) The date each leak was repaired; and

(5) The date and result of the follow-up inspection(s) required under §3179.304 paragraph (c) or (d) of this subpart.

(b) By March 31 each calendar year, the operator must provide to the BLM an annual summary report on the previous year's inspection activities that includes:

(1) The number of sites inspected;

(2) The total number of leaks identified, categorized by the type of component;

(3) The total number of leaks repaired;

(4) The total number leaks that were not repaired as of December 31 of the previous calendar year due to good cause and an estimated date of repair for each leak.

(5) A certification by a responsible officer that the information in the report is true and accurate to the best of the officer's knowledge.

(c) AVO checks are not required to be documented unless they find a leak requiring repair.

 Back to Top

State or Tribal Variances

 Back to Top

§3179.401   State or tribal requests for variances from the requirements of this subpart.

(a)(1) At the request of a State (for Federal land) or a tribe (for Indian lands), the BLM State Director may grant a variance from any provision(s) of this Subpart that would apply to all Federal leases, units, or communitized areas within a State or to all tribal leases, units, or communitized areas within that tribe's lands, or to specific fields or basins within the State or that tribe's lands, if the BLM finds that the variance would meet the criteria in paragraph (b) of this section.

(2) A State or tribal variance request must:

(i) Identify the provision(s) of this subpart from which the State or tribe is requesting the variance;

(ii) Identify the State, local, or tribal regulation(s) or rule(s) that would be applied in place of the provision(s) of this subpart;

(iii) Explain why the variance is needed; and

(iv) Demonstrate how the State, local, or tribal regulation(s) or rule(s) would perform at least equally well in terms of reducing waste of oil and gas, reducing environmental impacts from venting and or flaring of gas, and ensuring the safe and responsible production of oil and gas, compared to the particular provision(s) from which the State or tribe is requesting the variance.

(b) The BLM State Director, after considering all relevant factors, may approve the request for a variance, or approve it with one or more conditions, only if the BLM determines that the State, local or tribal regulation(s) or rule(s) would perform at least equally well in terms of reducing waste of oil and gas, reducing environmental impacts from venting and/or flaring of gas, and ensuring the safe and responsible production of oil and gas, compared to the particular provision(s) from which the State or tribe is requesting the variance, and would be consistent with the terms of the affected Federal or Indian leases and applicable statutes. The decision to grant or deny the variance will be in writing and is within the BLM's discretion. The decision on a variance request is not subject to administrative appeals under 43 CFR part 4.

(c) A variance from any particular requirement of this rule does not constitute a variance from provisions of other regulations, laws, or orders.

(d) The BLM reserves the right to rescind a variance or modify any condition of approval.

(e) If the BLM approves a variance under this section, the State or tribe that requested the variance must notify the BLM in writing in a timely manner of any substantive amendments, revisions, or other changes to the State, local or tribal regulation(s) or rule(s) to be applied under the variance.

(f) If the BLM approves a variance under this section, the State, local or tribal regulation(s) or rule(s) to be applied under the variance can be enforced by the BLM as if the regulation(s) or rule(s) were provided for in this Subpart. The State, locality, or tribes' own authority to enforce its regulation(s) or rule(s) to be applied under the variance would not be affected by the BLM's approval of a variance



File Typeapplication/vnd.openxmlformats-officedocument.wordprocessingml.document
AuthorSonneman, Jean E
File Modified0000-00-00
File Created2021-10-04

© 2026 OMB.report | Privacy Policy